- Partiron
- OEM Parts
- Yamaha
- waverunner
- 1993
- WRB650RA 1993
GASKET KIT
Yamaha WRB650RA 1993 GASKET KIT Diagram
#
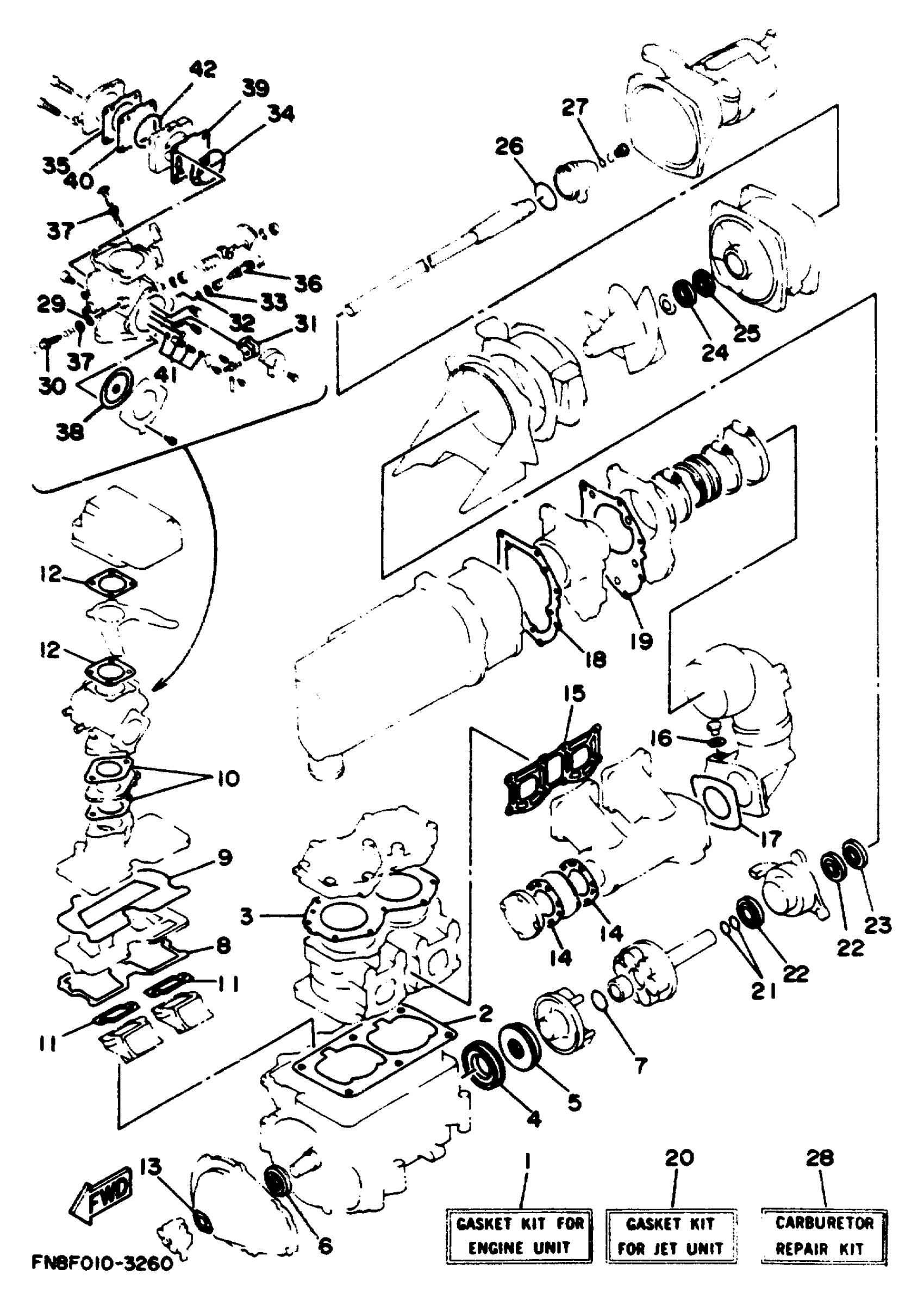
1
GASKET KIT,ENGINE
6R8-W0001-02-00
Unavailable
2
GASKET, CYLINDER
6M6-11351-A2-00
Unavailable
3
GASKET, CYL. HEAD
6R7-11181-A1-00
Unavailable
4
. OIL SEAL
93102-36M33-00
Unavailable
5
. OIL SEAL
93101-36M46-00
Unavailable
6
. OIL SEAL
93103-32M01-00
Unavailable
7
O-RING
93210-30M31-00
Unavailable
8
GASKET
6M6-13566-A2-00
Unavailable
9
GASKET
6M6-13563-A1-00
Unavailable
10
GASKET, MANIFOLD
6M6-13556-A1-00
Unavailable
11
GASKET, VALVE SEAT
6M6-13621-A1-00
Unavailable
12
GASKET, AIR COOLER COVER 1
6M6-13674-A1-00
Unavailable
13
. GASKET, PUMP CASE
6R8-13116-A0-00
Unavailable
14
GASKET, MUFFLER DAMPER 1
6M6-14739-A2-00
Unavailable
15
GASKET, EXHAUST PIPE
6M6-14613-A0-00
Unavailable
16
GASKET
90430-08003-00
Unavailable
17
GASKET, MUFFLER DAMPER 2
6R7-14749-A1-00
Unavailable
18
. GASKET, SILENCER
6R7-14755-A0-00
Unavailable
19
. GASKET, EXHAUST OUTER COVER
6R7-41114-A0-00
Unavailable
20
GASKET KIT
61L-W0001-20-00
Unavailable
21
O-RING(6R7)
93210-17MA4-00
Unavailable
22
OIL SEAL(62T)
93101-25M55-00
Unavailable
23
OIL SEAL
93101-24001-00
Unavailable
24
OIL SEAL(6R7)
93102-25M34-00
Unavailable
25
OIL SEAL(6R7)
93101-25M50-00
Unavailable
26
. O-RING
93210-46M16-00
Unavailable
27
. GASKET
90430-06M03-00
Unavailable
28
CARBURETOR REPAIR KIT
6M6-W0093-12-00
Unavailable
29
. O-RING
6K8-14562-00-00
Unavailable
30
. PLATE, NEEDLE FITTING
6K8-14946-10-00
Unavailable
31
. GASKET
6K8-14536-11-00
Unavailable
32
O-RING
583-14561-00-00
Unavailable
33
. WASHER
6K8-14537-00-00
Unavailable
34
. O-RING
6K8-14564-00-00
Unavailable
35
. GASKET, FUEL PUMP 1
6K8-24431-20-00
Unavailable
36
. SCREW, PILOT
6K8-14923-10-00
Unavailable
37
WASHER,NEEDLE
812-14235-00-00
Unavailable
38
. DIAPHRAGM, PUMP
6R7-14541-00-00
Unavailable
39
. DIAPHRAGM
6K8-24411-20-00
Unavailable
40
. VALVE, CHECK
6K8-24421-10-00
Unavailable
41
NEEDLE
61X-14916-16-00
Unavailable
42
. O-RING
6K8-14563-00-00
Unavailable
