Yamaha WRB650R_61L_020601 FN8B 1993 STEERING 1 Diagram
#
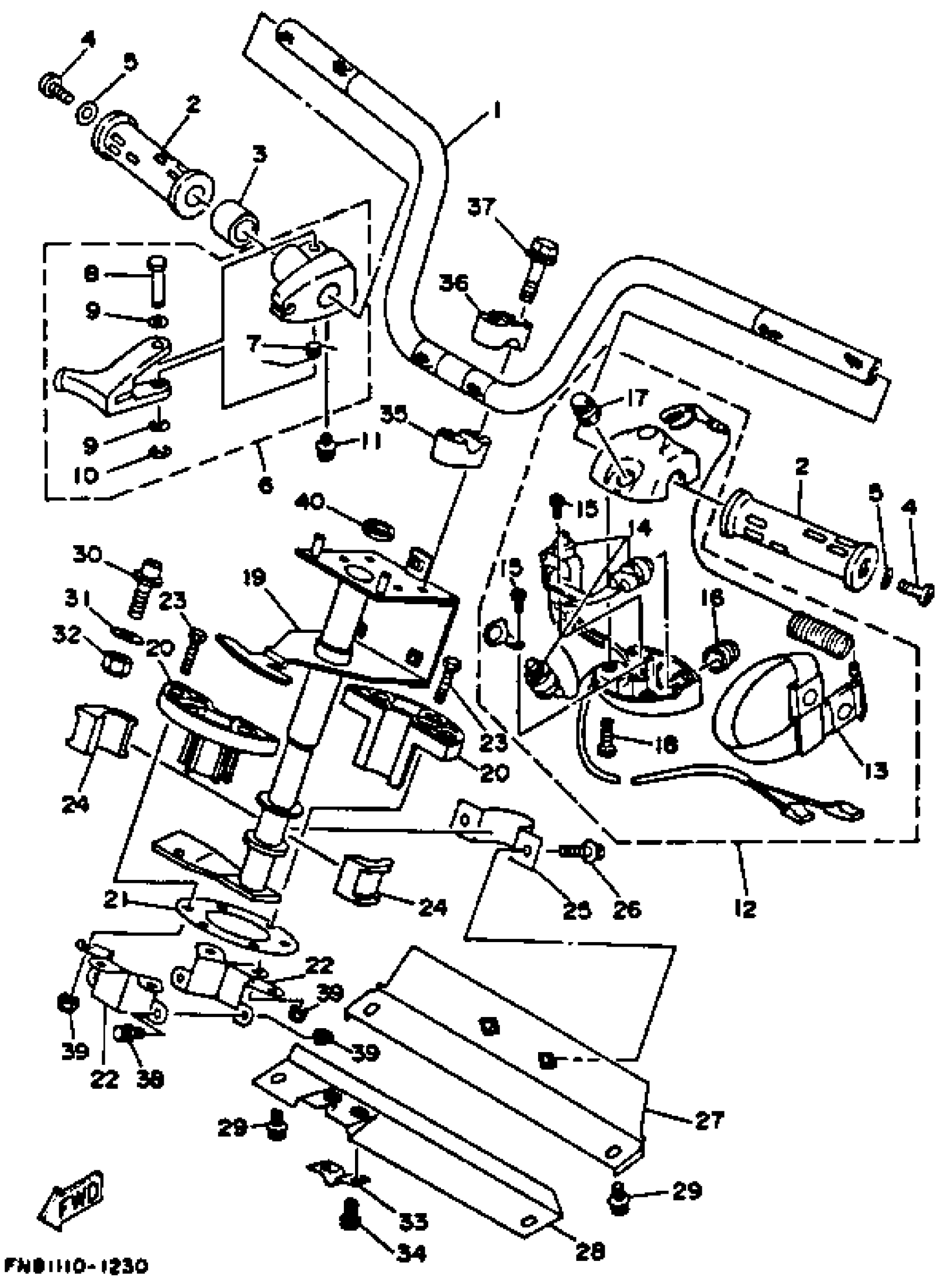
1
HANDLE
FN8-U1552-01-00
Unavailable
2
GRIP, HANDLE 1
EW2-61553-00-00
Unavailable
5
WASHER, PLATE
90201-05800-00
Unavailable
6
THROTTLE LEVER ASSY
EW2-67250-02-00
Unavailable
7
. SPRING
EW2-67256-00-00
Unavailable
8
. SHAFT
EW2-67257-01-00
Unavailable
10
CIRCLIP (EU0)
99080-04600-00
Unavailable
11
SCREW, WITH WASHER
90159-05900-00
Unavailable
12
SWITCH BOX ASSY
GA7-68310-01-00
Unavailable
13
. LANYARD, STOP SWITCH
EW2-68348-00-00
Unavailable
14
SWITCH BOX ASSY
GA7-68310-01-00
Unavailable
16
. STOP BUTTON COMP
FK7-68312-02-00
Unavailable
17
. START BUTTON COMP
FK7-68313-02-00
Unavailable
18
SCREW, PANHEAD (A93)
98580-05525-00
Unavailable
19
COLUMN, STEERING
FN8-61541-01-00
Unavailable
20
BEARING, COLUMN
EU0-61417-00-00
Unavailable
21
SEAL, RUBBER
EU0-61439-30-00
Unavailable
22
JOINT, BEARING 1
FN8-6158B-01-00
Unavailable
23
BOLT(JF7)
97080-06030-00
Unavailable
24
BEARING, STEERING
8F3-23812-00-00
Unavailable
25
JOINT, BEARING
EU0-61588-00-00
Unavailable
26
BOLT, WITH WASHER
90119-08903-00
Unavailable
27
BRACKET, BEARING
FN8-61433-00-00
Unavailable
28
BRACKET, STOPPER CABLE
FN8-61467-00-00
Unavailable
29
BOLT, WITH WASHER
90119-08903-00
Unavailable
30
PIN, STOPPER
FN8-6131B-00-00
Unavailable
31
958-69527-00 WASHER, PLAIN
92990-10200-00
Unavailable
32
NUT, NYLON (FN8)
95720-10300-00
Unavailable
33
STOPPER CABLE
EU0-U1468-00-00
Unavailable
34
BOLT, WITH WASHER
90119-06926-00
Unavailable
35
HOLDER, HANDLE UPPER
EU0-23814-02-00
Unavailable
36
HOLDER, HANDLE UPPER
EU0-23814-32-00
Unavailable
37
BOLT, WITH WASHER
90119-08925-00
Unavailable
38
BOLT, WITH WASHER
90119-06913-00
Unavailable
39
NUT, SELF-LOCKING
95720-06300-00
Unavailable
40
PACKING, STEERING COLUMN
EU0-61469-00-00
Unavailable
