Partiron

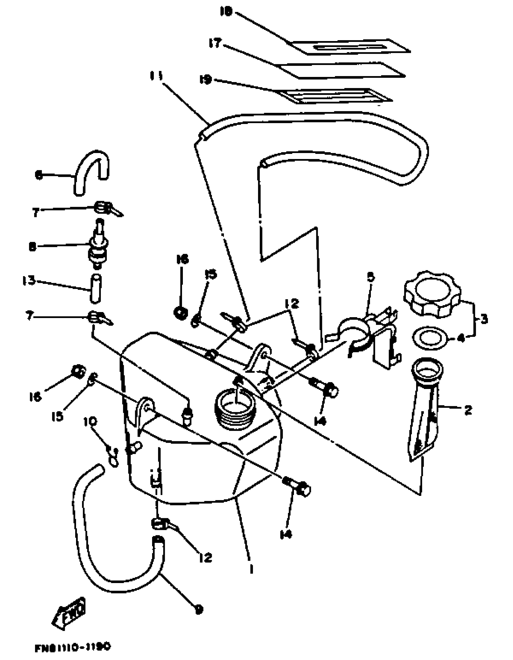
Yamaha WRB650R_61L_020601 FN8B 1993 OIL TANK (FOR OIL INJECTION) Diagram

#

Description
Price

1

TANK, OIL

FN8-67751-00-00

Unavailable

2

FILTER

FJ0-67752-00-00

Unavailable

3

OIL TANK CAP ASSY.

GE2-6784A-01-00

Unavailable

4

PACKING, OIL CAP

FJ0-67841-02-00

Unavailable

5

HOLDER, OIL PIPE 2

FN8-13173-00-00

Unavailable

6

HOSE

F3D-6215E-00-00

Unavailable

7

CLAMP

90465-10098-00

Unavailable

8

. ROLL OVER VALVE

FJ0-67766-00-00

Unavailable

9

HOSE

90446-11905-00

Unavailable

10

CLIP(72X)

90467-11M08-00

Unavailable

11

HOSE

90446-09907-00

Unavailable

12

CLAMP

90465-10098-00

Unavailable

13

HOSE (L420)

90445-092K1-00

$12.49

14

BOLT, HEX (MIRROR)

90119-06924-00

Unavailable

15

WASHER, PLATE

90201-06020-00

$9.49

16

NUT, SELF-LOCKING

95720-06300-00

Unavailable

17

LEVEL GAUGE 1

FN8-67753-00-00

Unavailable

18

LABEL, OIL GAUGE

FN8-64189-00-00

Unavailable

19

TAPE

90654-91004-00

Unavailable