Yamaha WRB650R_61L_020601 FN8B 1993 AIR FILTER Diagram
#
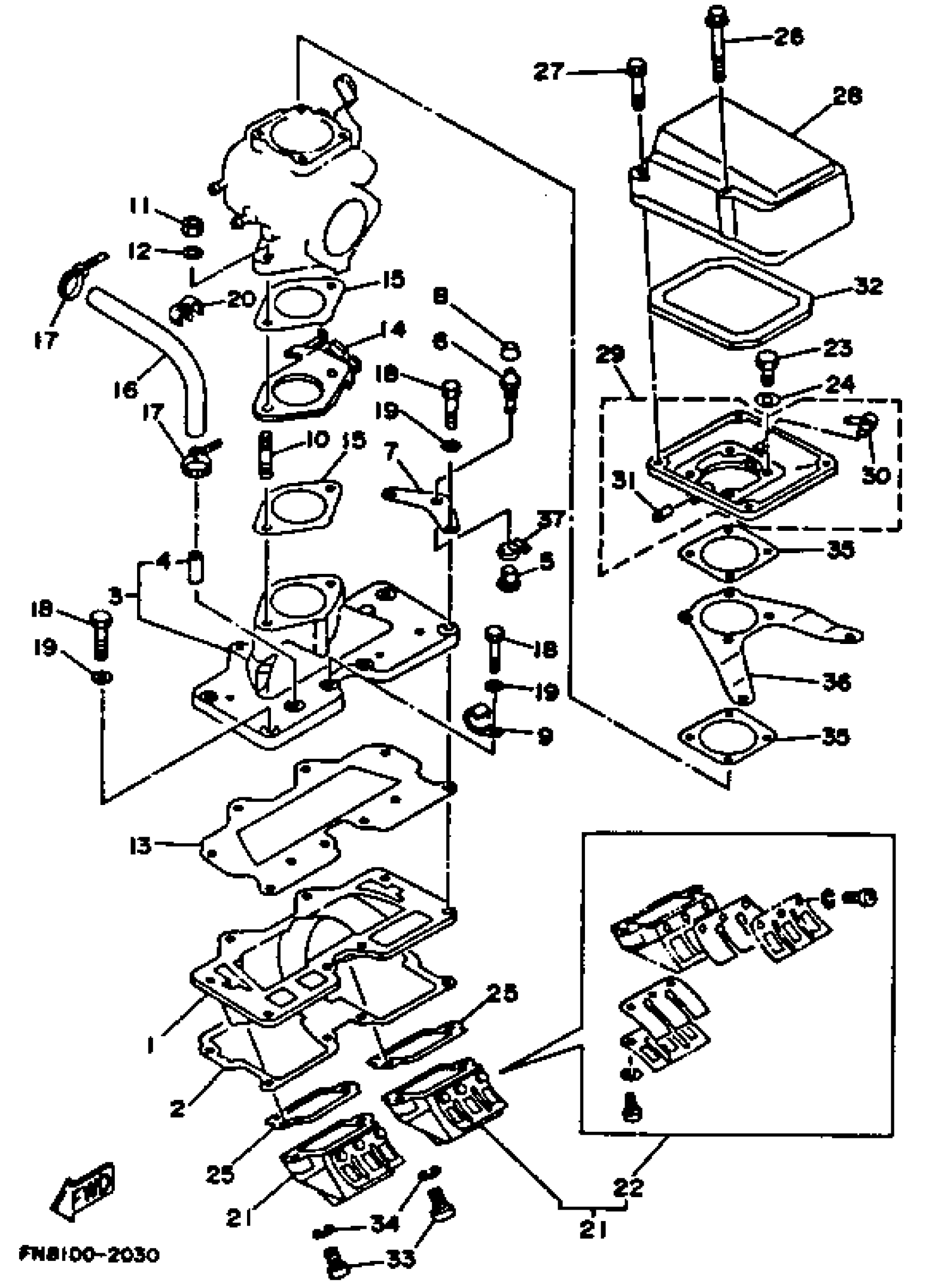
1
MANIFOLD 1
6M6-13641-00-94
Unavailable
2
GASKET
6M6-13566-A2-00
Unavailable
3
MANIFOLD,INTAKE
6M6-13555-01-94
Unavailable
4
. PIPE, JOINT 4
652-24461-00-00
Unavailable
5
BUSH
90386-08006-00
Unavailable
6
NIPPLE, GREASE
61L-5169A-00-00
Unavailable
7
PLATE
61L-14243-00-00
Unavailable
9
CLAMP
90465-08028-00
Unavailable
10
BOLT, STUD
90116-08M14-00
Unavailable
12
.. WASHER, PLATE
92990-08600-00
Unavailable
13
GASKET
6M6-13563-A1-00
Unavailable
14
PLATE
6M6-14527-02-94
Unavailable
15
GASKET, MANIFOLD
6M6-13556-A1-00
Unavailable
16
HOSE (L400)
90445-10M43-00
Unavailable
17
CLAMP
90465-10098-00
Unavailable
18
BOLT(3RV)
97014-06035-00
Unavailable
19
WASHER, PLAIN (646)
92990-06600-00
Unavailable
20
CLAMP(6R8)
90464-10M38-00
Unavailable
21
REED VALVE ASSEMBLY
6R7-13610-01-00
Unavailable
22
. REED SET
6R7-W0004-00-00
Unavailable
23
BOLT(7U8)
97080-06020-00
Unavailable
24
WASHER, PLAIN (646)
92990-06600-00
Unavailable
25
GASKET, VALVE SEAT
6M6-13621-A1-00
Unavailable
26
BOLT, WITH WASHER
90119-05M02-00
Unavailable
27
BOLT, WITH WASHER
90119-05M01-00
Unavailable
28
COVER,CARBURETOR
99999-02650-00
Unavailable
29
COVER, CARBURETOR 2
6R8-14284-00-98
Unavailable
30
NIPPLE, HOSE
6E5-11372-01-00
Unavailable
31
. PIPE, JOINT
6H1-14485-00-00
Unavailable
32
ELEMENT, AIR CLEANER
6M6-14451-00-00
Unavailable
33
SCREW, PAN HEAD(6B0)
97885-05016-00
Unavailable
34
WASHER, PLAIN (646)
92990-05600-00
Unavailable
35
GASKET, AIR COOLER COVER 1
6M6-13674-A1-00
Unavailable
36
PLATE
6R7-14255-00-00
Unavailable
37
CLAMP, HOSE(61L)
90460-11M17-00
Unavailable
