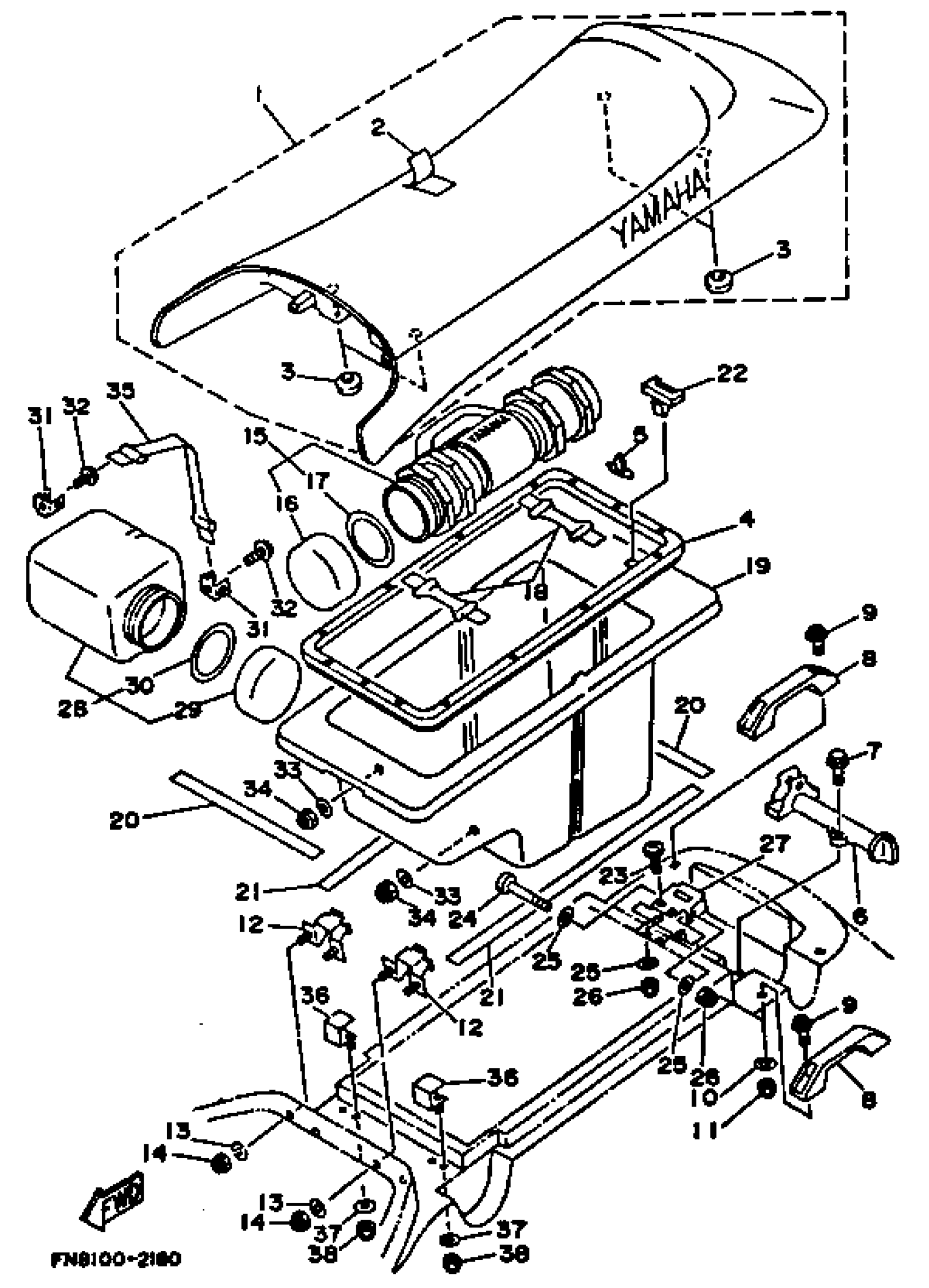
Yamaha WRB650Q_FN8_808601 FN8 1992 SEAT Diagram
#
1
SINGLE SEAT ASSEMBLY
FN8-U3710-01-00
Unavailable
2
. COVER, SEAT
FN8-U3711-00-00
Unavailable
4
PACKING 1
FN8-U2663-00-00
Unavailable
5
RIVET
90269-06916-00
Unavailable
6
SEAT, LOCK ASSY
FJ0-63850-31-00
Unavailable
7
BOLT, WITH WASHER
90119-06900-00
Unavailable
8
GRIP, HAND
EU0-6271B-00-00
Unavailable
9
SCREW, WITH WASHER
90159-06904-00
Unavailable
11
NUT, SELF-LOCKING
95720-06300-00
Unavailable
12
STAY, SEAT 1
FN8-6378C-00-00
Unavailable
14
NUT, SELF-LOCKING
95720-06300-00
Unavailable
15
CASE 2 ASSEMBLY
EW2-65920-00-00
Unavailable
16
. CAP, CASE
EW2-65912-30-00
Unavailable
17
. PACKING, CASE
EW2-65913-00-00
Unavailable
18
BAND
EU0-67569-02-00
Unavailable
19
LOCKER,UNDER 2
FN8-U4742-02-00
Unavailable
20
PACKING 3
FN8-6266B-00-00
Unavailable
21
PACKING 4
FN8-6266C-00-00
Unavailable
22
LOCK, LID
FN8-65172-00-00
Unavailable
23
. SCREW, FLAT HEAD
98780-05016-00
Unavailable
24
SCREW, PAN HEAD
90149-05977-00
Unavailable
25
. WASHER, PLAIN
92990-05200-00
Unavailable
26
NUT, FLANGE
95720-05300-00
Unavailable
27
HOOK, LID LOCK
FN8-U5174-00-00
Unavailable
28
CASE 1 ASSEMBLY
FN8-65910-00-00
Unavailable
29
. CAP, CASE
EW2-65912-00-00
Unavailable
30
. PACKING, CASE
EW2-65913-00-00
Unavailable
31
HOOK A
EU0-65772-30-00
Unavailable
32
SCREW, WITH WASHER
90159-06901-00
Unavailable
33
WASHER, PLAIN (FJ0)
90201-06930-00
Unavailable
34
NUT, SELF-LOCKING
95720-06300-00
Unavailable
35
BAND
FJ0-67569-00-00
Unavailable
36
GUIDE
FN8-64744-00-00
Unavailable
37
. WASHER, PLAIN
92990-05200-00
Unavailable
38
NUT, FLANGE
95720-05300-00
Unavailable
