- Partiron
- OEM Parts
- Yamaha
- waverunner
- 1991
- WRB650P_FN8_807001 FN8 1991
HULL - DECK
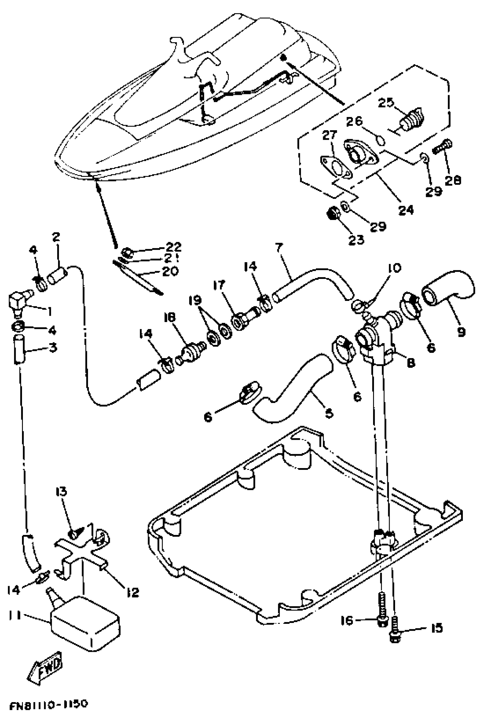
Yamaha WRB650P_FN8_807001 FN8 1991 HULL - DECK Diagram
#
Description
Price
1
JOINT, HOSE
6K8-51162-00-00
Unavailable
2
HOSE
90445-14M03-00
Unavailable
4
CLAMP
90465-10098-00
Unavailable
5
HOSE, PLASHER
61L-51161-00-00
Unavailable
6
HOSE CLAMP ASSY
90450-32097-00
Unavailable
8
BODY, VALVE
6K8-7610K-01-00
Unavailable
9
HOSE SUCTION
6K8-51141-00-00
Unavailable
10
CLAMP
90465-10098-00
Unavailable
12
BASE, STRAINER BLIGE
EW2-67618-00-00
Unavailable
13
SCREW, PANHEAD TAPPING (682)
97780-50514-00
Unavailable
14
CLAMP
90465-10098-00
Unavailable
15
BOLT, WITH WASHER
90119-06896-00
Unavailable
16
BOLT, W/WASHER
90119-06919-00
Unavailable
17
CONNECTION, THRU-HULL 1/4
90604-80759-00
Unavailable
18
CONNECTION, THRU-HULL 1/4
90604-80760-00
Unavailable
19
GASKET
90430-13909-00
Unavailable
20
BOWEYE 1
FN8-U1624-00-00
Unavailable
21
WASHER, PLAIN
92990-08200-00
Unavailable
22
. NUT, SELF-LOCKING
95720-08300-00
Unavailable
23
NUT, FLANGE
95720-05300-00
Unavailable
24
DRAIN PLUG ASSY
EU0-62280-00-00
Unavailable
25
. PLUG, DRAIN
EU0-62282-00-00
Unavailable
26
. O-RING
EU0-62283-00-00
Unavailable
27
. PACKING DRAIN (EU0)
EU0-62285-01-00
Unavailable
28
SCREW, PAN HEAD
98580-05020-00
Unavailable
29
. WASHER, PLAIN
92990-05200-00
Unavailable
