Yamaha WRB650P_FN8_807001 FN8 1991 FUEL TANK Diagram
#
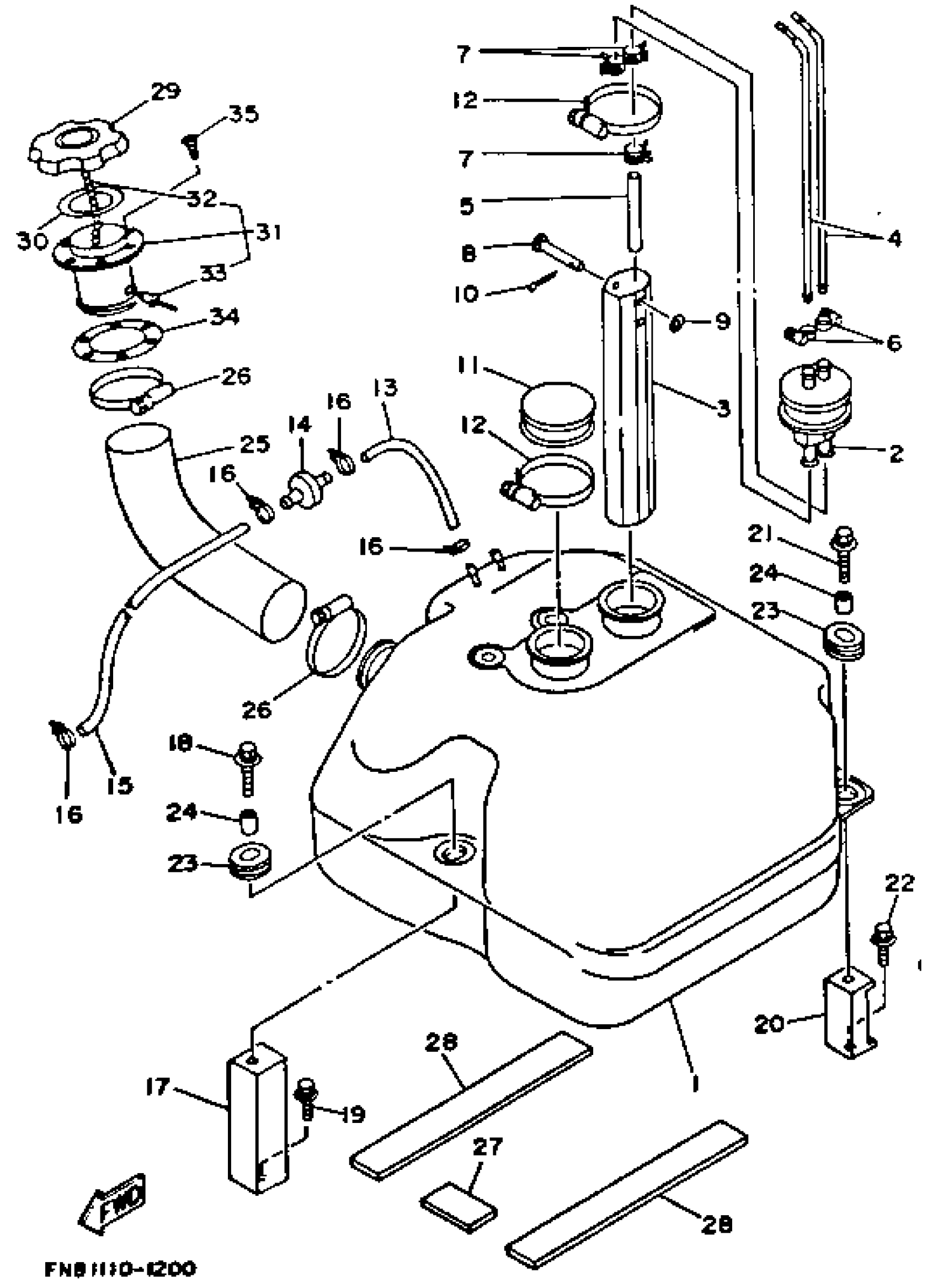
1
TANK, FUEL
FN8-67711-01-00
Unavailable
2
PIPE, JOINT
FJ0-67713-01-00
Unavailable
3
SLEEVE 1
FN8-67716-01-00
Unavailable
4
PIPE, SUCTION 3
FN8-67714-02-00
Unavailable
6
BAND, HOSE 11
90601-11062-00
Unavailable
10
PIN. COTTER
91490-16010-00
Unavailable
11
COVER
FN8-6771K-00-00
Unavailable
12
BAND, HOSE 62
90601-162U5-00
Unavailable
13
HOSE, AIR VENT 1
EU0-67856-00-00
Unavailable
14
CHECK VALVE
EU0-67767-31-00
Unavailable
15
HOSE, AIRVENT 1
EU0-67856-30-00
Unavailable
16
CLAMP
90465-10098-00
Unavailable
17
FIX, FUEL TANK
FN8-67777-00-00
Unavailable
18
BOLT, WITH WASHER
90119-08916-00
Unavailable
19
BOLT, WITH WASHER
90119-08903-00
Unavailable
20
FIX, FUEL TANK
FN8-67777-31-00
Unavailable
21
BOLT, WITH WASHER
90119-08916-00
Unavailable
22
BOLT, WITH WASHER
90119-08903-00
Unavailable
23
GROMMET
90480-19906-00
Unavailable
24
COLLAR
90387-08906-00
Unavailable
25
HOSE
FN8-U7844-00-00
Unavailable
26
BAND, HOSE 55
90601-155U4-00
Unavailable
27
MAT
FN8-U7593-00-00
Unavailable
28
MAT
FN8-U7593-30-00
Unavailable
29
CAP, FUEL FILLER
EU0-67831-32-00
Unavailable
30
PACKING 1
EU0-67832-00-00
Unavailable
31
SOCKET
EU0-W6783-01-00
Unavailable
32
. CHAIN BALL
EU0-67835-00-00
Unavailable
33
. RIVET, BLIND
90267-40935-00
Unavailable
34
PACKING, FUEL FILLER
EU0-67834-00-00
Unavailable
35
SCREW, FLAT HEAD TAPPING
EU0-U7869-00-00
Unavailable
