- Partiron
- OEM Parts
- Yamaha
- waverunner
- 1991
- WRB650P_FN8_807001 FN8 1991
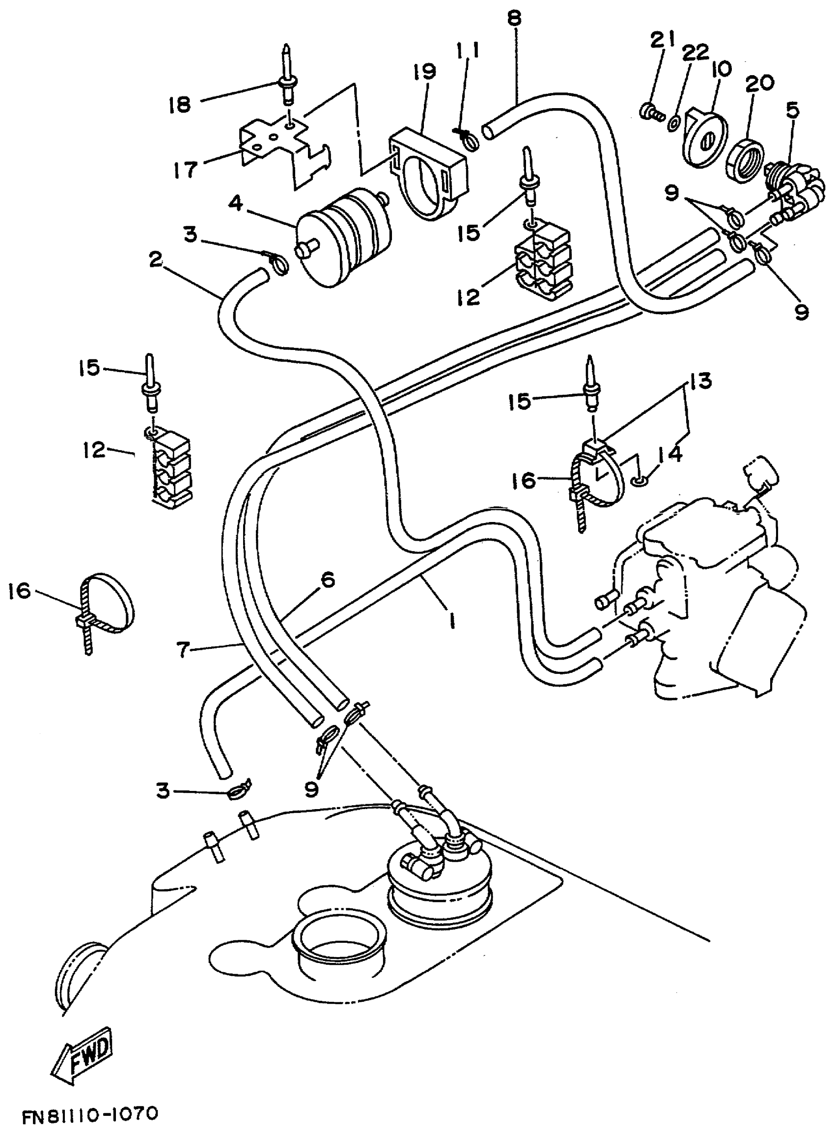
FUEL FILTER
Yamaha WRB650P_FN8_807001 FN8 1991 FUEL FILTER Diagram
#
Description
Price
3
CLAMP
90465-10098-00
Unavailable
4
FILTER ASSY
6K8-24560-21-00
Unavailable
5
FUEL COCK ASSY 1
6K8-24500-03-00
Unavailable
6
HOSE (L1700)
90445-10M87-00
Unavailable
7
HOSE (L1700)
90445-10M87-00
Unavailable
9
CLAMP
90465-10098-00
Unavailable
10
LEVER, COCK
6K8-24524-10-00
Unavailable
11
CLAMP
90465-10098-00
Unavailable
12
HOLDER,PIPE 2
EW2-67812-00-00
Unavailable
14
. WASHER, PLAIN
90201-05925-00
Unavailable
15
RIVET, BLIND
90267-489UE-00
Unavailable
16
BAND (EU0)
90601-20009-00
Unavailable
17
BRACKET, FUEL FILTER
FN8-67816-00-00
Unavailable
18
RIVET, BLIND
90267-48934-00
Unavailable
19
HOLDER
EU0-67817-00-00
Unavailable
20
NUT
90170-22M11-00
Unavailable
21
SCREW, PAN HEAD (E56)
98580-04010-00
Unavailable
22
WASHER, PLAIN (646)
92990-04600-00
Unavailable
