- Partiron
- OEM Parts
- Yamaha
- waverunner
- 1991
- WRB650P_FN8_807001 FN8 1991
CARBURETOR
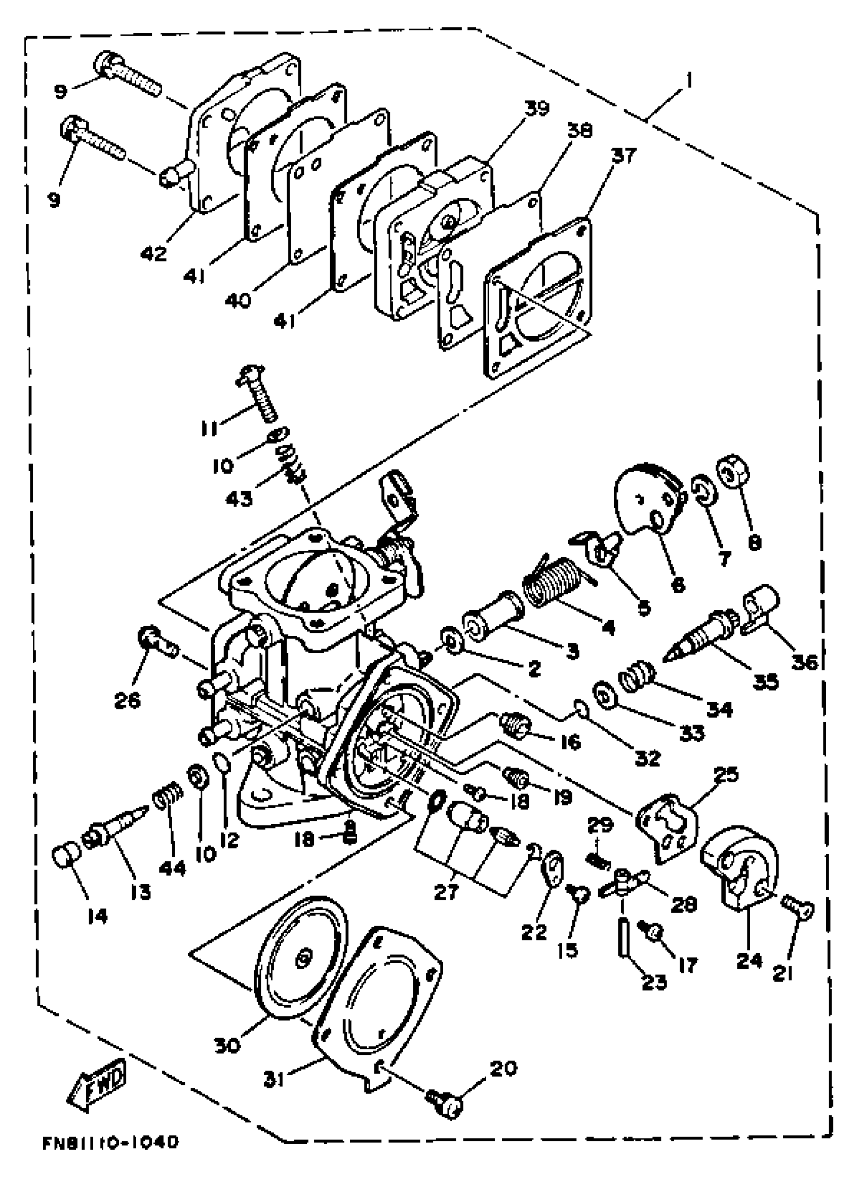
Yamaha WRB650P_FN8_807001 FN8 1991 CARBURETOR Diagram
#
1
CARBURETOR ASSEMBLY 1
61L-14301-00-00
Unavailable
2
. WASHER
6R7-14596-00-00
Unavailable
3
. COLLAR
6K8-14534-10-00
Unavailable
4
. SPRING
6K8-14556-10-00
Unavailable
5
. BRACKET, THROTTLE 1
6K8-14926-10-00
Unavailable
6
. THROTTLE SHAFT ASSEMBLY
6K8-14930-00-00
Unavailable
8
. NUT
95380-08700-00
Unavailable
9
SCREW, WITH WASHER(61B)
97985-05330-00
Unavailable
10
WASHER,NEEDLE
812-14235-00-00
Unavailable
11
SCREW,ADJUST
6M6-14521-01-00
Unavailable
12
. O-RING
6K8-14562-00-00
Unavailable
13
. PLATE, NEEDLE FITTING
6K8-14946-10-00
Unavailable
14
. CAP, CARBURETOR
6K8-14471-10-00
Unavailable
15
. SCREW
6M6-14503-00-00
Unavailable
16
JET, MAIN (#125)
3G2-14231-25-00
Unavailable
17
. SCREW
6K8-14503-02-00
Unavailable
18
. SCREW
6K8-14521-10-00
Unavailable
19
. JET, MAIN (#120)
830-14231-24-00
Unavailable
20
. SCREW
6K8-14591-10-00
Unavailable
21
SCREW, STOP
6K8-14523-12-00
Unavailable
22
. PLATE
6K8-14527-11-00
Unavailable
23
. PIN, FLOAT
6K8-14579-00-00
Unavailable
24
. BODY 1
6R7-24412-01-00
Unavailable
25
. GASKET
6K8-14536-11-00
Unavailable
26
. STRAINER
6R7-14569-00-00
Unavailable
27
NEEDLE
61X-14916-16-00
Unavailable
28
. ARM, FLOAT
6K8-14547-01-00
Unavailable
29
. SPRING
6R7-14253-00-00
Unavailable
30
. DIAPHRAGM, PUMP
6R7-14541-00-00
Unavailable
31
BODY,PUMP 1
6R7-14542-10-00
Unavailable
32
O-RING
583-14561-00-00
Unavailable
33
. WASHER
6K8-14537-00-00
Unavailable
34
. SPRING
6K8-14589-00-00
Unavailable
35
. SCREW, PILOT
6K8-14923-10-00
Unavailable
36
. CAP, CARBURETOR
6K8-14481-10-00
Unavailable
37
. GASKET, BODY 2
6K8-24435-10-00
Unavailable
38
. DIAPHRAGM
6K8-24411-10-00
Unavailable
39
. BODY 2
6K8-24413-10-00
Unavailable
40
. VALVE, CHECK
6K8-24421-10-00
Unavailable
41
. GASKET, FUEL PUMP 1
6K8-24431-10-00
Unavailable
42
. COVER
6K8-24452-10-00
Unavailable
43
. SPRING, ADJUST SCREW
6K8-14531-00-00
Unavailable
44
. SPRING, ADJUST SCREW
6K8-14533-00-00
Unavailable
