- Partiron
- OEM Parts
- Yamaha
- waverunner
- 1991
- WRB650P_FN8_800101 FN81 1991
ENGINE HATCH
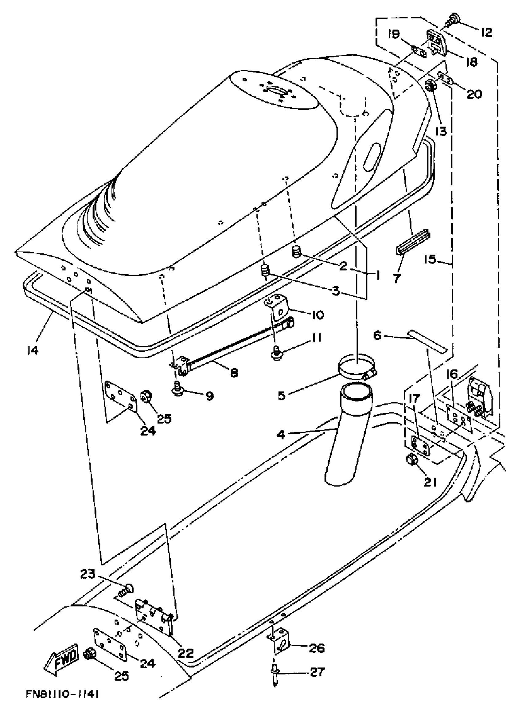
Yamaha WRB650P_FN8_800101 FN81 1991 ENGINE HATCH Diagram
#
Description
Price
1
ENGINE HATCH COMP.
FN8-U516D-00-00
Unavailable
2
. NUT
90179-08927-00
Unavailable
3
NUT
90179-069U4-00
Unavailable
4
HOSE, VENTILATOR 1
EW2-62136-01-00
Unavailable
5
BAND, HOSE 68
90601-168U7-00
Unavailable
6
TRIM
FN8-U5162-00-00
Unavailable
7
TRIM 1
FN8-6516C-00-00
Unavailable
8
SUPPORT, HATCH
FN8-62891-01-00
Unavailable
9
SCREW, WITH WASHER
90159-06901-00
Unavailable
10
FIX, PLATE
FN8-62892-00-00
Unavailable
11
SCREW, WITH WASHER
90159-06901-00
Unavailable
12
SCREW
90149-05970-00
Unavailable
13
NUT, FLANGE
95720-05300-00
Unavailable
14
PACKING
FN8-U2664-00-00
Unavailable
15
HATCH LOCK ASSY
FN8-62840-01-00
Unavailable
16
. PACKING, HATCH LOCK
EW2-62845-00-00
Unavailable
17
. PLATE, HATCH LOCK
EW2-62846-00-00
Unavailable
18
. HOOK, HATCH LOCK
FN8-62843-00-00
Unavailable
19
. PACKING, HOOK
EW2-62847-00-00
Unavailable
20
. PLATE, HOOK
EW2-62848-00-00
Unavailable
21
.. NUT
95380-05800-00
Unavailable
22
HINGE
90600-70069-00
Unavailable
23
SCREW, FLAT HEAD
98780-05020-00
Unavailable
24
PLATE
FN8-U5193-00-00
Unavailable
25
NUT, FLANGE
95720-05300-00
Unavailable
26
BRACKET, HATCH SUPPORT
FN8-62884-00-00
Unavailable
27
RIVET, BLIND
90267-48940-00
Unavailable
