- Partiron
- OEM Parts
- Yamaha
- waverunner
- 1995
- WRA650T (WAVE RUNNER III) 1995
OIL TANK (FOR OIL INJECTION)
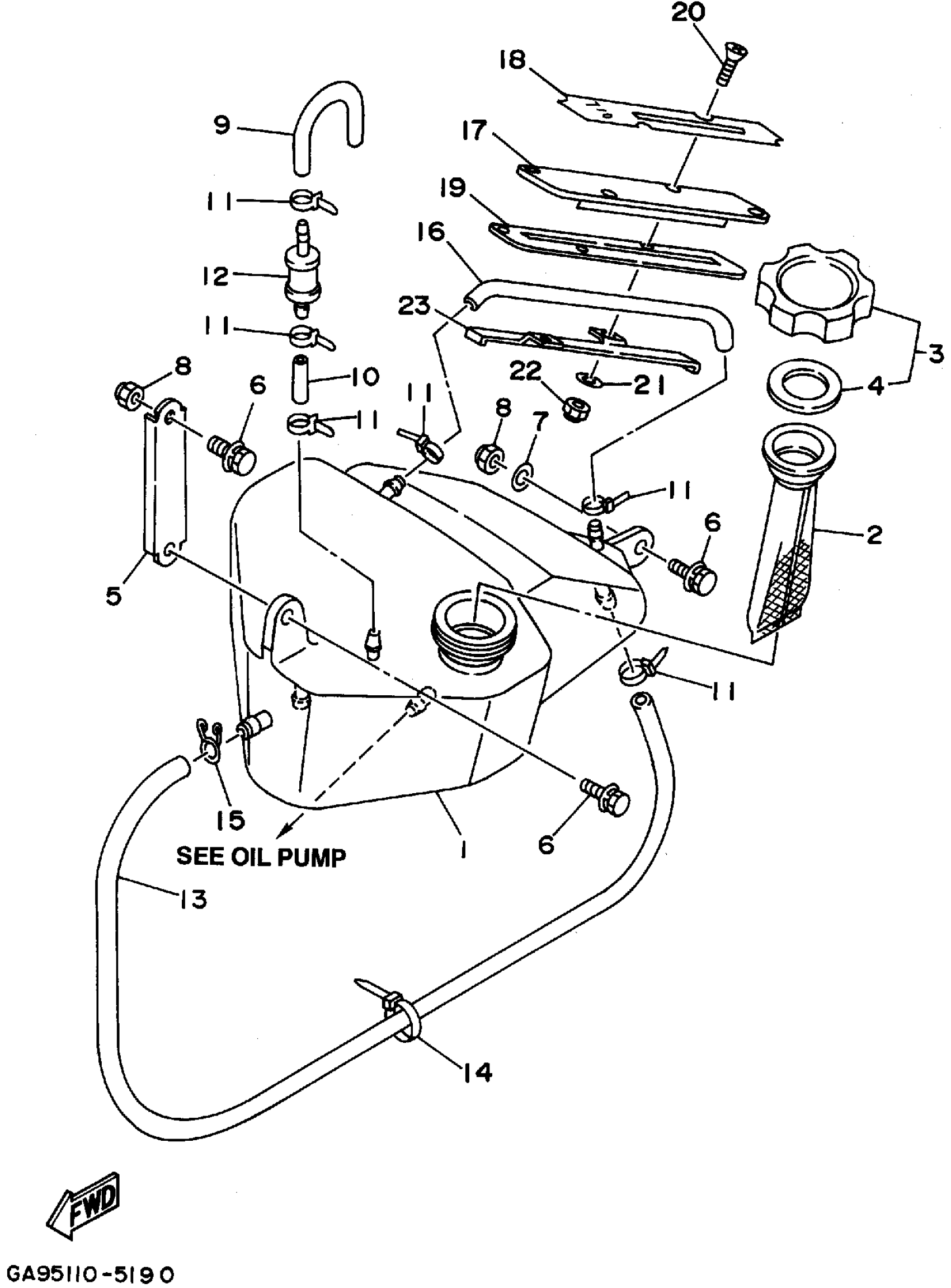
Yamaha WRA650T (WAVE RUNNER III) 1995 OIL TANK (FOR OIL INJECTION) Diagram
#
Description
Price
1
TANK, OIL
FJ0-67751-00-00
Unavailable
2
FILTER
FJ0-67752-00-00
Unavailable
3
OIL TANK CAP ASSY.
GE2-6784A-01-00
Unavailable
4
PACKING, OIL CAP
FJ0-67841-02-00
Unavailable
5
BRACKET, OIL TANK
FJ0-67755-00-00
Unavailable
6
BOLT, HEX (MIRROR)
90119-06924-00
Unavailable
8
NUT, SELF-LOCKING
95720-06300-00
Unavailable
9
HOSE
F3D-6215E-00-00
Unavailable
11
CLAMP
90465-10098-00
Unavailable
12
. ROLL OVER VALVE
FJ0-67766-00-00
Unavailable
14
BAND
90601-20008-00
Unavailable
15
CLIP(72X)
90467-11M08-00
Unavailable
16
HOSE (FJ0)
90446-09906-00
Unavailable
17
LEVEL GAUGE 1
FJ0-67753-01-00
Unavailable
18
LABEL, OIL GAUGE
FJ0-64189-01-00
Unavailable
19
PACKING
FJ0-67754-00-00
Unavailable
20
. SCREW, FLAT HEAD
98780-05018-00
Unavailable
21
WASHER, PLAIN (646)
92990-05600-00
Unavailable
22
. NUT, M5 X 08 NYLON LOCK
95780-05300-00
Unavailable
23
BASE, LEVEL GAUGE
FJ0-67757-01-00
Unavailable
