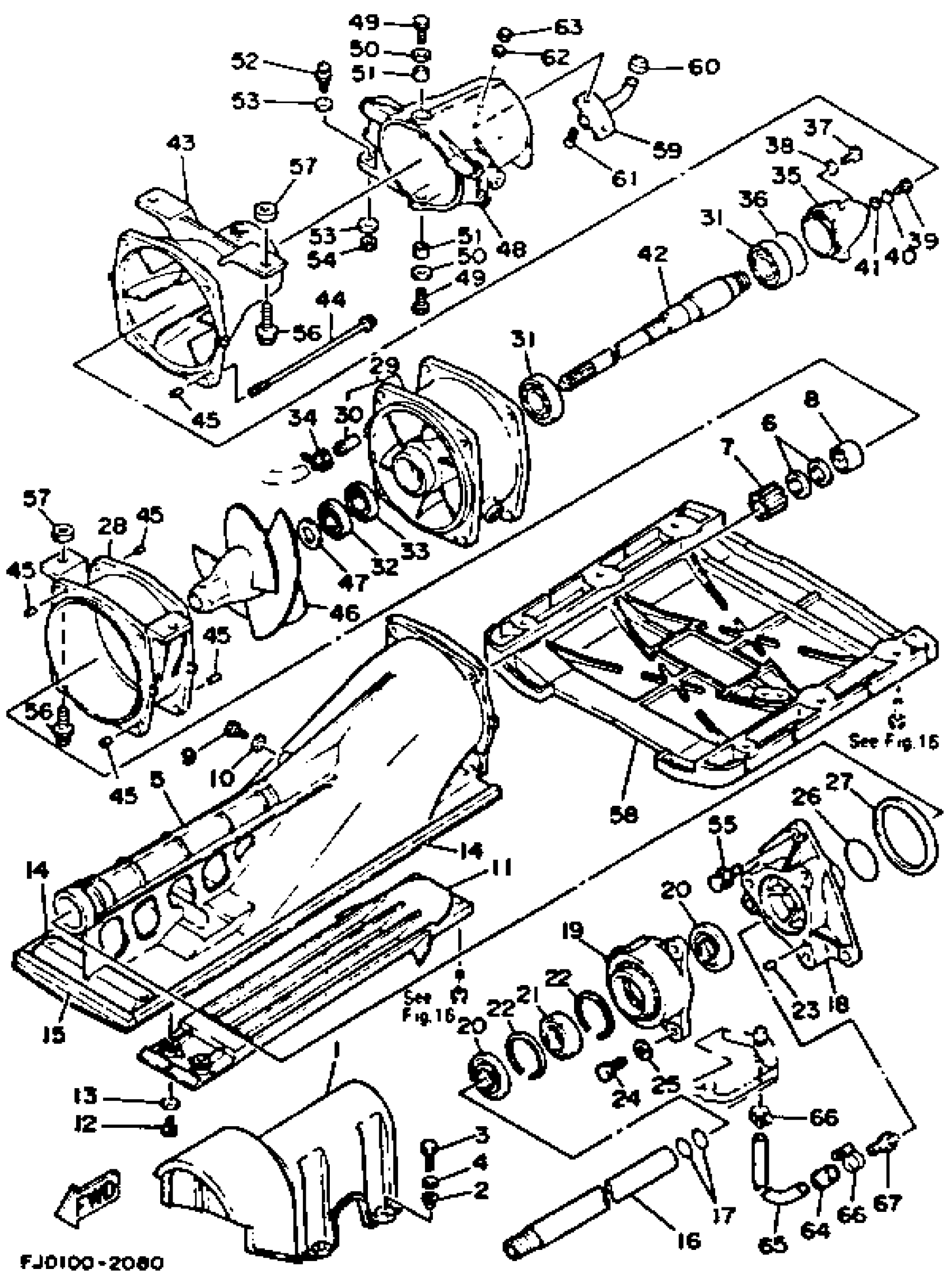
Yamaha WRA650RA (WAVE RUNNER III) 1993 JET UNIT 1 Diagram
#
1
COVER
6R8-51381-01-00
Unavailable
2
COLLAR
90387-06M70-00
Unavailable
3
BOLT(7U8)
97080-06020-00
Unavailable
5
DUCT, INTAKE
6R8-51311-02-94
Unavailable
6
OIL SEAL(6R8)
93102-18M35-00
Unavailable
7
BUSHING, DRIVE SHAFT
6R8-45318-00-00
Unavailable
8
SPACER
6R8-51348-02-94
Unavailable
9
BOLT
90101-06M27-00
Unavailable
11
SCREEN, INTAKE
6R8-51333-01-CA
Unavailable
12
BOLT (FJ0)
97080-06018-00
Unavailable
14
FELT, PACKING
6R8-51367-00-00
Unavailable
15
FELT, PACKING
6R8-51368-00-00
Unavailable
16
SHAFT, COUPLOR
6R8-51323-01-00
Unavailable
17
O-RING(6R7)
93210-17MA4-00
Unavailable
18
HOUSING, BEARING
6R8-45332-00-94
Unavailable
19
HOUSING SET, BEARING (6R7-01)
99999-02641-00
Unavailable
20
OIL SEAL(62T)
93101-25M55-00
Unavailable
21
BEARING(62G)
93306-205U6-00
Unavailable
22
CIRCLIP
93430-47M04-00
Unavailable
23
PIN, DOWEL(6R7)
93606-07M17-00
Unavailable
24
BOLT (62G)
97095-08025-00
Unavailable
25
.. WASHER, PLATE
92990-08600-00
Unavailable
26
O-RING
93210-35M72-00
Unavailable
27
SEAL
6K8-45127-00-00
Unavailable
28
HOUSING, IMPELLER
6R8-51312-03-94
Unavailable
29
DUCT, IMPELLER
6R7-51315-01-94
Unavailable
30
. NIPPLE
6K8-51129-00-00
Unavailable
31
BEARING (6K8)
93306-205U1-00
Unavailable
32
OIL SEAL(6R7)
93102-25M34-00
Unavailable
33
OIL SEAL(6R7)
93101-25M50-00
Unavailable
34
CLAMP
90465-10098-00
Unavailable
35
CAP
62T-51326-00-00
Unavailable
36
. O-RING
93210-46M16-00
Unavailable
37
BOLT, HEXAGON DEEP RECESS
97D95-06016-00
Unavailable
39
BOLT(GH1)
97080-06012-00
Unavailable
41
. GASKET
90430-06M03-00
Unavailable
42
SHAFT, DRIVE
6R8-45511-00-00
Unavailable
43
NOZZULE
6R8-51318-01-94
Unavailable
44
BOLT(6R8)
90101-06M04-00
Unavailable
45
PIN, DOWEL (614)
93606-12019-00
Unavailable
46
IMPELLER
6R7-51321-00-8S
Unavailable
47
SPACER
62T-51348-00-00
Unavailable
48
NOZZLE,DEFLECTOR
6R8-51313-03-94
Unavailable
49
BOLT, HEXAGON
97095-08018-00
Unavailable
50
.. WASHER, PLATE
92990-08600-00
Unavailable
51
COLLAR
90387-08M08-00
Unavailable
52
. BOLT, JOINT
6R7-42316-00-00
Unavailable
53
WASHER, PLATE
90201-06M31-00
Unavailable
54
NUT(650)
95380-06700-00
Unavailable
55
BOLT, WITH WASHER
90119-08907-00
Unavailable
56
BOLT
90119-10906-00
Unavailable
57
NUT
90179-10925-00
Unavailable
58
PLATE 2
FJ0-62731-01-00
Unavailable
59
SPOUT
62G-62693-00-00
Unavailable
60
CAP, SPOUT
6R8-62695-00-00
Unavailable
61
SCREW(617)
98780-05012-00
Unavailable
62
. WASHER, PLAIN
92990-05200-00
Unavailable
63
.. NUT
95380-05800-00
Unavailable
64
BUSH
90386-08006-00
Unavailable
65
HOSE (L445)
90445-09M21-00
Unavailable
66
CLAMP, HOSE(61L)
90460-11M17-00
Unavailable
67
NIPPLE, HOSE
61L-45378-00-00
Unavailable
