- Partiron
- OEM Parts
- Yamaha
- waverunner
- 1993
- WRA650R (WAVE RUNNER III) 1993
STARTING MOTOR
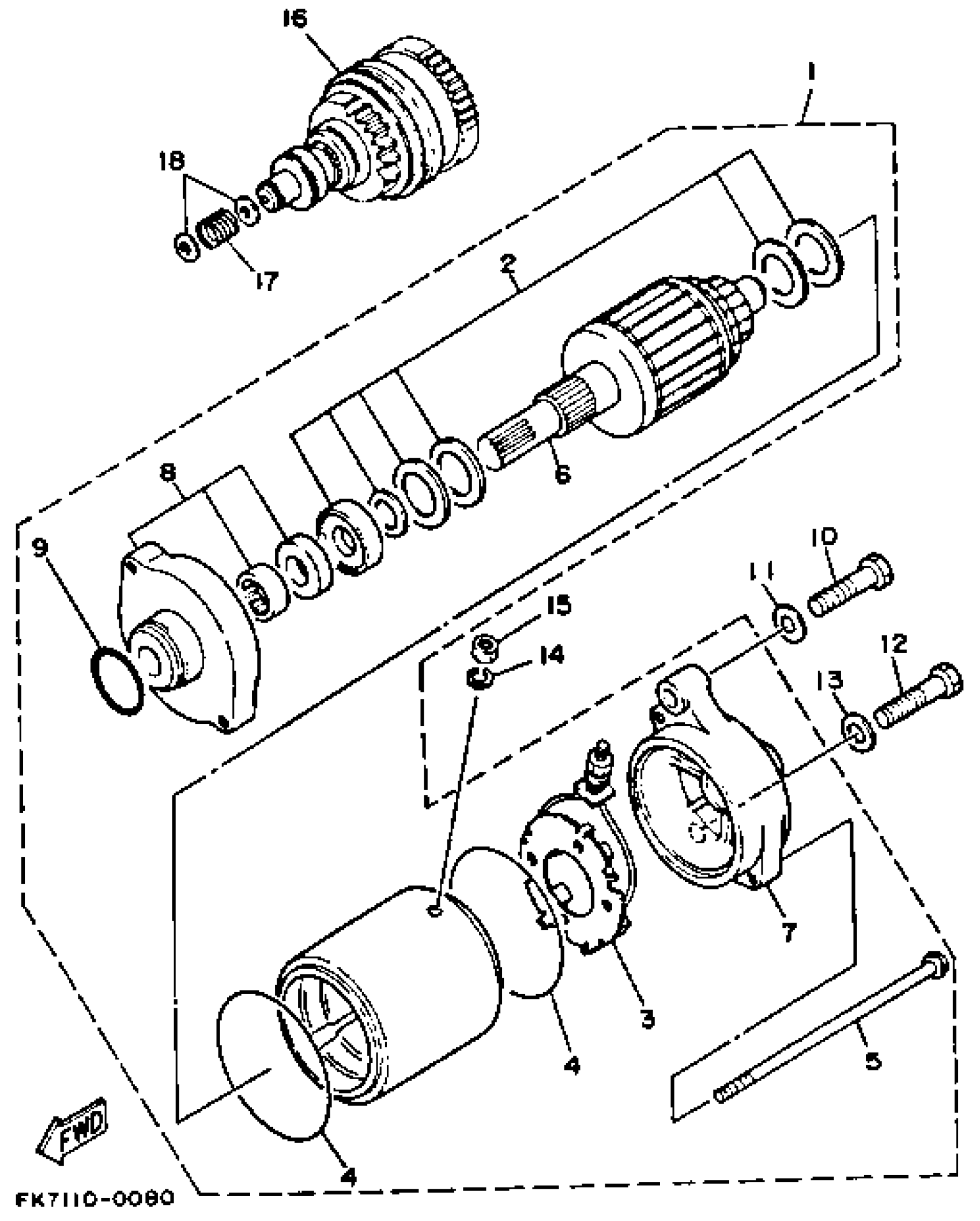
Yamaha WRA650R (WAVE RUNNER III) 1993 STARTING MOTOR Diagram
#
Description
Price
1
STARTING MOTOR ASSY
6M6-81800-10-00
Unavailable
2
WASHER KIT
3AJ-81809-00-00
Unavailable
3
. BRUSH HOLDER ASSY
6M6-81840-10-00
Unavailable
4
GASKET
35C-81844-00-00
Unavailable
5
. BOLT
6M6-81826-00-00
Unavailable
6
. ARMATURE ASSY
6M6-81850-00-00
Unavailable
7
. REAR BRACKET ASSY
6M6-81820-00-00
Unavailable
8
. FRONT BRACKET ASSY
6M6-81830-00-00
Unavailable
11
.. WASHER, PLATE
92990-08600-00
Unavailable
13
.. WASHER, PLATE
92990-08600-00
Unavailable
14
WASHER, SPRING
92995-06100-00
Unavailable
16
IDLE GEAR COMP.
6M6-8183E-01-00
Unavailable
17
SPRING, COMPRESSION
90501-14M73-00
Unavailable
18
WASHER, PLAIN (646)
92990-06600-00
Unavailable
