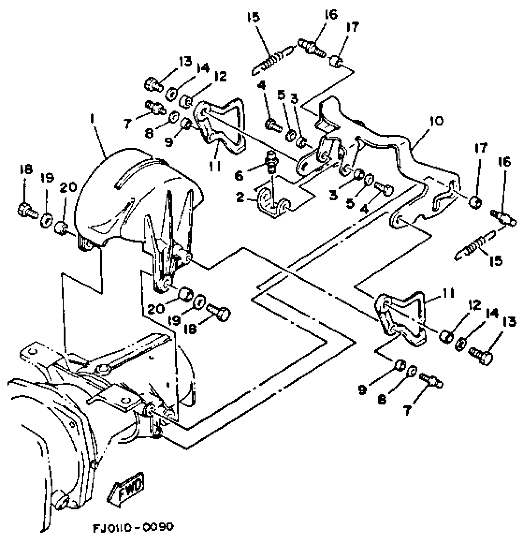
Yamaha WRA650R (WAVE RUNNER III) 1993 JET UNIT 2 Diagram
#
Description
Price
1
GATE, REVERSE
6R8-51314-02-94
Unavailable
2
LEVER, SHIFT ROD
6R8-44125-00-00
Unavailable
3
COLLAR(6R8)
90387-06M24-00
Unavailable
4
BOLT(GH1)
97080-06012-00
Unavailable
6
BOLT, JOINT
6R8-42316-00-00
Unavailable
7
PIN
6R8-44184-00-00
Unavailable
8
WASHER, PLATE
90201-06M31-00
Unavailable
9
COLLAR(6R8)
90387-06M30-00
Unavailable
10
LEVER SHIFT ROD
6R8-44121-01-00
Unavailable
11
PLATE 1
6R8-51345-00-00
Unavailable
12
COLLAR
90387-08M07-00
Unavailable
14
.. WASHER, PLATE
92990-08600-00
Unavailable
15
SPRING, TENSION
90506-16M31-00
Unavailable
16
PIN
6R8-44137-A0-00
Unavailable
17
COLLAR(64T)
90387-08M26-00
Unavailable
18
BOLT, HEXAGON
97095-08018-00
Unavailable
19
.. WASHER, PLATE
92990-08600-00
Unavailable
20
COLLAR
90387-08M08-00
Unavailable
