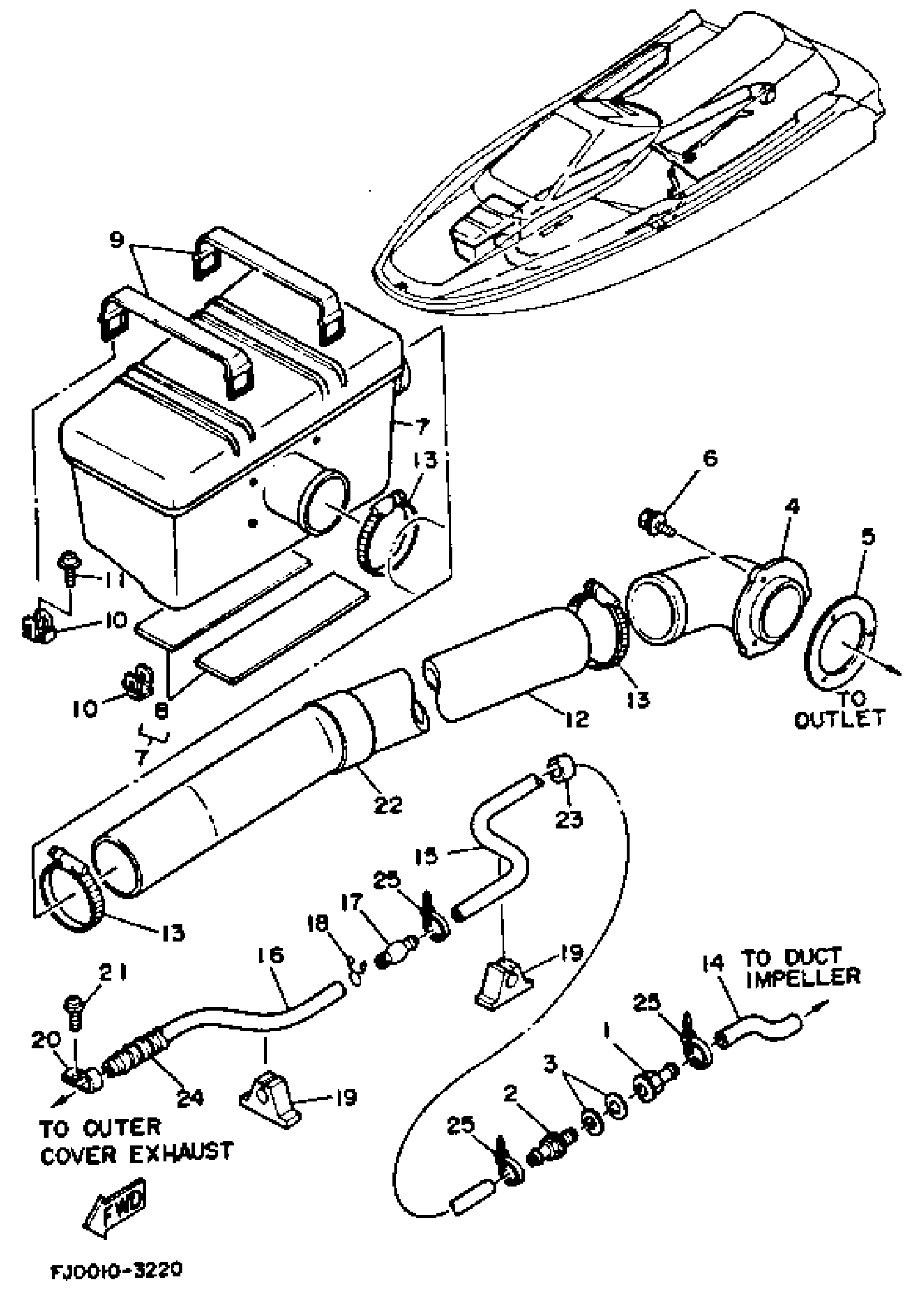
Yamaha WRA650R (WAVE RUNNER III) 1993 EXHAUST 2 Diagram
#
Description
Price
1
CONNECTION, THRU-HULL 1/4
90604-80757-00
Unavailable
2
CONNECTION, THRU-HULL 1/4
90604-80758-00
Unavailable
3
GASKET
90430-13909-00
Unavailable
4
THRU-HULL
FJ0-67565-01-00
Unavailable
5
PACKING
FJ0-67525-00-00
Unavailable
6
BOLT, WITH WASHER (EW3)
90119-05912-00
Unavailable
7
WATER LOCK COMP.
GA9-U7550-00-00
Unavailable
8
. MAT
EW2-67593-00-00
Unavailable
9
BAND
FJ0-67569-00-00
Unavailable
10
HOOK A
EU0-65772-30-00
Unavailable
11
SCREW, WITH WASHER
90159-06901-00
Unavailable
12
HOSE
GA9-U7555-00-00
Unavailable
14
HOSE
90445-14M11-00
Unavailable
15
HOSE (L1300)
90445-14M22-00
Unavailable
16
HOSE (L380)
90445-14M25-00
Unavailable
17
CONNECTION
6M6-51142-00-00
Unavailable
18
CLIP(6M6)
90467-13M13-00
Unavailable
19
CLAMP
90600-91730-00
Unavailable
20
CLIP, NYLON 17
90600-91728-00
Unavailable
21
SCREW, PANHEAD (97701-50515-00)
90149-059U1-00
Unavailable
22
PACKING, HOSE 1
FJ0-67577-02-00
Unavailable
23
PACKING, HOSE 2
FJ0-67578-00-00
Unavailable
24
HOSE (L230)
90446-20M24-00
Unavailable
25
CLAMP
90465-10098-00
Unavailable
