Yamaha WRA650Q (WAVE RUNNER III) 1992 STEERING 1 Diagram
#
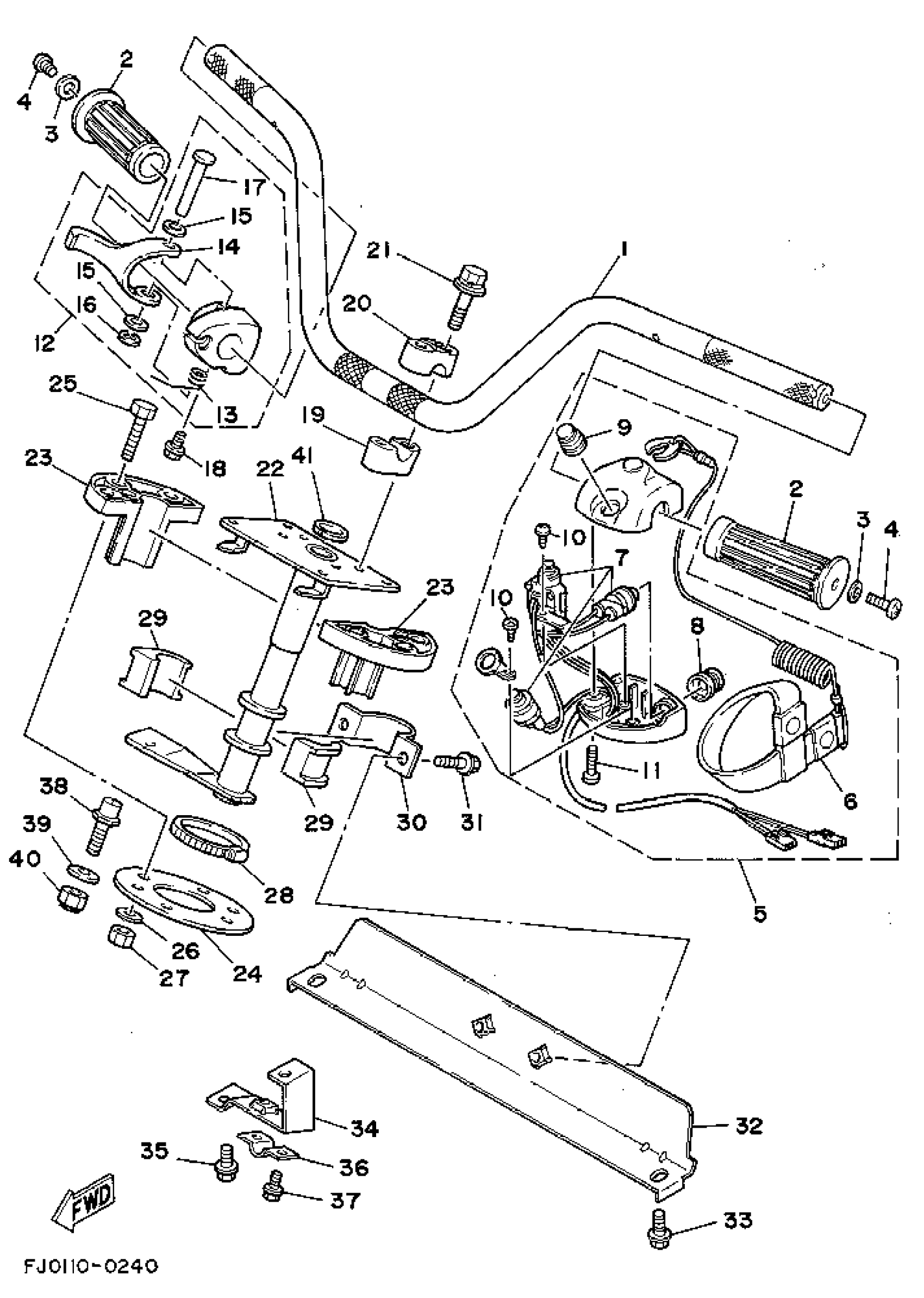
1
HANDLE
GA9-U1552-01-00
Unavailable
2
GRIP, HANDLE
EU0-26241-01-00
Unavailable
3
WASHER, PLATE
90201-05800-00
Unavailable
5
SWITCH BOX ASSY
GA7-68310-01-00
Unavailable
6
. LANYARD, STOP SWITCH
EW2-68348-00-00
Unavailable
7
SWITCH BOX ASSY
GA7-68310-01-00
Unavailable
8
. STOP BUTTON COMP
FK7-68312-02-00
Unavailable
9
. START BUTTON COMP
FK7-68313-02-00
Unavailable
12
THROTTLE LEVER ASSY
EW2-67250-02-00
Unavailable
13
. SPRING
EW2-67256-00-00
Unavailable
14
. LEVER, THROTTLE
EW2-67255-00-00
Unavailable
16
CIRCLIP (EU0)
99080-04600-00
Unavailable
17
. SHAFT
EW2-67257-01-00
Unavailable
18
SCREW, WITH WASHER
90159-05900-00
Unavailable
19
HOLDER, HANDLE UPPER
EU0-23814-02-00
Unavailable
20
HOLDER, HANDLE UPPER
EU0-23814-32-00
Unavailable
21
BOLT, WITH WASHER
90119-08925-00
Unavailable
22
COLUMN, STEERING
FJ0-61541-01-00
Unavailable
23
BEARING, COLUMN
EU0-61417-00-00
Unavailable
24
SEAL, RUBBER
EU0-61439-30-00
Unavailable
25
BOLT(JF7)
97080-06030-00
Unavailable
26
YBS66-6 WASHER, PLAIN
92990-06200-00
Unavailable
27
NUT, SELF-LOCKING
95720-06300-00
Unavailable
28
BAND, HOSE 42
90601-14271-00
Unavailable
29
BEARING, STEERING
8F3-23812-00-00
Unavailable
30
JOINT, BEARING
EU0-61588-00-00
Unavailable
31
BOLT, WITH WASHER
90119-08903-00
Unavailable
32
BRACKET, BEARING
FJ0-61433-00-00
Unavailable
33
BOLT, WITH WASHER
90119-08903-00
Unavailable
34
BRACKET, STOPPER CABLE
FJ0-61467-30-00
Unavailable
35
BOLT, WITH WASHER
90119-06926-00
Unavailable
36
STOPPER CABLE
EU0-U1468-00-00
Unavailable
37
BOLT, WITH WASHER
90119-06926-00
Unavailable
38
PIN, STOPPER
EU0-61314-30-00
Unavailable
39
958-69527-00 WASHER, PLAIN
92990-10200-00
Unavailable
40
NUT, NYLON (FN8)
95720-10300-00
Unavailable
41
PACKING, STEERING COLUMN
EU0-61469-00-00
Unavailable
