- Partiron
- OEM Parts
- Yamaha
- waverunner
- 1990
- WRA650D (WAVE RUNNER III) 1990
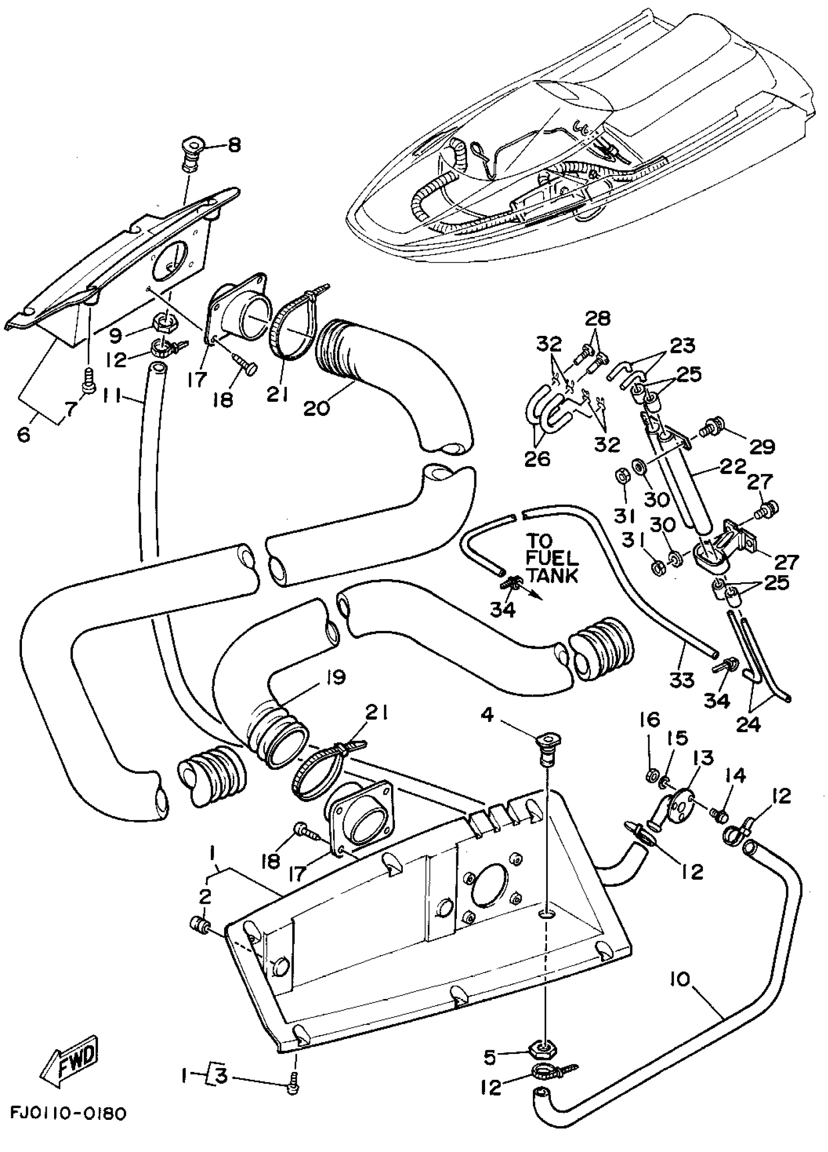
VENTILATION
Yamaha WRA650D (WAVE RUNNER III) 1990 VENTILATION Diagram
#
1
COVER, VENTILATOR (LH)
GA9-U213B-00-00
Unavailable
2
. NUT
90179-08927-00
Unavailable
3
SCREW, PANHEAD (97701-50515-00)
90149-059U1-00
Unavailable
4
BODY, DRAIN 1
EU0-62241-00-00
Unavailable
5
. NUT, DRAIN 1
EU0-62241-30-00
Unavailable
6
COVER, VENTILATOR (RH)
GA9-U213C-00-00
Unavailable
8
BODY, DRAIN 1
EU0-62241-00-00
Unavailable
9
. NUT, DRAIN 1
EU0-62241-30-00
Unavailable
10
HOSE 1
90669-03030-00
Unavailable
11
HOSE 1
90669-03030-00
Unavailable
12
BAND
90601-200U1-00
Unavailable
13
DRAIN 2
EU0-62242-00-00
Unavailable
14
SCREW
98980-04016-00
Unavailable
16
NUT, NYLON (EJ3)
90185-04903-00
Unavailable
17
BASE, AIR INTAKE
FJ0-62127-00-00
Unavailable
19
VENTILATION HOSE (LH)
FJ0-62136-10-00
Unavailable
20
VENTILATION HOSE (RH)
FJ0-62136-20-00
Unavailable
21
BAND
90601-20008-00
Unavailable
22
PIPE, VENTILATION
FJ0-62149-00-00
Unavailable
23
ELBOW, VENTILATOR 11
FJ0-62156-00-00
Unavailable
24
ELBOW, VENTILATOR 12 (EU0-62156-30-00)
EU0-62156-31-00
Unavailable
25
CAP
EU0-62155-00-00
Unavailable
26
HOSE
F3D-6215E-00-00
Unavailable
27
SUPPORT
FJ0-62151-00-00
Unavailable
28
NIPPLE
FJ0-62159-00-00
Unavailable
29
SCREW, WITH WASHER
90159-05900-00
Unavailable
30
. WASHER, PLAIN
92990-05200-00
Unavailable
31
. NUT, M5 X 08 NYLON LOCK
95780-05300-00
Unavailable
32
CLAMP
90465-10098-00
Unavailable
33
HOSE, AIR VENT 4
FJ0-67856-30-00
Unavailable
34
CLAMP
90465-10098-00
Unavailable
