- Partiron
- OEM Parts
- Yamaha
- waverunner
- 1990
- WRA650D (WAVE RUNNER III) 1990
FUEL FILTER
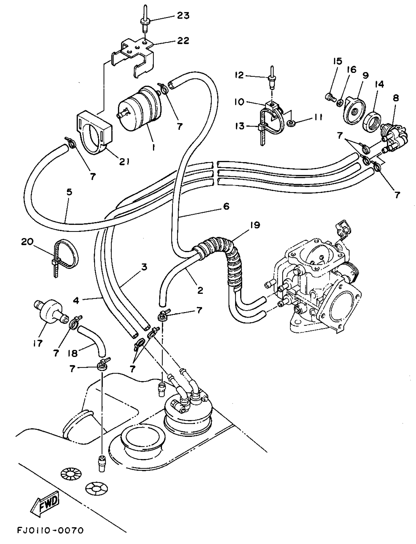
Yamaha WRA650D (WAVE RUNNER III) 1990 FUEL FILTER Diagram
#
Description
Price
1
FILTER ASSY
6K8-24560-21-00
Unavailable
3
HOSE (L1700)
90445-10M87-00
Unavailable
4
HOSE (L1700)
90445-10M87-00
Unavailable
5
HOSE (L1700)
90445-10M87-00
Unavailable
6
HOSE (L400)
90445-10M43-00
Unavailable
7
CLAMP
90465-10098-00
Unavailable
8
FUEL COCK ASSY 1
6K8-24500-03-00
Unavailable
9
LEVER, COCK
6K8-24524-10-00
Unavailable
10
CLAMP (90600-91729-00)
[90-60092-52-70
Unavailable
11
. WASHER, PLAIN
90201-05925-00
Unavailable
12
RIVET, BLIND
90267-48802-00
Unavailable
13
BAND
90601-20008-00
Unavailable
14
NUT
90170-22M11-00
Unavailable
16
WASHER, PLAIN (646)
92990-04600-00
Unavailable
17
CHECK VALVE
EU0-67767-31-00
Unavailable
18
HOSE, AIR VENT 1
EU0-67856-00-00
Unavailable
19
SPI-LAP 11
90699-36100-00
Unavailable
20
BAND (EU0)
90601-20009-00
Unavailable
21
HOLDER
EU0-67817-00-00
Unavailable
22
BRACKET, FUEL FILTER
FN8-67816-00-00
Unavailable
23
RIVET (EU0)
90267-48938-00
Unavailable
