- Partiron
- OEM Parts
- Yamaha
- waverunner
- 1990
- WR650D (WAVE RUNNER LX) 1990
ELECTRICAL 1
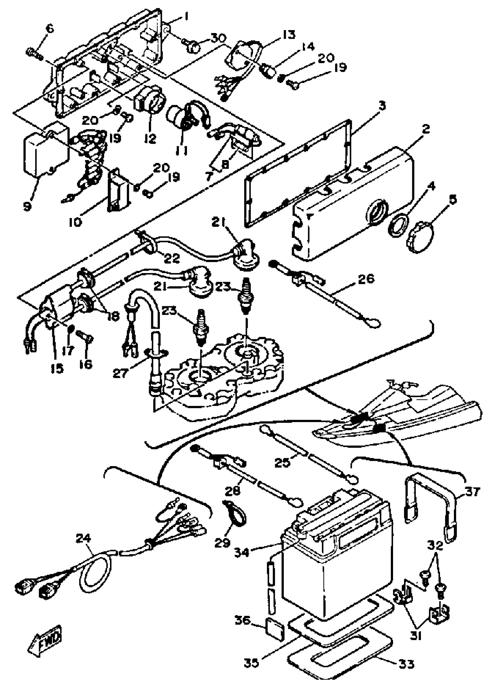
Yamaha WR650D (WAVE RUNNER LX) 1990 ELECTRICAL 1 Diagram
#
1
HOUSING
6M6-8552A-01-8P
Unavailable
2
COVER, CASE
6M6-8552E-01-00
Unavailable
3
GASKET, TERMINAL
6M6-81921-00-00
Unavailable
4
GASKET
6M6-81844-00-00
Unavailable
5
CAP
6M6-8132W-00-00
Unavailable
6
SCREW, TAPPING(65J)
97780-60625-00
Unavailable
9
C.D.I. UNIT ASSY
6M6-85540-02-00
Unavailable
10
CLAMP
90464-06M29-00
Unavailable
11
STARTER RELAY ASSY
6G1-81941-10-00
Unavailable
12
HOLDER, RELAY
6M6-81952-01-00
Unavailable
13
RECTIFIER & REGULATOR ASSY
6M6-81960-A0-00
Unavailable
14
CLAMP
90465-08028-00
Unavailable
15
IGNITION COIL ASSEMBLY
6R8-85570-00-00
Unavailable
16
SCREW, PAN HEAD(6E0)
97885-06030-00
Unavailable
17
WASHER, PLAIN (646)
92990-06600-00
Unavailable
18
GROMMET
90480-06M43-00
Unavailable
19
SCREW, PAN
98507-06014-00
Unavailable
20
WASHER, PLAIN (646)
92990-06600-00
Unavailable
21
PLUG CAP ASSEMBLY
6M6-82370-00-00
Unavailable
22
TOOL
UNA-VAILA-BL-EI
Unavailable
23
BR8HS NGK SCREW TOP PLUG 4PK
BR8-HS000-00-00
Unavailable
24
EXTENSION, WIRE LEAD
6M6-82553-01-00
Unavailable
25
WIRE,LEAD
62T-82117-01-00
Unavailable
26
WIRE, LEAD
6M6-82117-11-00
Unavailable
27
THERMOSWITCH ASSEMBLY
6M6-82560-00-00
Unavailable
28
WIRE, LEAD
6M6-82117-21-00
Unavailable
29
CLAMP
90465-10098-00
Unavailable
30
BOLT, WITH WASHER
90119-08907-00
Unavailable
31
HOOK A
EU0-65772-30-00
Unavailable
32
SCREW, WITH WASHER
90159-06901-00
Unavailable
33
PLATE, BATTERY
EU0-68219-00-00
Unavailable
34
YB16CLB YUASA BATTERY
YB1-6CLB0-00-00
Unavailable
35
PAD, BATTERY 1
EU0-68221-00-00
Unavailable
36
PAD, BATTERY 2
EU0-68221-30-00
Unavailable
37
BAND,BATTERY
EU0-68218-04-00
Unavailable
