- Partiron
- OEM Parts
- Yamaha
- motorcycle
- 1993
- WR500ZE (WR500Z) 1993
GENERATOR
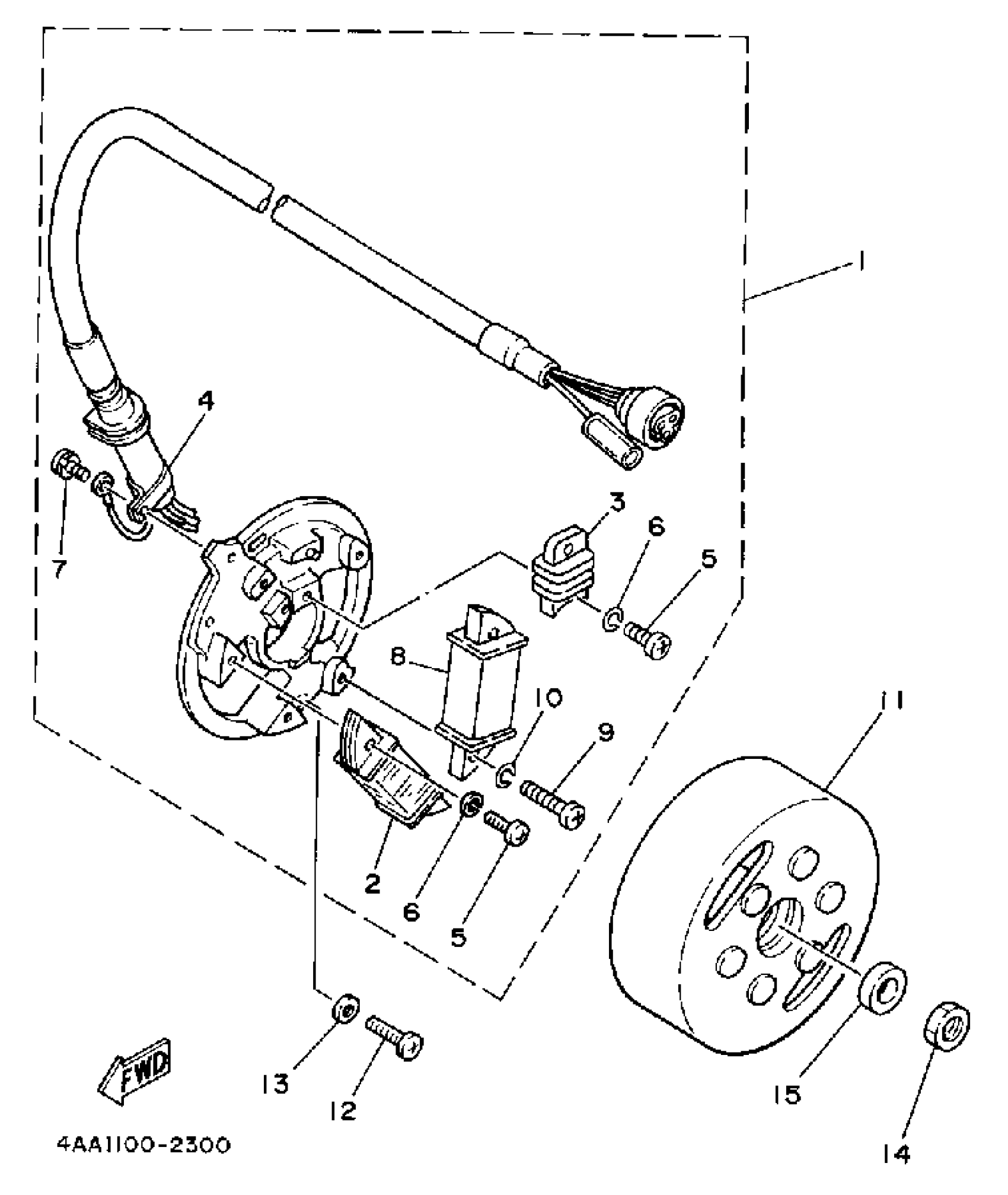
Yamaha WR500ZE (WR500Z) 1993 GENERATOR Diagram
#
Description
Price
1
STATOR ASSEMBLY
25Y-85510-21-00
Unavailable
2
. COIL, CHARGE
25Y-85520-21-00
Unavailable
3
. COIL, PULSER
23X-85580-20-00
Unavailable
7
SCREW, PAN HEAD(3XP)
98517-04006-00
Unavailable
8
. COIL, LIGHTING 1
4V6-85513-20-00
Unavailable
9
SCREW, PAN
98507-04030-00
Unavailable
11
ROTOR ASSEMBLY
23X-85550-20-00
Unavailable
