- Partiron
- OEM Parts
- Yamaha
- waverunner
- 1993
- WR500R (WAVE RUNNER) 1993
CRANKSHAFT - PISTON
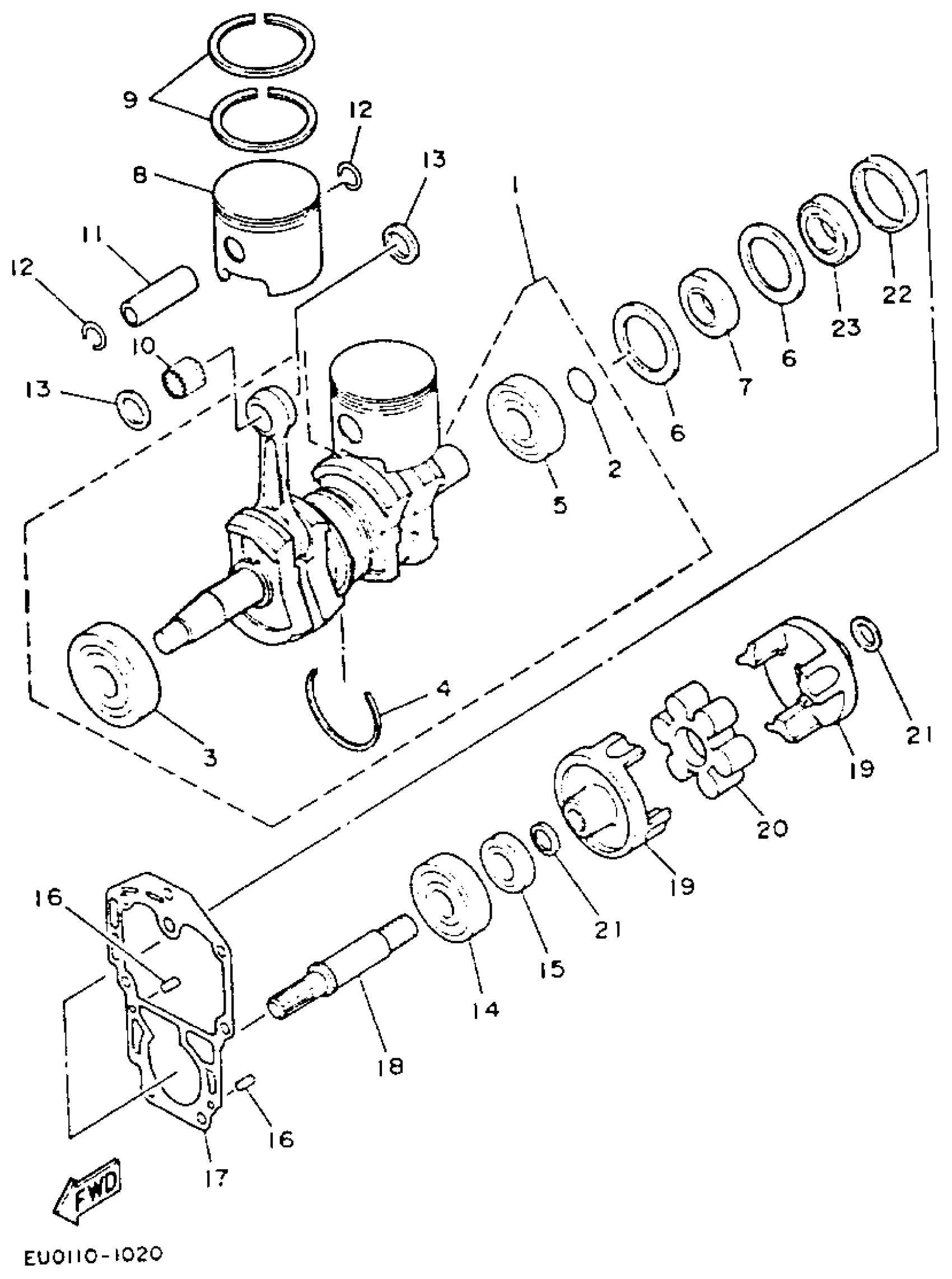
Yamaha WR500R (WAVE RUNNER) 1993 CRANKSHAFT - PISTON Diagram
#
Description
Price
1
CRANKSHAFT ASSEMBLY
6K8-11400-00-00
Unavailable
2
. O-RING
93210-16275-00
Unavailable
3
. BEARING
93306-306U3-00
Unavailable
4
. CIRCLIP, OUTER
93440-62021-00
Unavailable
6
WASHER, PLATE
90201-50306-00
Unavailable
7
. OIL SEAL, S-TYPE
93101-25M38-00
Unavailable
8
PISTON (STD) (STD)
6K8-11631-00-95
Unavailable
8
PISTON 2 O/S 0.50 (0.50MM O/S)
6K8-11636-00-00
Unavailable
9
PISTON RING SET (STD)
6K8-11610-01-00
Unavailable
9
PISTON RING SET (2ND O/S)
6K8-11610-21-00
Unavailable
10
PIN, DOWEL
93602-20M02-00
Unavailable
11
PIN, PISTON
689-11633-00-00
Unavailable
12
CLIP, PISTON PIN
688-11634-00-00
Unavailable
13
WASHER, PLATE
90201-20M27-00
Unavailable
14
BEARING
93306-305U6-00
Unavailable
15
. OIL SEAL
93102-25M28-00
Unavailable
16
PIN, DOWEL (614)
93606-12019-00
Unavailable
17
GASKET, UPPER CASIN
6K8-45113-A0-00
Unavailable
18
SHAFT, DRIVE 4
6K8-45514-00-00
Unavailable
19
FLANGE COUPLING
6K8-45813-00-9M
Unavailable
20
RUBBER SHAFT CPLNG
6K8-4581J-00-00
Unavailable
21
WASHER, PLATE
90201-20M21-00
Unavailable
22
COLLAR
6K8-11478-00-00
Unavailable
23
. OIL SEAL, S-TYPE
93101-25M38-00
Unavailable
