- Partiron
- OEM Parts
- Yamaha
- waverunner
- 1992
- WR500Q (WAVE RUNNER) 1992
STARTING MOTOR
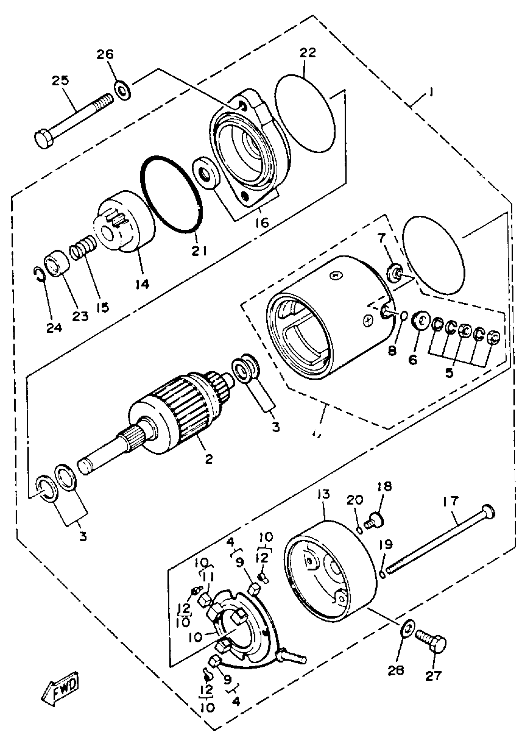
Yamaha WR500Q (WAVE RUNNER) 1992 STARTING MOTOR Diagram
#
1
STARTING MOTOR ASSEMBLY
6K8-81800-12-00
Unavailable
2
. ARMATURE ASSEMBLY
6K8-81850-12-00
Unavailable
3
. WASHER KIT
6K8-81809-10-00
Unavailable
4
. STATOR ASSEMBLY
6K8-81810-10-00
Unavailable
5
.. NUT WASHER KIT
6K8-8182V-10-00
Unavailable
6
.. TERMINAL BUSH (1) (1)
6K8-8182G-10-00
Unavailable
7
.. TERMINAL BUSH (2) (2)
6K8-8182H-10-00
Unavailable
8
O-RING
6K8-81847-10-00
Unavailable
9
.. BRUSH 1
6K8-81811-10-00
Unavailable
10
. BRUSH HOLDER ASSEMBLY
6K8-81840-10-00
Unavailable
11
.. BRUSH 2
6K8-81812-10-00
Unavailable
12
.. SPRING, BRUSH
6K8-81813-10-00
Unavailable
13
. REAR BRACKET ASSEMBLY
6K8-81820-10-00
Unavailable
14
. PINION ASSY, STARTING MOTOR
6K8-81807-10-00
Unavailable
15
. SPRING, RETURN
676-81858-10-00
Unavailable
16
. FORNT BRACKET ASSEMBLY
6K8-81830-10-00
Unavailable
17
. BOLT
6K8-81826-10-00
Unavailable
18
. SCREW
6K8-81846-10-00
Unavailable
19
O-RING
6K8-81847-10-00
Unavailable
20
. O-RING (1) (1)
6K8-8182L-10-00
Unavailable
21
. O-RING (3) (3)
6K8-8182N-10-00
Unavailable
22
. O-RING (4) (4)
6K8-8182R-10-00
Unavailable
23
. STOPPER, PINION
676-81859-10-00
Unavailable
24
. RING
663-81834-10-00
Unavailable
25
BOLT (6K8)
97013-08075-00
Unavailable
26
.. WASHER, PLATE
92990-08600-00
Unavailable
27
BOLT(7U8)
97080-06020-00
Unavailable
28
WASHER, PLAIN (646)
92990-06600-00
Unavailable
