- Partiron
- OEM Parts
- Yamaha
- waverunner
- 1992
- WR500Q (WAVE RUNNER) 1992
CARBURETOR
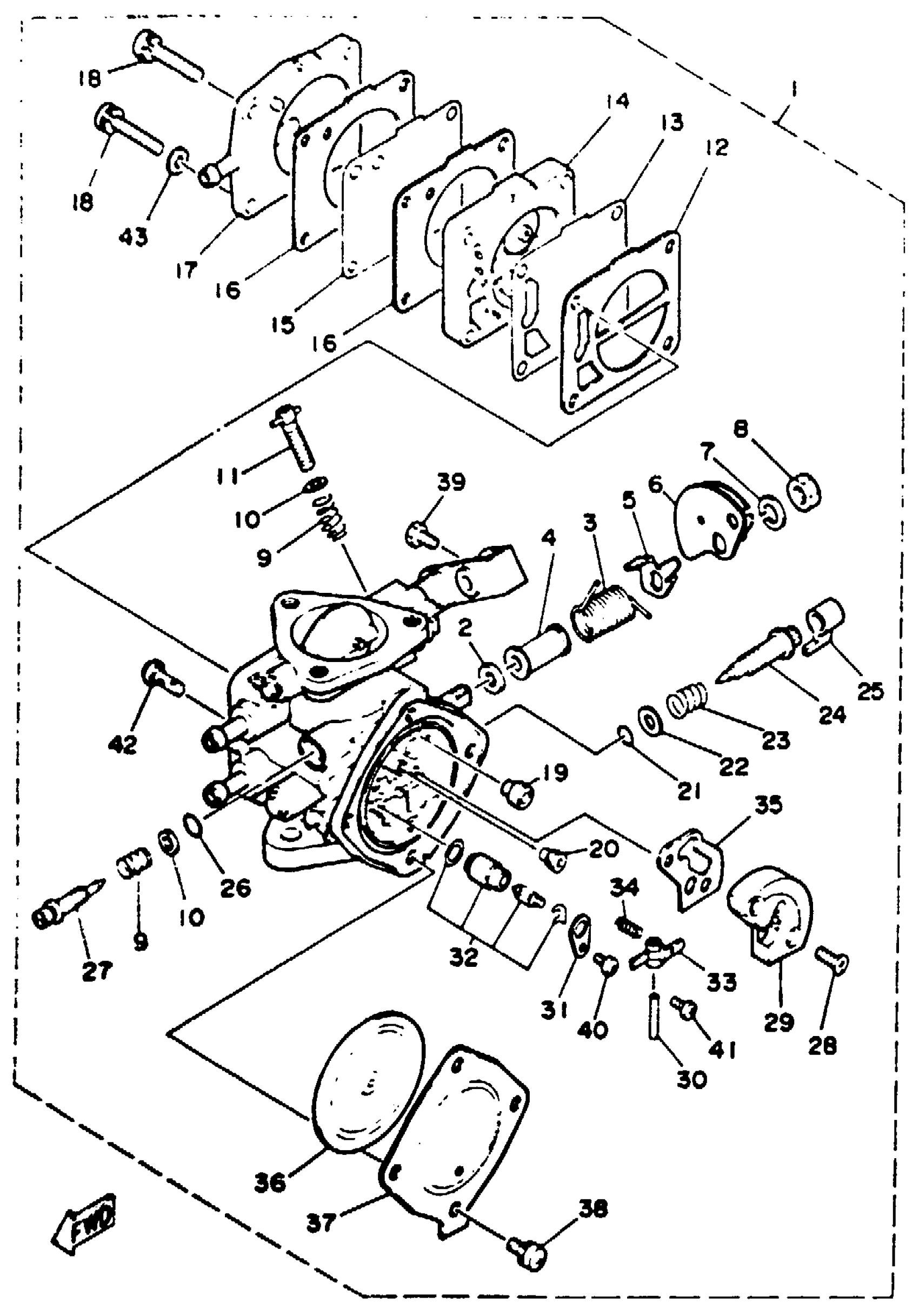
Yamaha WR500Q (WAVE RUNNER) 1992 CARBURETOR Diagram
#
1
CARBURETOR ASSEMBLY 1
6K8-14301-11-00
Unavailable
2
. WASHER
6K8-14596-10-00
Unavailable
3
. SPRING
6K8-14556-10-00
Unavailable
4
. COLLAR
6K8-14534-10-00
Unavailable
5
. BRACKET, THROTTLE 1
6K8-14926-10-00
Unavailable
6
. THROTTLE SHAFT ASSEMBLY
6K8-14930-00-00
Unavailable
8
. NUT
95380-08700-00
Unavailable
9
. SPRING, ADJUST SCREW
6K8-14533-00-00
Unavailable
10
WASHER,NEEDLE
812-14235-00-00
Unavailable
11
. SCREW, ADJUST
6K8-14521-00-00
Unavailable
12
. GASKET, BODY 2
6K8-24435-10-00
Unavailable
13
. DIAPHRAGM
6K8-24411-10-00
Unavailable
14
. BODY 2
6K8-24413-10-00
Unavailable
15
. VALVE, CHECK
6K8-24421-10-00
Unavailable
16
. GASKET, FUEL PUMP 1
6K8-24431-10-00
Unavailable
17
. COVER
6K8-24452-10-00
Unavailable
18
SCREW, WITH WASHER(61B)
97985-05330-00
Unavailable
19
. JET, MAIN 80 (80)
3G2-14231-16-00
Unavailable
20
JET,MAIN #77.5
830-1423A-66-00
Unavailable
21
. O-RING
6K8-14561-00-00
Unavailable
22
. WASHER
6K8-14537-00-00
Unavailable
23
. SPRING
6K8-14589-00-00
Unavailable
24
. SCREW, PILOT
6K8-14923-10-00
Unavailable
25
. CAP, CARBURETOR
6K8-14481-10-00
Unavailable
26
. O-RING
6K8-14562-00-00
Unavailable
27
. PLATE, NEEDLE FITTING
6K8-14946-10-00
Unavailable
28
. SCREW, FLAT HEAD (98702-04014-00 )
6K8-14523-10-00
Unavailable
29
BODY 1
6K8-24412-11-00
Unavailable
30
. PIN, FLOAT
6K8-14579-00-00
Unavailable
31
. PLATE
6K8-14527-11-00
Unavailable
32
NEEDLE
61X-14916-16-00
Unavailable
33
. ARM, FLOAT
6K8-14547-01-00
Unavailable
34
. SPRING
6K8-14253-10-00
Unavailable
35
. GASKET
6K8-14536-11-00
Unavailable
36
. DIAPHRAM, PUMP
6K8-14541-10-00
Unavailable
37
BODY,PUMP 1
6R7-14542-10-00
Unavailable
38
. SCREW
6K8-14591-10-00
Unavailable
39
. SCREW
6K8-14592-00-00
Unavailable
40
. SCREW, ADJUST
6K8-14522-00-00
Unavailable
41
SCREW, FLAT
98707-03008-00
Unavailable
42
. STRAINER
[6K-81456-91-10
Unavailable
43
WASHER, PLAIN (646)
92990-05600-00
Unavailable
