- Partiron
- OEM Parts
- Yamaha
- waverunner
- 1987
- WR500H (WAVE RUNNER) 1987
ELECTRICAL 1
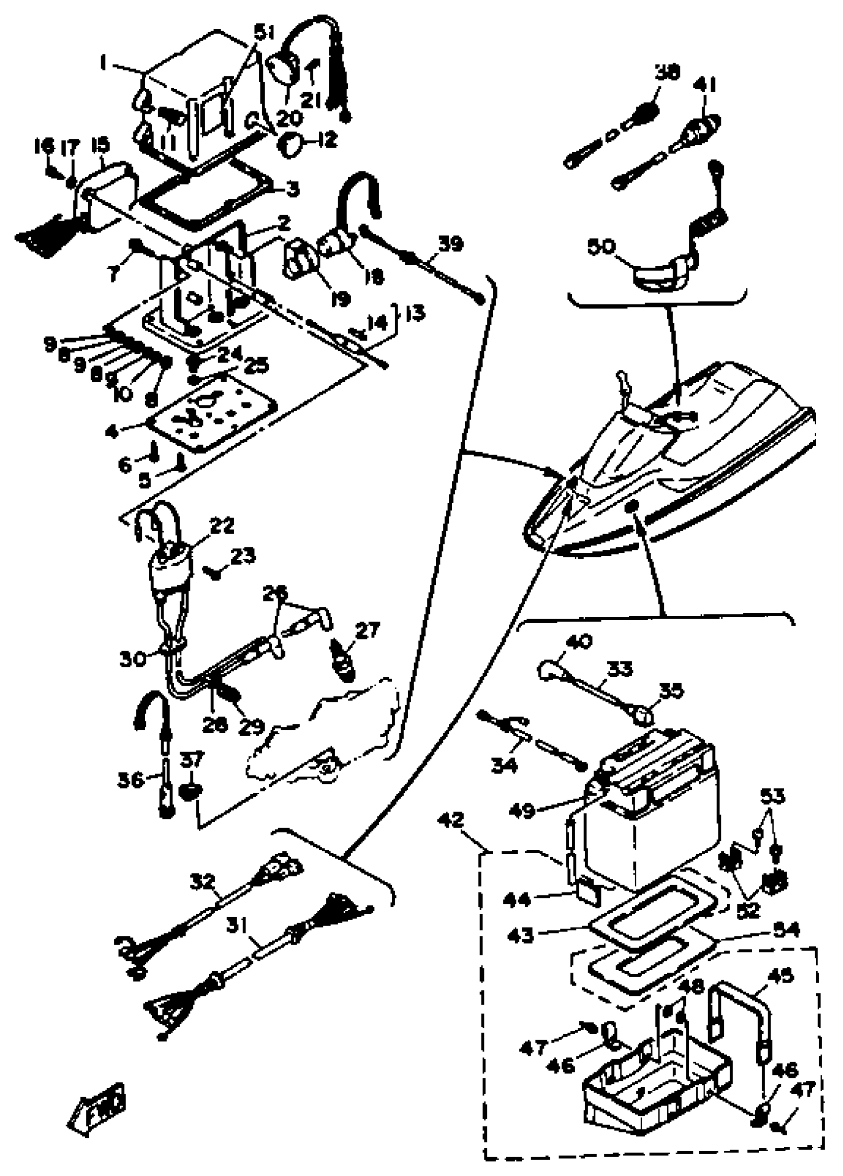
Yamaha WR500H (WAVE RUNNER) 1987 ELECTRICAL 1 Diagram
#
1
HOUSING
6K8-8552A-00-00
Unavailable
2
COVER CASE
6K8-8552E-00-00
Unavailable
3
GASKET, TERMINAL
6K8-81921-00-00
Unavailable
4
COVER
6K8-85599-00-00
Unavailable
5
SCREW, TAPPING
97780-60535-00
Unavailable
6
SCREW, TAPPING
97780-60520-00
Unavailable
8
NUT
95313-06700-00
Unavailable
10
WASHER, SPRING
92995-06100-00
Unavailable
11
BOLT,WITH WASHER
90119-06940-00
Unavailable
12
COVER, UPPER CASIN
647-45151-02-00
Unavailable
15
CDI UNIT ASSEMBLY
6K8-85540-10-00
Unavailable
15
CDI UNIT ASSEMBLY
6K8-85540-11-00
Unavailable
16
SCREW, TAPPING(65J)
97780-60625-00
Unavailable
17
WASHER, PLAIN (646)
92990-06600-00
Unavailable
18
STARTER RELAY ASSY
6G1-81941-10-00
Unavailable
19
HOLDER, RELAY
6G1-81952-01-00
Unavailable
20
RECTIFIER/REG ASSEMBLY ASSY
6K8-81960-A0-00
Unavailable
21
SCREW, TAPPING
97780-60512-00
Unavailable
22
IGNITION COIL
6K8-85570-19-00
Unavailable
23
SCREW, TAPPING(65J)
97780-60625-00
Unavailable
24
GROMMET
90480-18M21-00
Unavailable
25
COLLAR
90387-18M00-00
Unavailable
26
PLUG CAP ASSY
682-82370-00-00
Unavailable
27
B7HS NGK 4PK
B7H-S0000-00-00
Unavailable
28
GROMMET
90480-25M18-00
Unavailable
29
CLAMP
90464-07M05-00
Unavailable
30
GROMMET
90480-25M18-00
Unavailable
31
EXT, WIRE HARNESS
6K8-8258A-02-00
Unavailable
31
EXT, WIRE HARNESS
6K8-8258A-02-00
Unavailable
32
EXTENSION, WIRE
6K8-82553-00-00
Unavailable
33
WIRE, LEAD
6K8-82117-01-00
Unavailable
34
WIRE,LEAD
6K8-82117-11-00
Unavailable
35
COVER, LEAD WIRE
6K8-82119-10-00
Unavailable
36
THERMO SWITCH ASSEMBLY
6K8-82560-00-00
Unavailable
37
PLATE
6K8-82588-00-00
Unavailable
38
START SWITCH ASSEMBLYASSY
6K8-81870-00-00
Unavailable
39
WIRE,LEAD
6K8-82117-11-00
Unavailable
40
COVER, LEAD WIRE
6K8-82119-00-00
Unavailable
41
ENGINE STOP SWITCHSWITCH ASSY
EU0-68347-00-00
Unavailable
42
BATTERY CASE
EU0-68211-09-00
Unavailable
43
PAD, BATTERY
F1S-U8221-00-00
Unavailable
44
PAD, BATTERY 2
EU0-68221-30-00
Unavailable
45
BAND,BATTERY
EU0-68218-04-00
Unavailable
46
. HOOK
EU0-65772-00-00
Unavailable
47
RIVET, BLIND(EU0,USA)
90267-489U9-00
Unavailable
48
. WASHER, PLATE
90201-05328-00
Unavailable
49
YB16CLB YUASA BATTERY
YB1-6CLB0-00-00
Unavailable
50
. LANYARD, STOP SWITCH
EW2-68348-00-00
Unavailable
51
MARK 1
6K8-83621-00-00
Unavailable
52
HOOK A
EU0-65772-30-00
Unavailable
53
SCREW, WITH WASHER
90159-06901-00
Unavailable
54
PLATE, BATTERY
EU0-68219-00-00
Unavailable
