Yamaha WR500F (WAVE RUNNER) 1989 STEERING Diagram
#
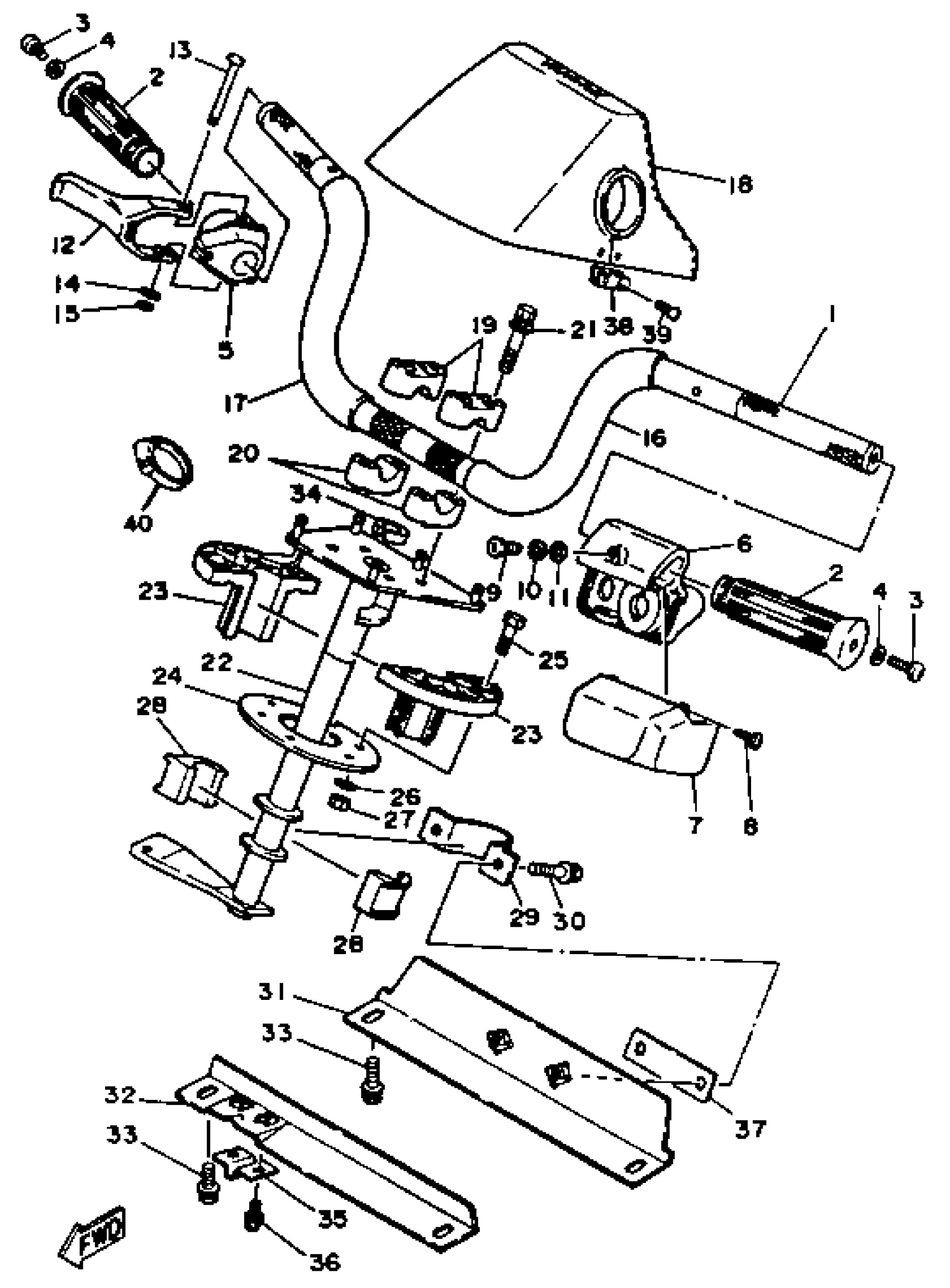
1
HANDLE
EU0-U1552-00-00
Unavailable
2
GRIP, handle
EU0-26241-30-00
Unavailable
3
SCREW, PAN HEAD
98580-05020-00
Unavailable
5
BRACKET
99999-01989-00
Unavailable
5
BRACKET
EU0-67254-01-00
Unavailable
5
SPRING
EU0-67256-00-00
Unavailable
6
BRACKET
EU0-68196-00-00
Unavailable
7
BRACKET
EU0-68196-30-00
Unavailable
8
SCREW, TAPPING (97780-40108-00)
97780-40508-00
Unavailable
9
SCREW, PAN HEAD
98580-05020-00
Unavailable
11
. WASHER, PLAIN
92990-05200-00
Unavailable
12
LEVER, THROTTLE
81E-42138-00-00
Unavailable
13
PIN
EU0-61522-01-00
Unavailable
14
YBS66-6 WASHER, PLAIN
92990-06200-00
Unavailable
15
CIRCLIP (EU0)
99080-04600-00
Unavailable
16
PROTECTOR TUBE LH
EU0-61489-11-00
Unavailable
17
PROTECTOR TUBE RH
EU0-61489-21-00
Unavailable
18
PAD, STEERING
EU0-61421-42-00
Unavailable
19
HOLDER, HANDLE UPPER
EU0-23814-02-00
Unavailable
20
HOLDER, HANDLE UPPER
EU0-23814-32-00
Unavailable
21
BOLT, WITH WASHER
90119-08925-00
Unavailable
22
COLUMN, STEERING
EU0-61541-01-00
Unavailable
23
BEARING, COLUMN
EU0-61417-00-00
Unavailable
24
SEAL, RUBBER
EU0-61439-30-00
Unavailable
25
BOLT(JF7)
97080-06030-00
Unavailable
26
YBS66-6 WASHER, PLAIN
92990-06200-00
Unavailable
27
NUT, FLANGE
95780-06300-00
Unavailable
28
BEARING, STEERING
8F3-23812-00-00
Unavailable
29
JOINT, BEARING
EU0-61588-00-00
Unavailable
30
BOLT, WITH WASHER
90119-08903-00
Unavailable
31
BRACKET, BEARING
EU0-61433-01-00
Unavailable
32
BRACKET, STOPPER CABLE
EU0-61467-01-00
Unavailable
33
BOLT, WITH WASHER
90119-08903-00
Unavailable
34
PACKING, STEERING COLUMN
EU0-61469-00-00
Unavailable
35
STOPPER CABLE
EU0-U1468-00-00
Unavailable
36
BOLT, WITH WASHER
90119-06926-00
Unavailable
37
LINER
EU0-61525-00-00
Unavailable
38
PLATE, STEERING PAD
EU0-61422-40-00
Unavailable
39
SCREW
90149-04940-00
Unavailable
40
BAND, HOSE 42
90601-14271-00
Unavailable
