- Partiron
- OEM Parts
- Yamaha
- motorcycle
- 2004
- WR450FS (WR450F) 5TJ5 2004
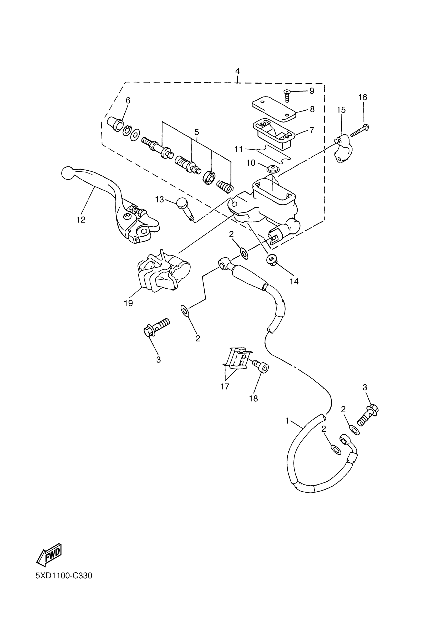
FRONT MASTER CYLINDER
Yamaha WR450FS (WR450F) 5TJ5 2004 FRONT MASTER CYLINDER Diagram
#
Description
Price
1
HOSE, BRAKE 1
5TJ-25872-00-00
Unavailable
2
WASHER, PLATE(481)
90201-10118-00
Unavailable
16
BOLT, FITTING
5MV-25833-00-00
Unavailable
17
CLAMP(26A)
90465-16258-00
Unavailable
18
BOLT,SOCKET
91317-06014-00
Unavailable
19
COVER, HANDLE LEVER 1
5NY-26372-00-00
Unavailable
