- Partiron
- OEM Parts
- Yamaha
- motorcycle
- 2004
- WR450FS (WR450F) 5TJ5 2004
ELECTRICAL 1
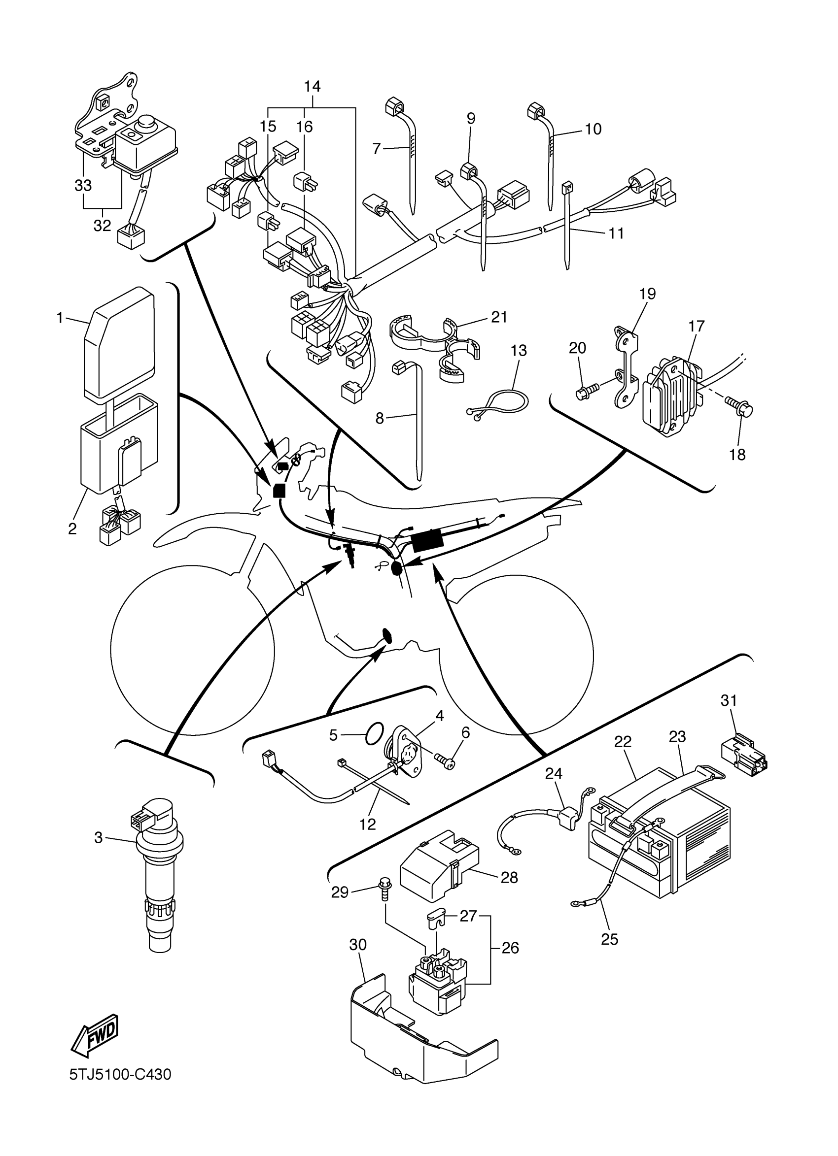
Yamaha WR450FS (WR450F) 5TJ5 2004 ELECTRICAL 1 Diagram
#
Description
Price
1
C.D.I. UNIT ASSY
5TJ-85540-50-00
Unavailable
14
WIRE HARNESS ASSY
5TJ-82590-50-00
Unavailable
16
DIODE ASSY
4WA-81980-00-00
Unavailable
17
RECTIFIER & REGULATOR ASSY
5TJ-81960-02-00
Unavailable
18
. BOLT, FLANGE
95027-06020-00
Unavailable
19
BRACKET, REGULATOR
5TJ-2128A-01-00
Unavailable
20
BOLT, FLANGE(4MY)
95027-06010-00
Unavailable
21
CLAMP(MG5)
90464-29223-00
Unavailable
22
BATTERY ASSY (YTZ7S(F))
5TJ-82100-01-00
Unavailable
23
BAND, BATTERY
8CY-82131-00-00
Unavailable
24
WIRE, PLUS LEAD
5TJ-82115-00-00
Unavailable
25
WIRE, MINUS LEAD
5TJ-82116-00-00
Unavailable
26
STARTER RELAY ASSY (RC19-042)
5TJ-81940-12-00
Unavailable
27
FUSE (10A)
42X-82151-00-00
Unavailable
28
COVER, LEAD WIRE
5SL-82119-10-00
Unavailable
29
BOLT, SMALL FLANGE
95027-06008-00
Unavailable
30
HOLDER, RELAY
5TJ-81952-00-00
Unavailable
31
RELAY ASSY (8DM-00)
8DM-81950-00-00
Unavailable
32
MAIN SWITCH ASSY
5TJ-82510-00-00
Unavailable
33
. STAY, MAIN SWITCH
5TJ-82514-00-00
Unavailable
