- Partiron
- OEM Parts
- Yamaha
- motorcycle
- 2012
- WR450FB (WR450F) 1DX3 2012
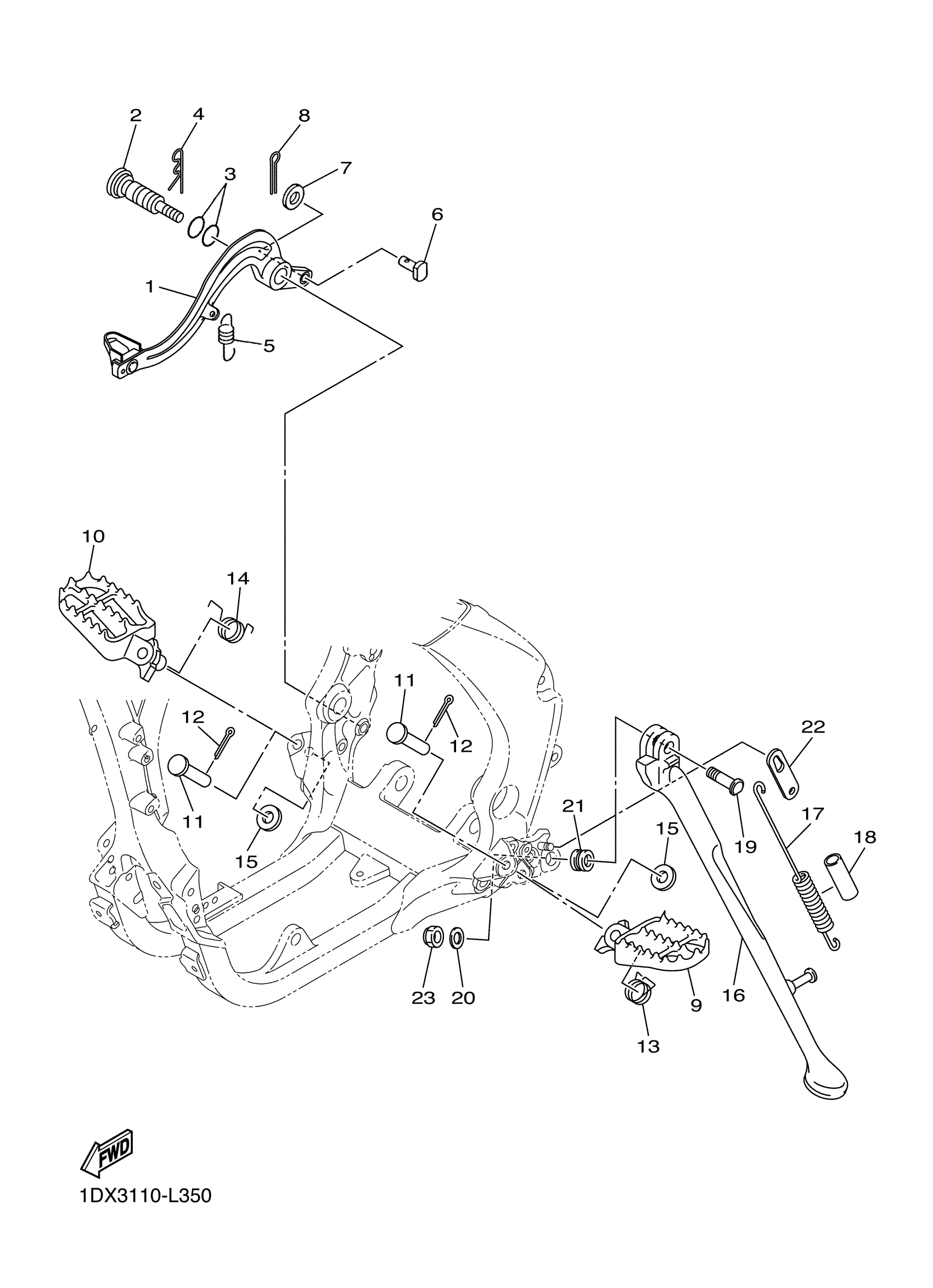
STAND FOOTREST
Yamaha WR450FB (WR450F) 1DX3 2012 STAND FOOTREST Diagram
#
Description
Price
11
PIN, CLEVIS
90240-10005-00
Unavailable
16
STAND, SIDE
5UM-27311-E1-00
Unavailable
17
SPRING, TENSION
90506-30005-00
Unavailable
18
HOSE (L95)
90445-212G3-00
Unavailable
19
BOLT
90109-10026-00
Unavailable
20
WASHER, PLATE
90201-10045-00
Unavailable
21
COLLAR(3XP)
90387-1003G-00
Unavailable
22
LINK, SIDE STAND
5UM-27315-E0-00
Unavailable
23
NUT, SELF-LOCKING
90185-10018-00
Unavailable
