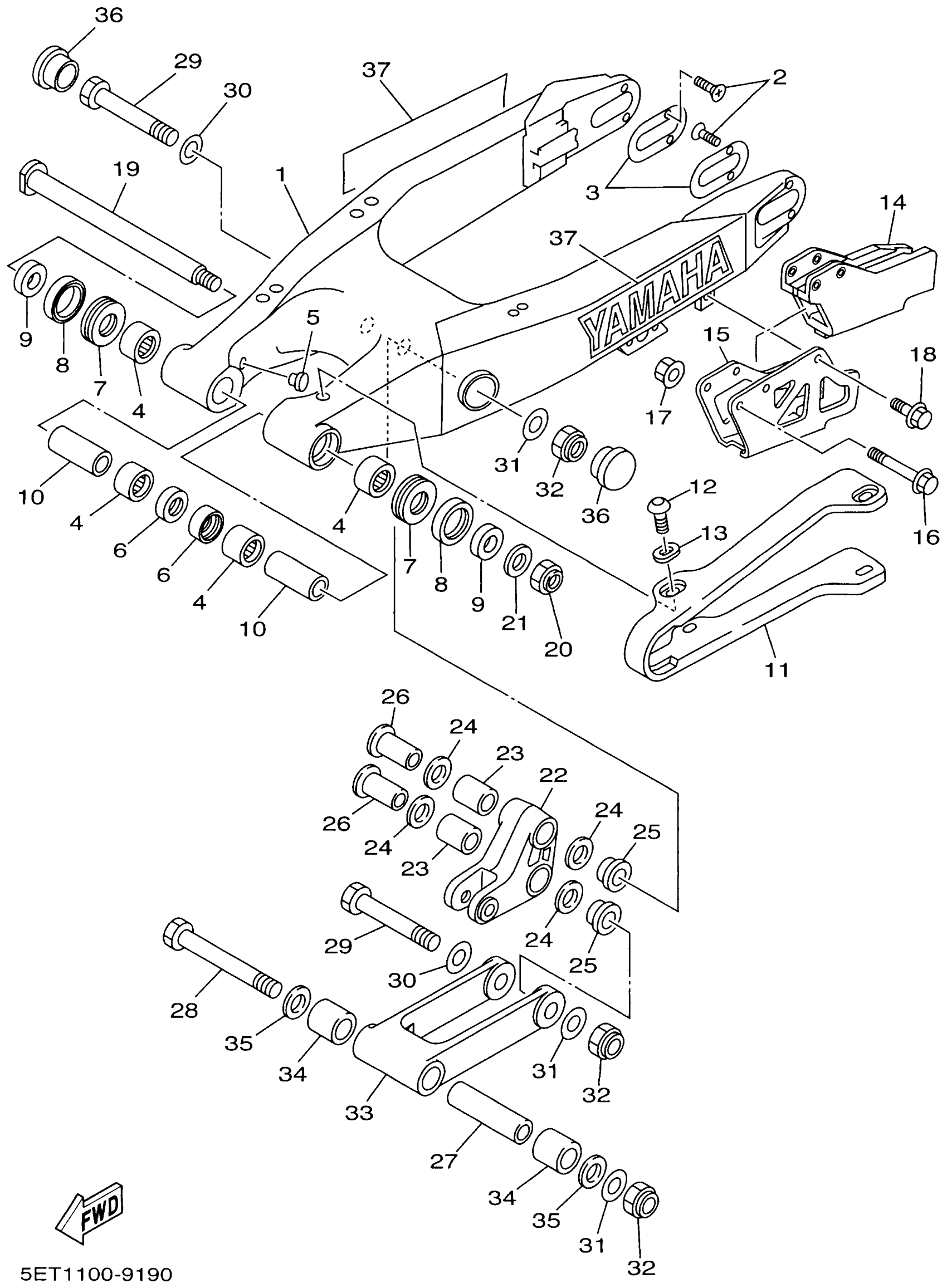
Yamaha WR400FL (WR400F) 5GS1 1999 REAR ARM Diagram
#
Description
Price
1
REAR ARM COMP.
5MV-22110-00-00
Unavailable
3
PATCH
5ET-22355-00-00
Unavailable
9
COLLAR
90387-1714R-00
Unavailable
15
COVER, THRUST 1
4XM-22128-00-00
Unavailable
16
BOLT, SMALL FLANGE
95027-06050-00
Unavailable
17
NUT, FLANGE(7NB)
95780-06500-00
Unavailable
18
BOLT, FLANGE(4MY)
95027-06010-00
Unavailable
19
SHAFT, PIVOT
5DH-22141-00-00
Unavailable
20
NUT, SELF-LOCKING
90185-16002-00
Unavailable
21
WASHER, PLATE(33Y)
90201-164H4-00
Unavailable
22
ARM, RELAY
5ET-2217A-00-00
Unavailable
23
BEARING, CYLINDRICAL(4BF)
93315-32056-00
Unavailable
24
OIL SEAL
93109-20076-00
Unavailable
25
COLLAR(1LV)
90387-164N2-00
Unavailable
26
COLLAR
90387-164N3-00
Unavailable
27
COLLAR
90387-167Y9-00
Unavailable
28
BOLT
90109-147F2-00
Unavailable
29
BOLT
90109-142F4-00
Unavailable
30
WASHER, PLATE(33Y)
90201-164H4-00
Unavailable
31
WASHER PLATE (3L6)
90201-14740-00
Unavailable
32
NUT, SELF-LOCKING
90185-14112-00
Unavailable
33
ROD, CONNECTING 1
5DH-2217F-01-00
Unavailable
34
BEARING, CYLINDRICAL(4BF)
93315-32056-00
Unavailable
35
OIL SEAL
93109-20076-00
Unavailable
36
COVER
1HX-2135F-10-00
Unavailable
37
EMBLEM, YAMAHA
99244-00200-00
Unavailable
