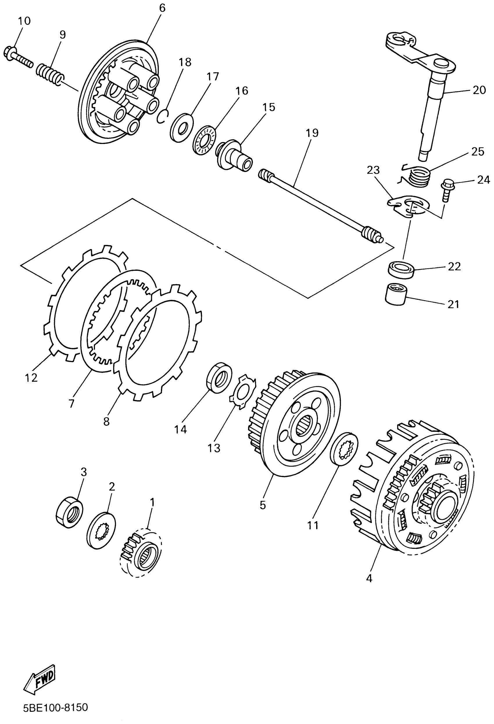
Yamaha WR400FL (WR400F) 5GS1 1999 CLUTCH Diagram
#
Description
Price
1
GEAR, PRIMARY DRIVE
5JG-16111-00-00
Unavailable
4
PRIMARY DRIVEN GEAR COMP.
5BE-16150-00-00
Unavailable
5
BOSS, CLUTCH
2JN-16371-00-00
Unavailable
6
PLATE, PRESSURE 1
3YF-16351-00-00
Unavailable
16
BEARING, THRUST (713)
93340-21505-00
Unavailable
17
WASHER, PLATE(1RE)
90201-125L6-00
Unavailable
18
CIRCLIP (4G0)
93440-10085-00
Unavailable
19
ROD, PUSH 2
5BE-16357-00-00
Unavailable
20
PUSH LEVER COMP.
5BE-16381-00-00
Unavailable
21
BRG,CYL-CAL ROLLER 6G TM
93315-11206-00
Unavailable
22
OIL SEAL (4G0)
93102-12224-00
Unavailable
23
PLATE, SEAT
4JT-16384-00-00
Unavailable
24
BOLT, FLANGE(4MY)
95027-06010-00
Unavailable
25
SPRING, TORSION
90508-142B5-00
Unavailable
