- Partiron
- OEM Parts
- Yamaha
- motorcycle
- 1996
- WR250ZH (WR250Z) 1996
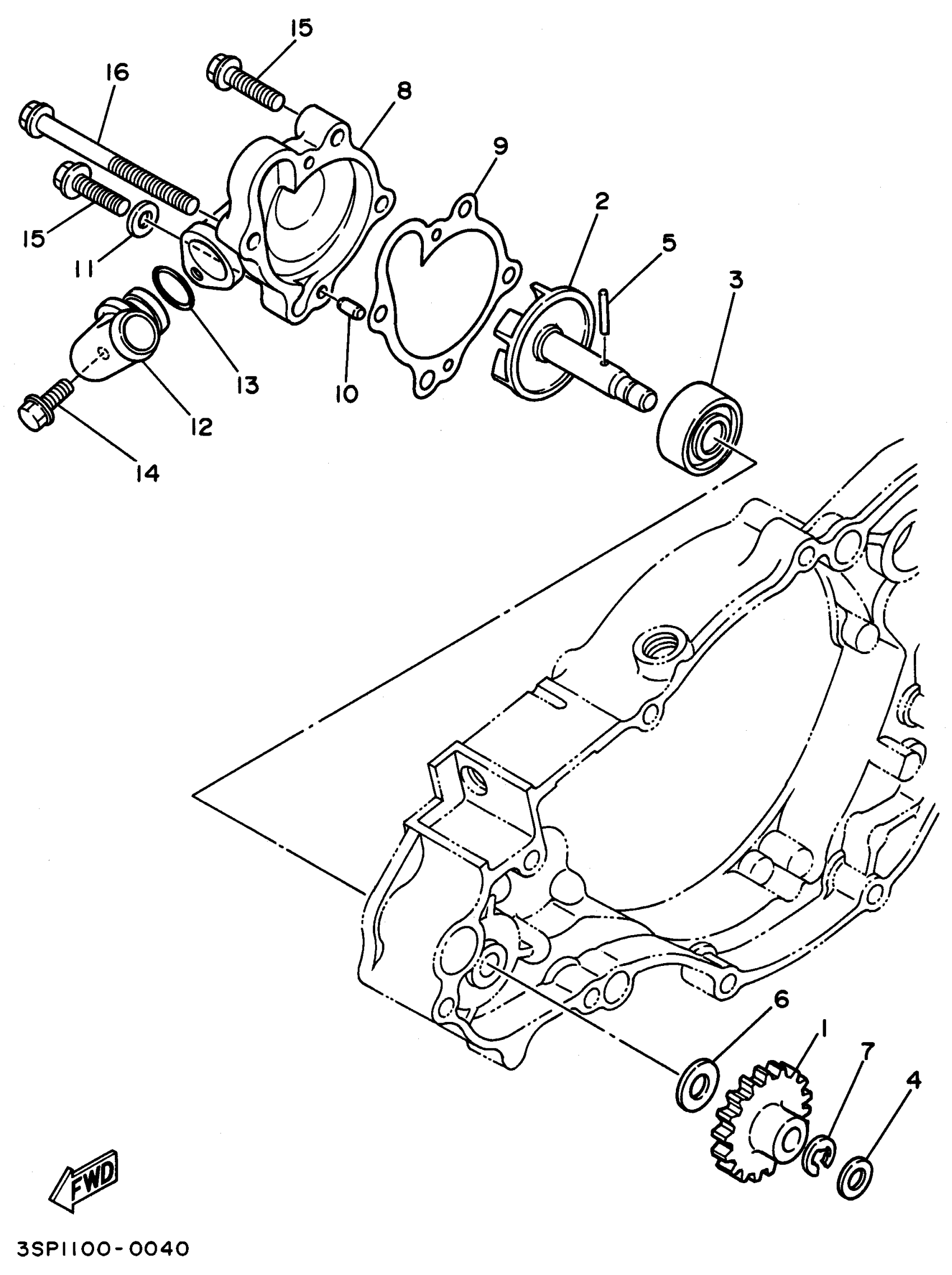
WATER PUMP
Yamaha WR250ZH (WR250Z) 1996 WATER PUMP Diagram
#
Description
Price
1
GEAR,IMPELLER SHAF
4SR-12459-00-00
Unavailable
2
IMPELLER SHAFT ASSEMBLY
2VM-12450-00-00
Unavailable
8
COVER, HOUSING
3SP-12422-00-00
Unavailable
12
JOINT 1
10V-12469-01-00
Unavailable
13
. O-RING
93210-16275-00
Unavailable
16
BOLT, SMALL FLANGE
95027-06080-00
Unavailable
