Partiron

Yamaha WR250ZF (WR250Z) 4JW1 1994 REPAIR KIT Diagram

#

Description
Price

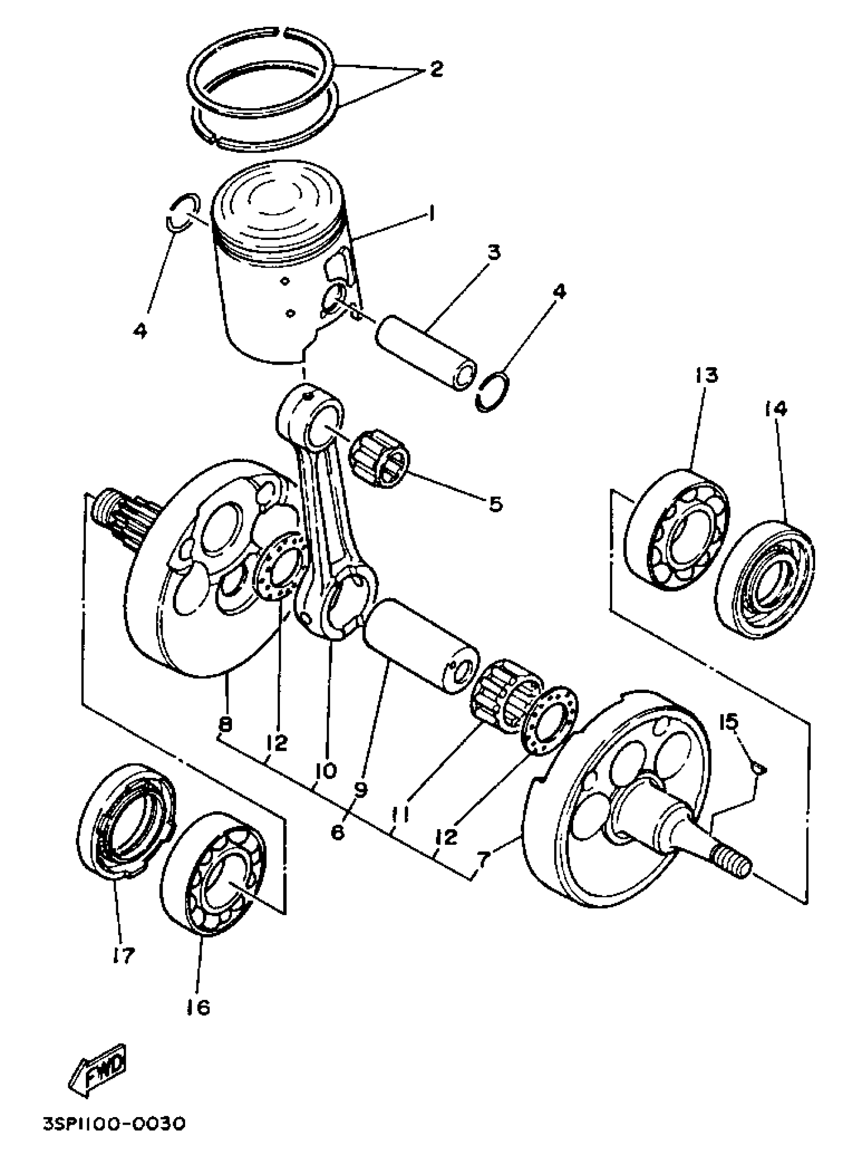
3

PIN, PISTON

2VM-11633-01-00

Unavailable

3

PIN, CRANK 1

4SR-11681-00-00

Unavailable

3

PISTON STD

4EW-11631-01-B0

Unavailable

3

PISTON RING SET (STD)

4JX-11603-00-00

$83.99

3

PISTON ASSEMBLY (STD)

4JX-11630-00-00

Unavailable

3

CONNECTING ROD ASSEMBLY

4JX-11650-00-00

Unavailable

3

ROD, CONNECTING

5X5-11651-03-00

Unavailable

3

WASHER 275116850000

90209-25085-00

$12.49

3

BEARING,CON-ROD SMALLEND(2X5)

93310-418E9-00

$48.99

3

BEARING, CYLINDRICAL(4JW)

93310-425P2-00

Unavailable

3

CIRCLIP (2F1)

93450-19052-00

$7.49