Partiron

Yamaha WR250ZF (WR250Z) 4JW1 1994 ELECTRICAL 1 Diagram

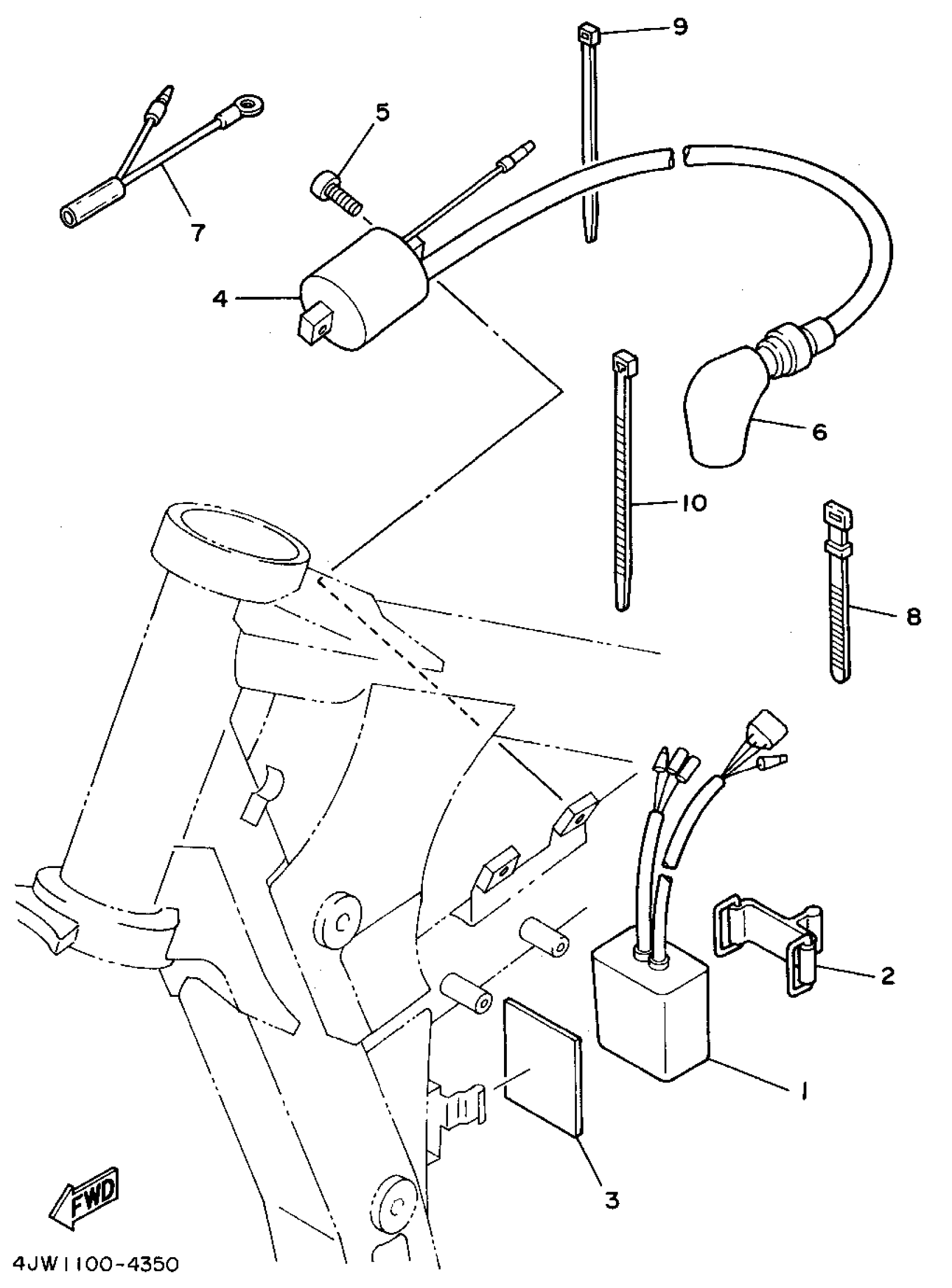
#

Description
Price

1

C.D.I. UNIT ASSEMBLY

4EW-85540-00-00

Unavailable

2

BAND, TOOL

5H9-21376-00-00

Unavailable

3

DAMPER

3RB-85547-01-00

Unavailable

4

IGNITION COIL ASSEMBLY

4JX-82310-00-00

Unavailable

5

BOLT, SOCKET

91314-06016-00

$8.49

6

PLUG CAP ASSY

8DG-82370-00-00

$49.99

7

WIRE, EARTH LEAD

5X1-82519-01-00

Unavailable

8

BAND, SWITCH CORD

25G-83936-01-00

$4.78

9

BAND

1UA-82591-00-00

$4.78

10

BAND

1UA-82591-00-00

$4.78