- Partiron
- OEM Parts
- Yamaha
- motorcycle
- 1991
- WR250ZB (WR250Z) 1991
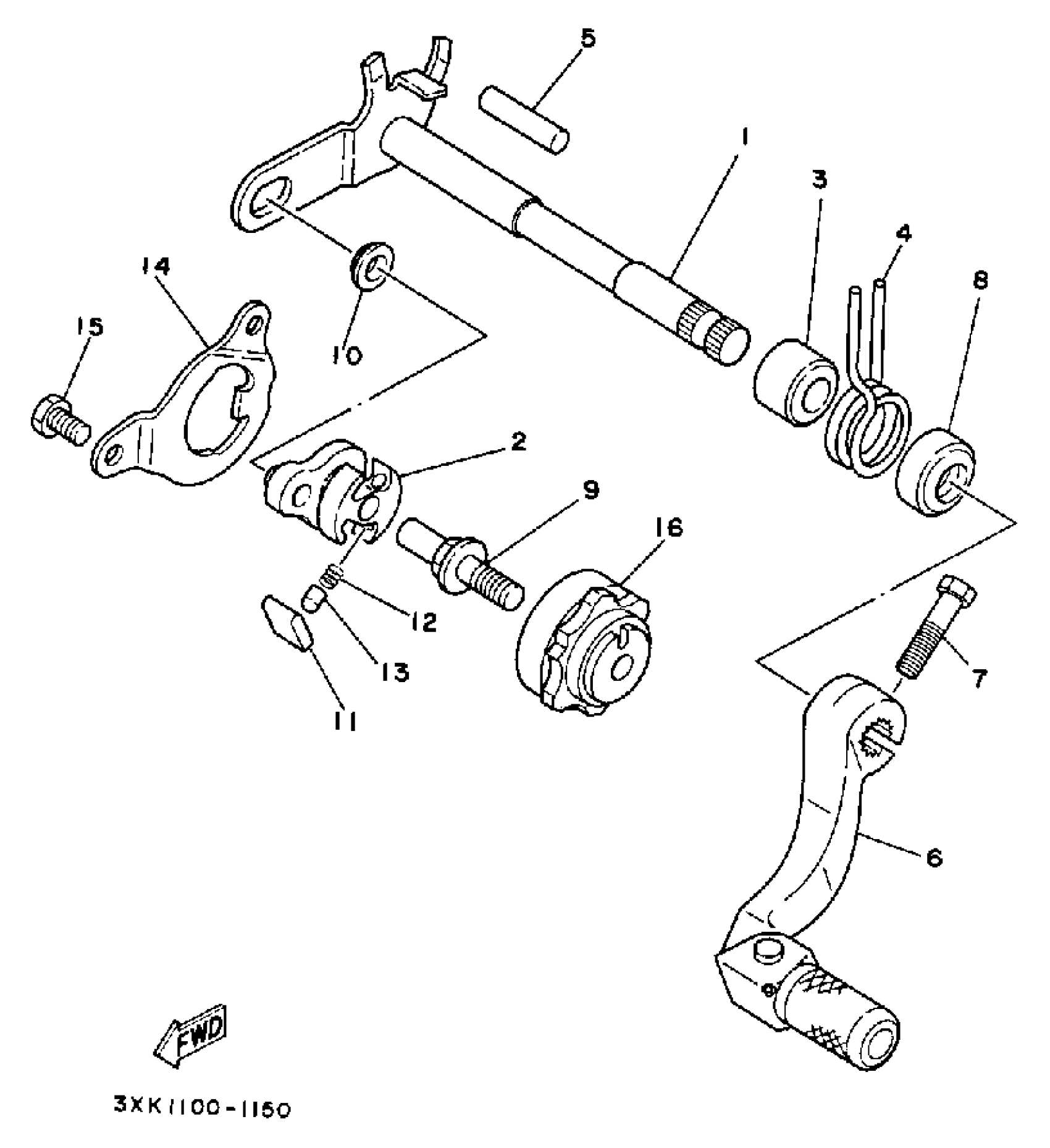
SHIFT SHAFT
Yamaha WR250ZB (WR250Z) 1991 SHIFT SHAFT Diagram
#
Description
Price
3
SPACER
90560-12171-00
Unavailable
4
SPRING, TORSION
90508-29742-00
Unavailable
5
PIN, DOWEL
93608-33046-00
Unavailable
14
GUIDE, SHIFT
3XK-18172-00-00
Unavailable
15
BOLT
90101-06664-00
Unavailable
16
SEGMENT
4EW-18185-00-00
Unavailable
