- Partiron
- OEM Parts
- Yamaha
- motorcycle
- 2009
- WR250FY (WR250F) 5UMN 2009
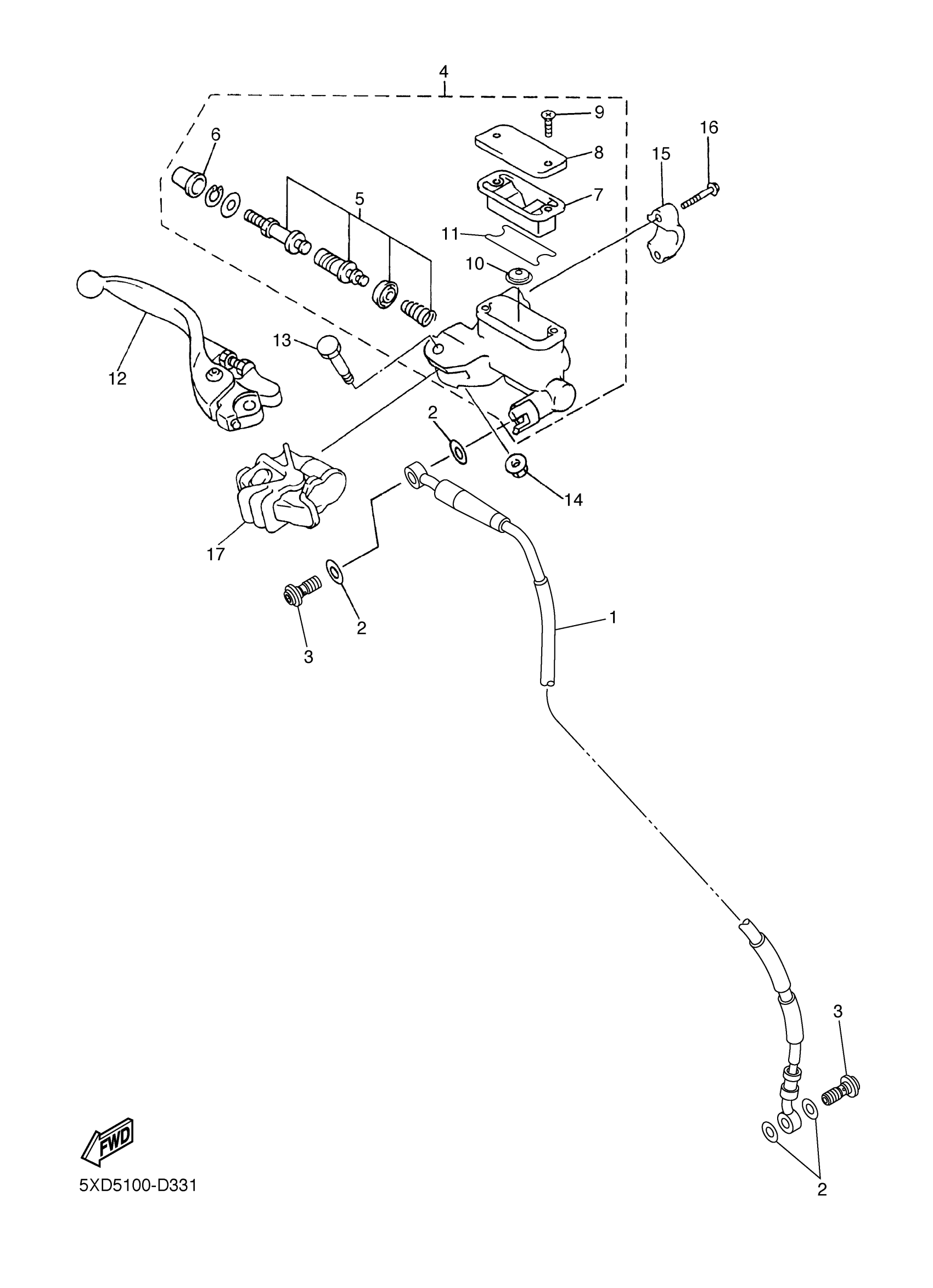
FRONT MASTER CYLINDER
Yamaha WR250FY (WR250F) 5UMN 2009 FRONT MASTER CYLINDER Diagram
#
Description
Price
16
BOLT, FITTING
5MV-25833-00-00
Unavailable
17
COVER, HANDLE LEVER 1
5NY-26372-00-00
Unavailable
