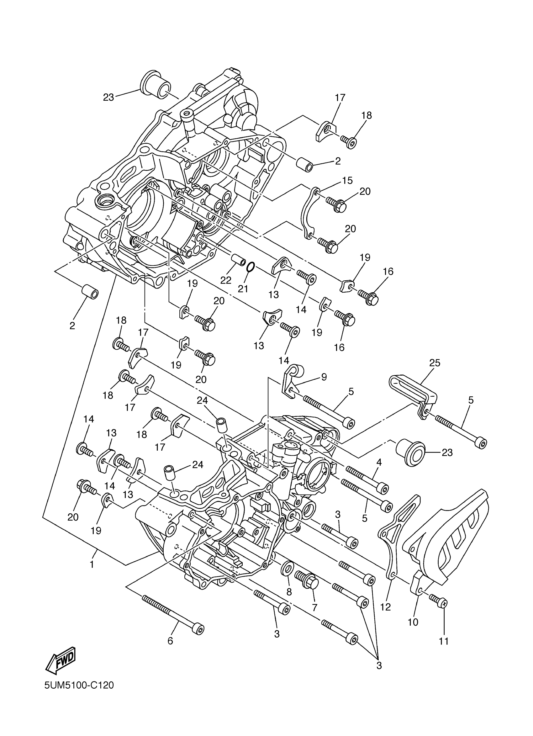
Yamaha WR250FS (WR250F) 5UM5 2004 CRANKCASE Diagram
#
Description
Price
1
CRANKCASE ASSY
5UM-15100-10-YX
Unavailable
16
BOLT, FLANGE(4MY)
95027-06012-00
Unavailable
17
PLATE, BEARING COVER
4JT-15381-01-00
Unavailable
18
SCREW, COUNTERSUNK
90151-06052-00
Unavailable
19
PLATE, STOPPER 2
5DH-18562-00-00
Unavailable
20
BOLT, FLANGE(4MY)
95027-06012-00
Unavailable
21
O-RING (371)
93210-10197-00
Unavailable
22
PIN, DOWEL(3VD)
99530-10114-00
Unavailable
23
COLLAR
90387-18007-00
Unavailable
24
PIN, DOWEL(2VG)
99530-10116-00
Unavailable
25
CLAMP
90465-10013-00
Unavailable
