- Partiron
- OEM Parts
- Yamaha
- motorcycle
- 2024
- WR250FR1 (WR250F) BAKL 2024
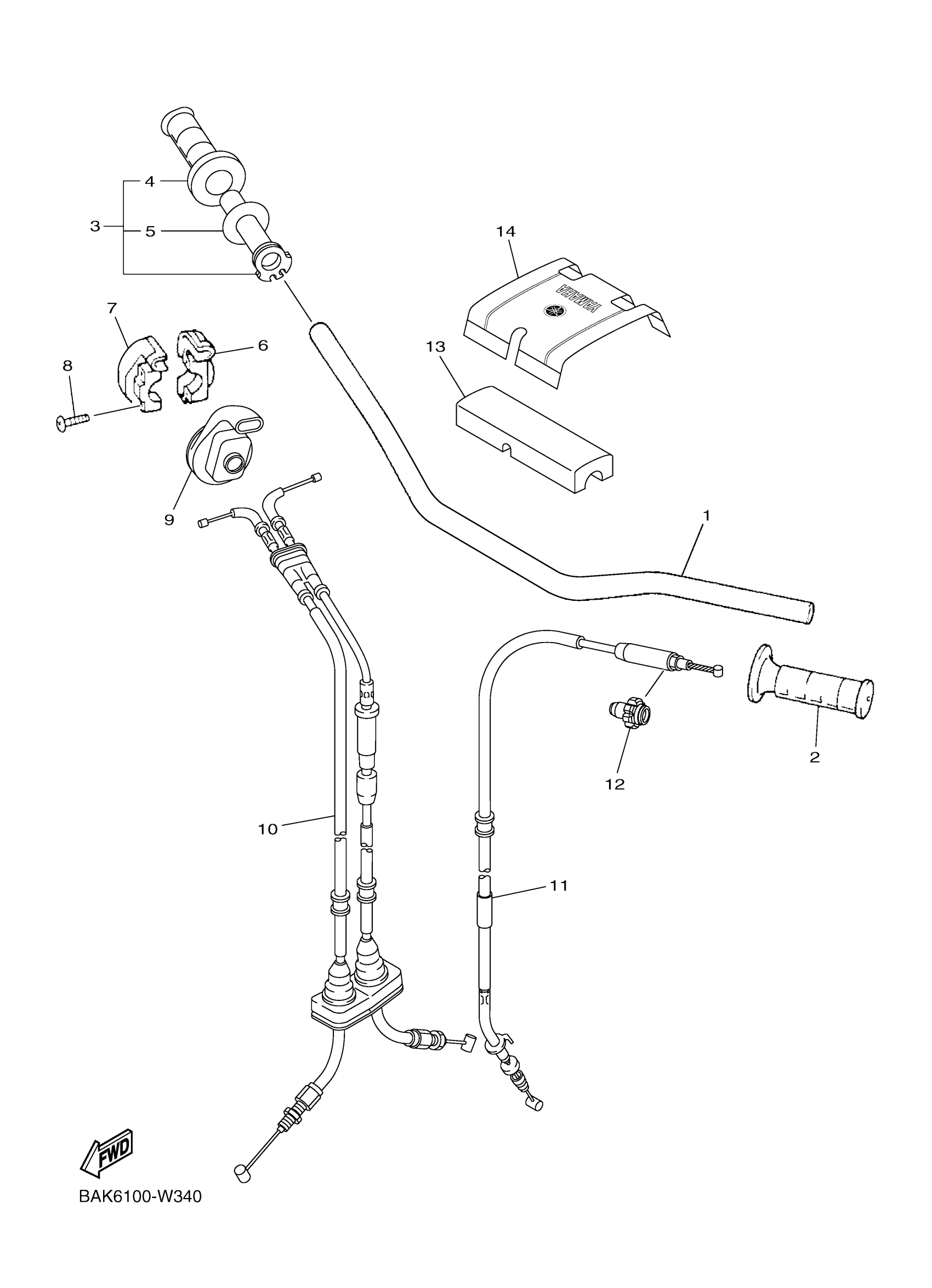
STEERING HANDLE & CABLE
Yamaha WR250FR1 (WR250F) BAKL 2024 STEERING HANDLE & CABLE Diagram
#
Description
Price
STEERING HANDLE & CABLE
#
Edit ride
