- Partiron
- OEM Parts
- Yamaha
- motorcycle
- 2022
- WR250FN1 (WR250F) BAKB 2022
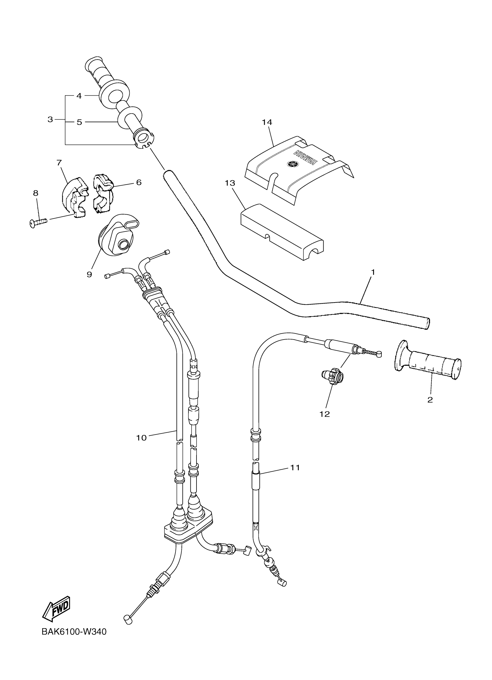
STEERING HANDLE & CABLE
Yamaha WR250FN1 (WR250F) BAKB 2022 STEERING HANDLE & CABLE Diagram
#
Description
Price
STEERING HANDLE & CABLE
#
Edit ride
