- Partiron
- OEM Parts
- Yamaha
- motorcycle
- 2019
- WR250FK (WR250F) 2GBK 2019
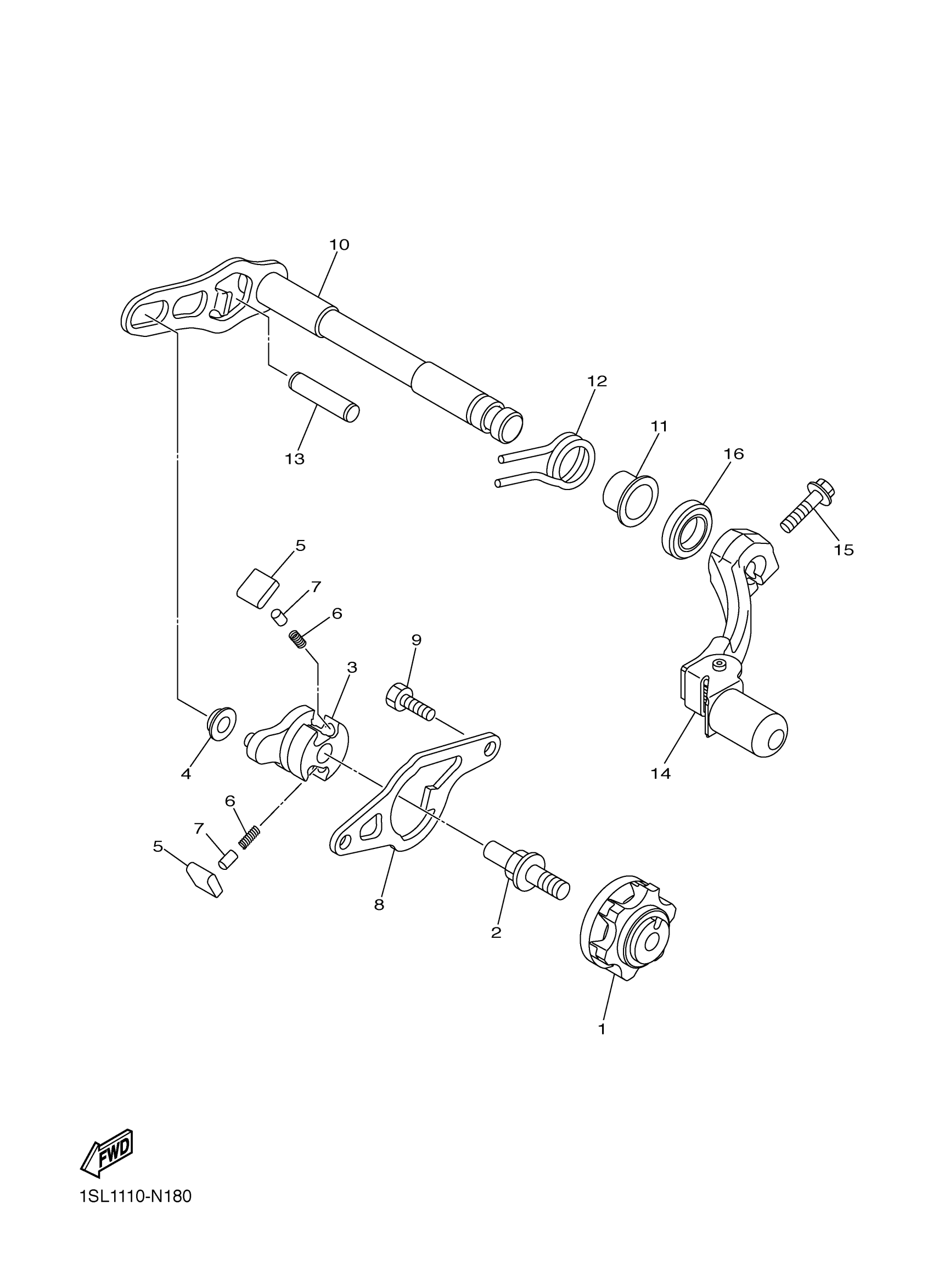
SHIFT SHAFT
Yamaha WR250FK (WR250F) 2GBK 2019 SHIFT SHAFT Diagram
#
Description
Price
10
SHIFT SHAFT ASSY
2GB-18101-00-00
Unavailable
16
OIL SEAL (14X24X6-256)
93109-14010-00
Unavailable
