- Partiron
- OEM Parts
- Yamaha
- waverunner
- 1987
- WJ500H (WAVE JAMMER) 1987
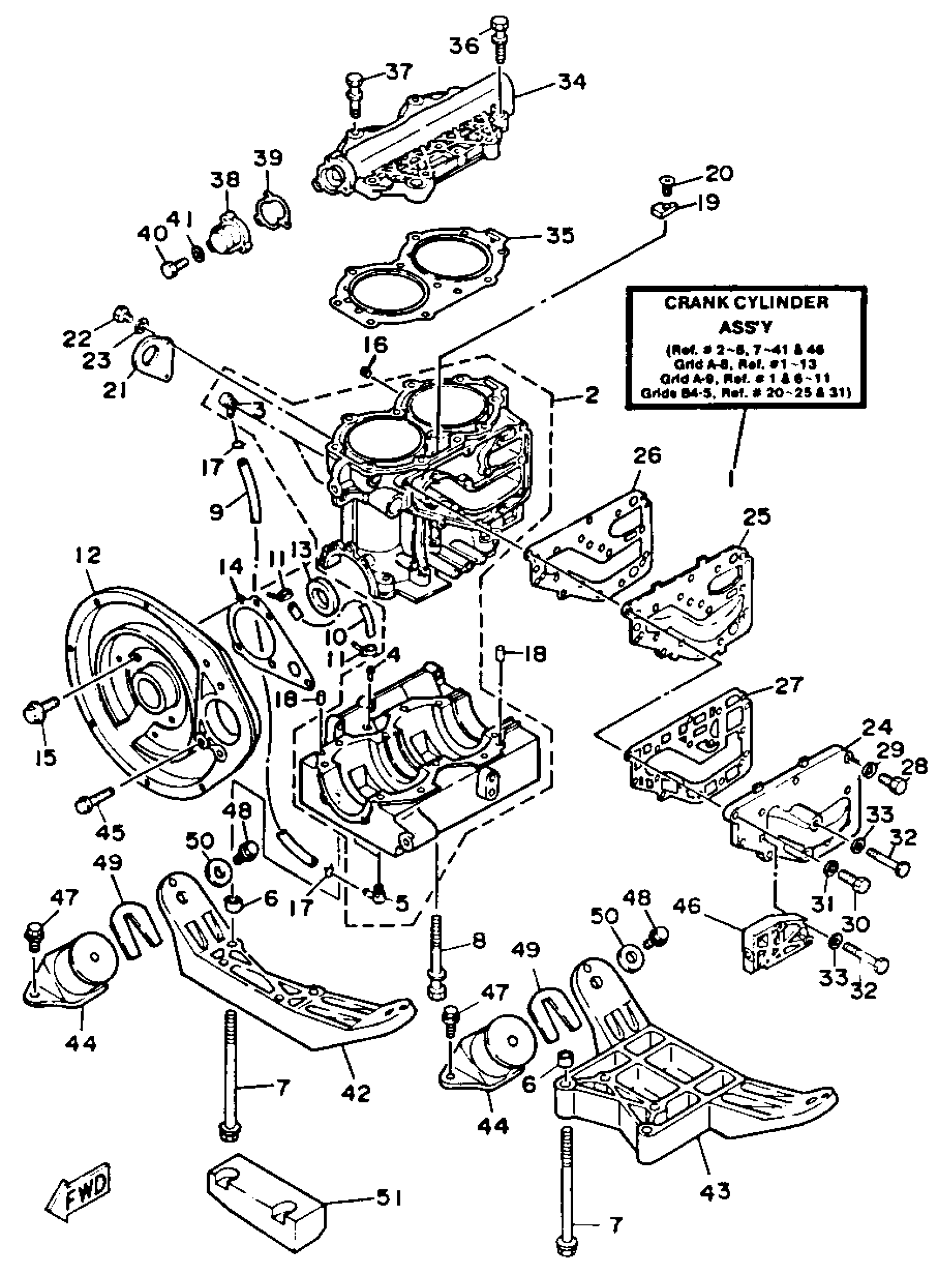
CRANKCASE CYLINDER
Yamaha WJ500H (WAVE JAMMER) 1987 CRANKCASE CYLINDER Diagram
#
1
CRANK-CYL ASY
6K8-W0090-04-4D
Unavailable
2
CRANKCASE ASSEMBLY
6K8-15100-00-94
Unavailable
2
CRANKCASE ASY
6K8-15100-01-8P
Unavailable
3
CHECK VALVE ASSY
646-11370-01-00
Unavailable
4
. PIPE, JOINT 4
652-24461-00-00
Unavailable
5
NIPPLE, HOSE
650-11372-01-00
Unavailable
7
BOLT, WITH WASHER
90119-08M98-00
Unavailable
8
BOLT, WITH WASHER
90119-08M99-00
Unavailable
9
HOSE (L390)
90445-07M90-00
Unavailable
10
HOSE (363-21766-00)
90445-09080-00
Unavailable
11
CLAMP
90465-10098-00
Unavailable
12
HOUSING, OIL SEAL
6K8-15359-01-94
Unavailable
12
COVER, FLYWHEEL
6K8-81337-01-94
Unavailable
12
GASKET, HOLE COVER
6K8-81365-A1-00
Unavailable
12
HOUSING, OIL SEAL
99999-02404-00
Unavailable
13
OIL SEAL(6R7)
93101-25M50-00
Unavailable
14
. GASKET, O/SL HSNG
6K8-15369-A1-00
Unavailable
15
BOLT, FLANGE
90105-06M09-00
Unavailable
16
PLUG, TAPER
90336-10003-00
Unavailable
17
CLIP
90467-06016-00
Unavailable
18
PIN, DOWEL (614)
93606-12019-00
Unavailable
19
ANODE
689-11325-00-00
Unavailable
20
SCREW, FLAT
98707-06020-00
Unavailable
21
HANGER, ENGINE
6K8-11119-00-00
Unavailable
22
BOLT (661)
97013-06012-00
Unavailable
23
WASHER, PLAIN (646)
92990-06600-00
Unavailable
24
OUTER COVER, EXHAUST
689-41113-00-1S
Unavailable
24
OUTER COVER, EXHST
6K8-41123-00-9M
Unavailable
25
INNER COVER, EXHAUST
689-41111-00-1S
Unavailable
25
INNER COVER,EXHAUST
6K8-41121-00-1S
Unavailable
26
GSKT, EXH OUTR CVR
689-41114-A0-00
Unavailable
26
. GASKET, EXHAUST OUTER COVER
6K8-41124-A1-00
Unavailable
27
GASKET, EXHAUST INNER COVER
689-41112-A0-00
Unavailable
27
. GASKET, EXHAUST INNER COVER
6K8-41122-A1-00
Unavailable
28
BOLT
90101-06M27-00
Unavailable
29
WASHER, PLAIN (646)
92990-06600-00
Unavailable
30
BOLT(JF7)
97080-06030-00
Unavailable
30
BOLT(JF7)
97080-06030-00
Unavailable
31
WASHER, PLAIN (646)
92990-06600-00
Unavailable
32
BOLT, HEXAGON
97013-06050-00
Unavailable
32
BOLT, HEXAGON
97013-06050-00
Unavailable
33
WASHER, PLAIN (646)
92990-06600-00
Unavailable
34
HEAD, CYLINDER
689-11111-01-1S
Unavailable
35
. GASKET, CYLINDER HEAD 1
6K8-11181-A1-00
Unavailable
36
BOLT, WITH WASHER
90119-08009-00
Unavailable
37
BOLT, WITH WASHER(63V)
90119-08M07-00
Unavailable
38
COVER, THERMOSTAT
655-12413-01-1S
Unavailable
39
. GASKET, COVER
655-12414-A1-00
Unavailable
40
BOLT(7U8)
97080-06020-00
Unavailable
41
WASHER, PLAIN (646)
92990-06600-00
Unavailable
42
BRACKET COMP.1
6K8-44518-00-94
Unavailable
43
BRACKET 2
6K8-44519-00-94
Unavailable
44
MOUNT RUBBER
6K8-44517-01-94
Unavailable
45
BOLT, WASHER BASED
90105-08M38-00
Unavailable
46
BRACKET, STRTG MTR
6K8-81822-00-94
Unavailable
47
BOLT, WITH WASHER
90119-08038-00
Unavailable
48
BOLT, WITH WASHER
90119-08904-00
Unavailable
49
SHIM (T=0.1)
EU0-67354-A0-00
Unavailable
49
SHIM (T=0.3)
EU0-67354-B0-00
Unavailable
49
SHIM (T=0.5)
EU0-67354-C0-00
Unavailable
49
SHIM (T=1.0)
EU0-67354-D0-00
Unavailable
49
SHIM (T=2.0)
EU0-67354-E0-00
Unavailable
50
PLATE
EU0-67324-00-00
Unavailable
51
DAMPER
EW3-67361-00-00
Unavailable
