- Partiron
- OEM Parts
- Yamaha
- waverunner
- 1995
- WB700T (WAVE BLASTER) 1995
JET UNIT 2
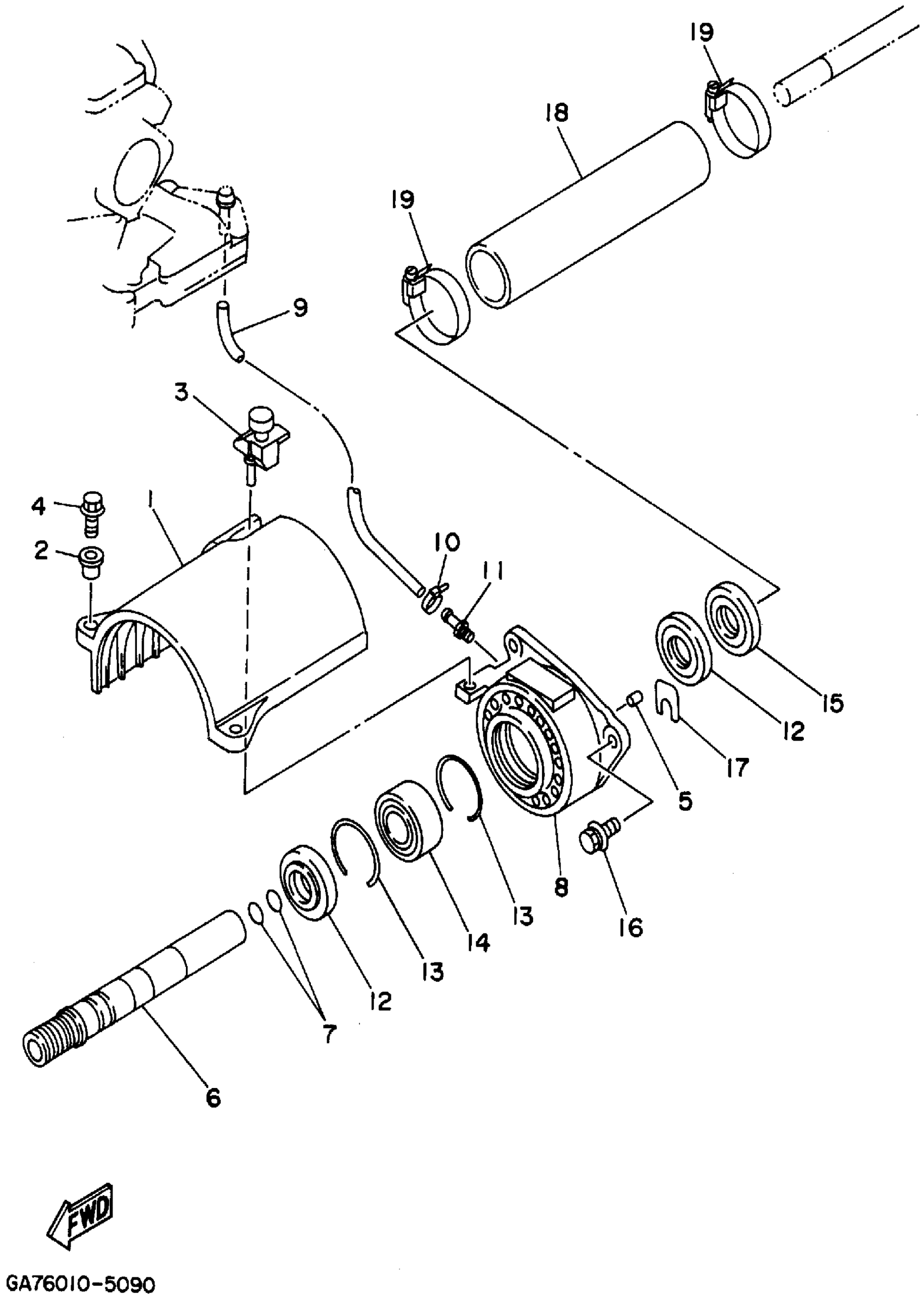
Yamaha WB700T (WAVE BLASTER) 1995 JET UNIT 2 Diagram
#
Description
Price
1
COVER
61X-51381-00-00
Unavailable
2
COLLAR
90387-06M60-00
Unavailable
4
BOLT, HEXAGON W/W DEEP RECESS
97E95-06525-00
Unavailable
6
SHAFT, COUPLER
62E-51323-00-00
Unavailable
8
HOUSING, BEARING
61X-G5332-00-00
Unavailable
11
NIPPLE, HOSE
61L-45378-00-00
Unavailable
13
CIRCLIP
93430-47M04-00
Unavailable
14
BEARING
93305-205U0-00
Unavailable
16
BOLT, WITH WASHER
90119-08907-00
Unavailable
17
SHIM (T=0.5)
GD0-67249-A0-00
Unavailable
17
SHIM (T=1.0)
GD0-67249-00-10
Unavailable
18
PIPE 1
GA7-6883B-00-00
Unavailable
19
BAND, HOSE 52
90601-152U3-00
Unavailable
