- Partiron
- OEM Parts
- Yamaha
- waverunner
- 1994
- WB700S (WAVE BLASTER) 1994
JET UNIT 1
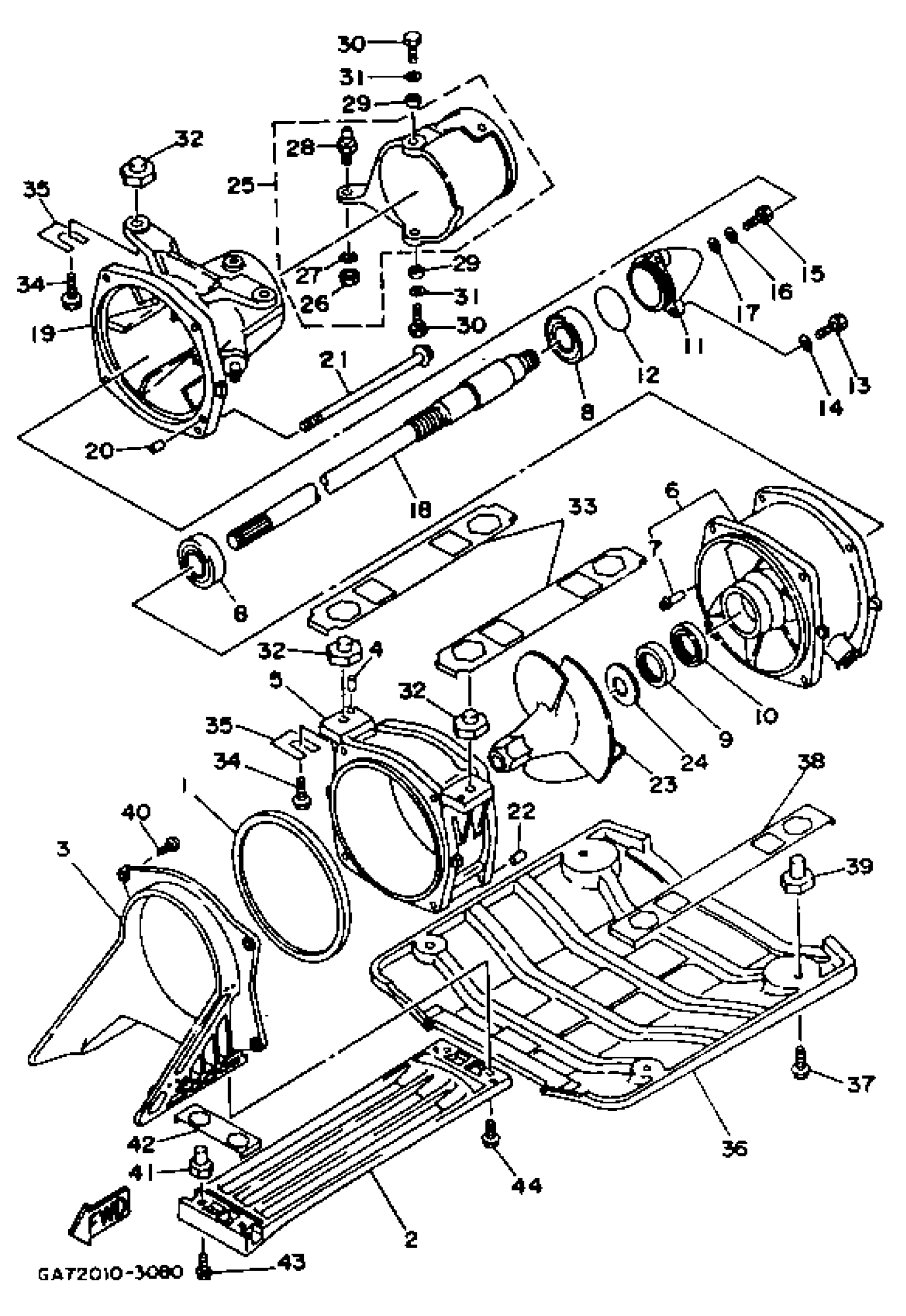
Yamaha WB700S (WAVE BLASTER) 1994 JET UNIT 1 Diagram
#
1
. PACKING
6R7-51117-01-00
Unavailable
2
SCREEN, INTAKE
6R7-51333-00-00
Unavailable
3
DUCT, INTAKE
62E-51311-00-00
Unavailable
5
HOUSING, IMPELLER
6R7-51312-03-00
Unavailable
6
DUCT, IMPELLER
62T-51315-01-00
Unavailable
7
. NIPPLE
6K8-51129-00-00
Unavailable
11
CAP
62T-51326-00-00
Unavailable
12
. O-RING
93210-46M16-00
Unavailable
15
BOLT(GH1)
97080-06012-00
Unavailable
17
. GASKET
90430-06M03-00
Unavailable
18
SHAFT, DRIVE
62E-45511-00-00
Unavailable
19
NOZZLE
61X-51318-01-94
Unavailable
20
PIN, DOWEL (614)
93606-12019-00
Unavailable
21
BOLT, WITH WASHER
90119-06M70-00
Unavailable
22
PIN, DOWEL (614)
93606-12019-00
Unavailable
23
IMPELLER
62E-51321-A0-00
Unavailable
24
SPACER
62T-51348-00-00
Unavailable
25
NOZZLE DEFLECOR
61L-51313-00-00
Unavailable
26
NUT(650)
95380-06700-00
Unavailable
27
WASHER, PLATE
90201-06M02-00
Unavailable
28
. BOLT, JOINT
6R7-42316-00-00
Unavailable
29
COLLAR(6R7)
90387-08M06-00
Unavailable
30
BOLT, HEXAGON
97095-08018-00
Unavailable
31
.. WASHER, PLATE
92990-08600-00
Unavailable
32
NUT
90179-10954-00
Unavailable
33
HOLDER PLATE 1
GA7-6881N-00-00
Unavailable
34
BOLT
90119-10906-00
Unavailable
35
SHIM (T=0.1)
EW2-67354-00-01
Unavailable
35
SHIM (T=0.3)
EW2-67354-00-03
Unavailable
35
SHIM (T=0.5)
EW2-67354-00-05
Unavailable
35
SHIM (T=1.0)
EW2-67354-00-10
Unavailable
36
PLATE, 2
GA7-6273B-00-00
Unavailable
37
BOLT, WITH WASHER(GA7)
90119-08932-00
Unavailable
38
HOLDER PLATE 2
GA7-6881P-00-00
Unavailable
39
NUT
90179-08953-00
Unavailable
40
SCREW, TAPPING
97780-60520-00
Unavailable
41
NUT
90179-06952-00
Unavailable
42
HOLDER PLATE 3
GA7-6881R-00-00
Unavailable
43
BOLT, WITH WASHER
90119-06896-00
Unavailable
44
BOLT, WITH WASHER
90119-06908-00
Unavailable
