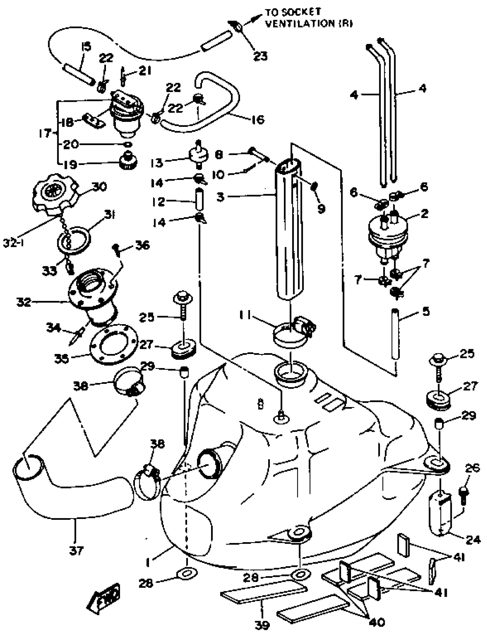
Yamaha WB700S (WAVE BLASTER) 1994 FUEL TANK Diagram
#
1
COUPLING
EU0-67839-00-00
Unavailable
1
TANK, FUEL
GA7-67711-01-00
Unavailable
2
PIPE, JOINT
FJ0-67713-01-00
Unavailable
3
PIPE, FILLER
EW2-67716-02-00
Unavailable
4
PIPE, SUCTION 3
FN8-67714-02-00
Unavailable
6
BAND, HOSE 11
90601-11062-00
Unavailable
10
PIN. COTTER
91490-16010-00
Unavailable
11
BAND, HOSE 62
90601-162U5-00
Unavailable
12
HOSE
90699-50100-00
Unavailable
13
CHECK VALVE
EU0-67767-31-00
Unavailable
14
CLAMP
90465-10098-00
Unavailable
15
HOSE, AIRVENT 3
GA7-6785H-00-00
Unavailable
16
HOSE, AIR VENT 5
FJ0-67856-40-00
Unavailable
17
FILTER, VENT ASSY
F2F-6214A-00-00
Unavailable
18
. PLATE, FILTER
EW2-62142-00-00
Unavailable
19
. PLUG, DRAIN
70R-24543-00-00
Unavailable
20
. O-RING
70R-24489-00-00
Unavailable
21
RIVET, BLIND
90267-48940-00
Unavailable
22
CLAMP
90465-10098-00
Unavailable
23
BAND
90601-200U1-00
Unavailable
24
FIX, FUEL TANK
FN8-67777-31-00
Unavailable
25
BOLT, WITH WASHER
90119-08916-00
Unavailable
26
BOLT, WITH WASHER
90119-08903-00
Unavailable
27
GROMMET
90480-19906-00
Unavailable
28
PLATE, GROMMET
GA7-6774B-00-00
Unavailable
29
COLLAR
90387-08906-00
Unavailable
30
CAP, FUEL FILLER
GA7-67831-01-00
Unavailable
31
PACKING 1
EU0-67832-00-00
Unavailable
32
SOCKET
FN8-67833-00-00
Unavailable
33
. CHAIN BALL
EU0-67835-00-00
Unavailable
34
. RIVET, BLIND
90267-40935-00
Unavailable
35
PACKING, FUEL FILLER
EU0-67834-00-00
Unavailable
36
SCREW, FLAT HEAD TAPPING
EU0-U7869-00-00
Unavailable
37
HOSE
GA7-67844-00-00
Unavailable
38
BAND, HOSE 55
90601-155U4-00
Unavailable
39
MAT 1
GA7-6759B-00-00
Unavailable
40
MAT 2
GA7-6759C-00-00
Unavailable
41
MAT 3
GA7-6759D-00-00
Unavailable
