Yamaha WB700S (WAVE BLASTER) 1994 EXHAUST 1 Diagram
#
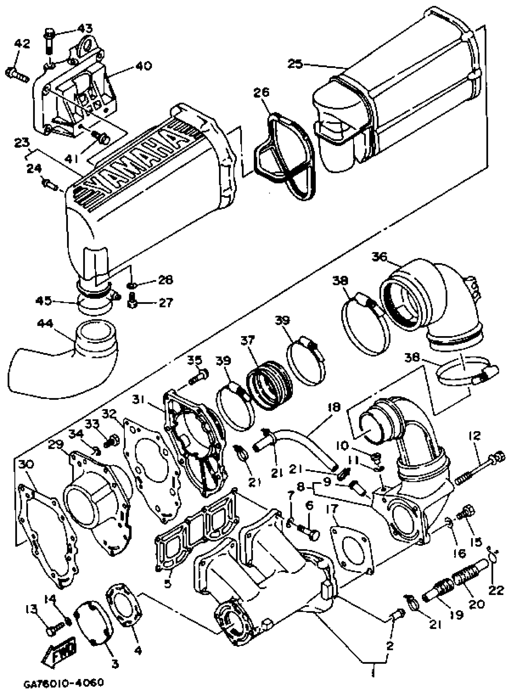
1
MUFFLER 1
61X-14711-02-00
Unavailable
2
. NIPPLE
6K8-51129-00-00
Unavailable
3
PROTECTOR, MUFFLER 1
6M6-14718-01-8S
Unavailable
4
GASKET, MUFFLER DAMPER 1
6M6-14739-A2-00
Unavailable
5
GASKET, EXHAUST PIPE
61X-14613-A1-00
Unavailable
7
.. WASHER, PLATE
92990-08600-00
Unavailable
8
RING, JOINT
61L-14712-00-00
Unavailable
9
. NIPPLE
6K8-51129-00-00
Unavailable
10
PLUG, STRAIGHT SCREW
90340-08002-00
Unavailable
11
GASKET
90430-08003-00
Unavailable
12
BOLT, WITH WASHER
97513-08590-00
Unavailable
13
BOLT
90101-06M27-00
Unavailable
16
.. WASHER, PLATE
92990-08600-00
Unavailable
17
GASKET, MUFFLER DAMPER 2
6R7-14749-A1-00
Unavailable
18
HOSE
90446-14M34-00
Unavailable
19
HOSE
90445-14M03-00
Unavailable
20
HOSE (L260)
90446-20M13-00
Unavailable
21
CLAMP
90465-10098-00
Unavailable
22
CLIP(6M6)
90467-13M13-00
Unavailable
23
MUFFLER 2
6R7-14721-00-8S
Unavailable
24
. PIPE, JOINT
6R7-14485-00-00
Unavailable
25
SILENCER, EXHAUST
6R7-14753-00-8S
Unavailable
26
SEAL, RUBBER 1
6R7-15761-00-00
Unavailable
27
BOLT, HEXAGON DEEP RECESS
97D95-06016-00
Unavailable
29
DIFFUSER
6R7-14785-00-8S
Unavailable
30
. GASKET, SILENCER
6R7-14755-A0-00
Unavailable
31
OUTER COVER, EXHAUST
6R7-41113-00-8S
Unavailable
32
. GASKET, EXHAUST OUTER COVER
6R7-41114-A0-00
Unavailable
33
BOLT, HEXAGON DEEP RECESS
97D95-06016-00
Unavailable
35
BOLT, WITH WASHER(63M)
97513-06530-00
Unavailable
36
JOINT, EXHAUST 1
61L-14615-00-00
Unavailable
37
JOINT, EXHAUST 2
61L-14625-00-00
Unavailable
38
CLAMP, HOSE
90460-90M11-00
Unavailable
39
CLAMP, HOSE(6R7)
90460-70M16-00
Unavailable
40
STAY, MUFFLER 1
6M6-14771-00-00
Unavailable
41
BOLT WASHER BASED HEAD (6M6)
90105-10M49-00
Unavailable
42
BOLT, WASHER BASED
90105-10M45-00
Unavailable
43
BOLT, WITH WASHER
90119-10M72-00
Unavailable
44
PIPE, OUTLET
62E-14752-00-00
Unavailable
45
CLAMP, HOSE(6R7)
90460-64M15-00
Unavailable
