- Partiron
- OEM Parts
- Yamaha
- waverunner
- 1994
- WB700S (WAVE BLASTER) 1994
ELECTRICAL 1
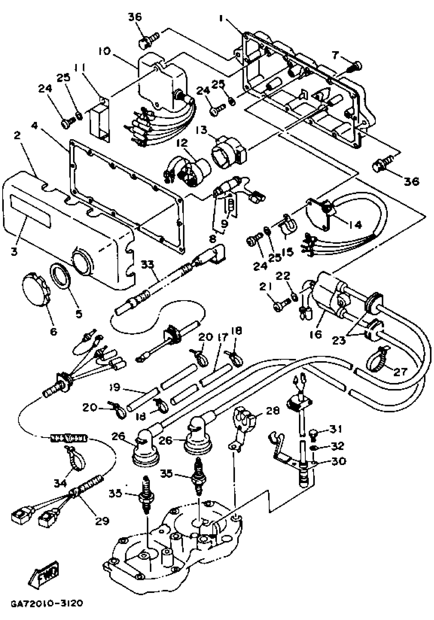
Yamaha WB700S (WAVE BLASTER) 1994 ELECTRICAL 1 Diagram
#
1
HOUSING
6M6-8552A-01-8P
Unavailable
2
COVER, CASE
6M6-8552E-01-00
Unavailable
3
MARK 3
6R7-83623-40-00
Unavailable
4
GASKET, TERMINAL
6M6-81921-00-00
Unavailable
5
GASKET
6M6-81844-00-00
Unavailable
6
CAP
6M6-8132W-00-00
Unavailable
7
SCREW, TAPPING(65J)
97780-60625-00
Unavailable
10
C.D.I. UNIT ASSY
6M6-85540-02-00
Unavailable
11
CLAMP
90464-06M29-00
Unavailable
12
STARTER RELAY ASSY
6G1-81941-10-00
Unavailable
13
HOLDER, RELAY
6M6-81952-01-00
Unavailable
14
RECTIFIER & REGULATOR ASSY
6M6-81960-A0-00
Unavailable
15
CLAMP
90465-08028-00
Unavailable
16
IGNITION COIL ASSY
62E-85570-00-00
Unavailable
17
TUBE, CORD 2
6R8-82352-00-00
Unavailable
18
CLAMP
90465-10098-00
Unavailable
19
TUBE, CORD 2
6R8-82352-00-00
Unavailable
20
CLAMP
90465-10098-00
Unavailable
21
SCREW, PAN HEAD(6E0)
97885-06030-00
Unavailable
22
WASHER, PLAIN (646)
92990-06600-00
Unavailable
23
GROMMET
90480-06M43-00
Unavailable
24
SCREW, PAN
98507-06014-00
Unavailable
25
WASHER, PLAIN (646)
92990-06600-00
Unavailable
26
PLUG CAP ASSEMBLY
6K8-82370-00-00
Unavailable
27
CLAMP
90465-10098-00
Unavailable
28
CLAMP, CORD
6R7-82361-00-00
Unavailable
29
EXTENSION, WIRE LEAD
62E-82553-00-00
Unavailable
30
THERMO SWITCH ASSY
6R7-82560-00-00
Unavailable
31
BOLT, HEXAGON DEEP RECESS
97D95-06016-00
Unavailable
32
WASHER, SPRING
92995-06100-00
Unavailable
33
WIRE, LEAD
62E-82117-20-00
Unavailable
34
CLAMP
90465-10098-00
Unavailable
35
BR8HS NGK SCREW TOP PLUG 4PK
BR8-HS000-00-00
Unavailable
36
BOLT, WITH WASHER
90119-08038-00
Unavailable
