- Partiron
- OEM Parts
- Yamaha
- waverunner
- 1993
- WB700R (WAVE BLASTER) 1993
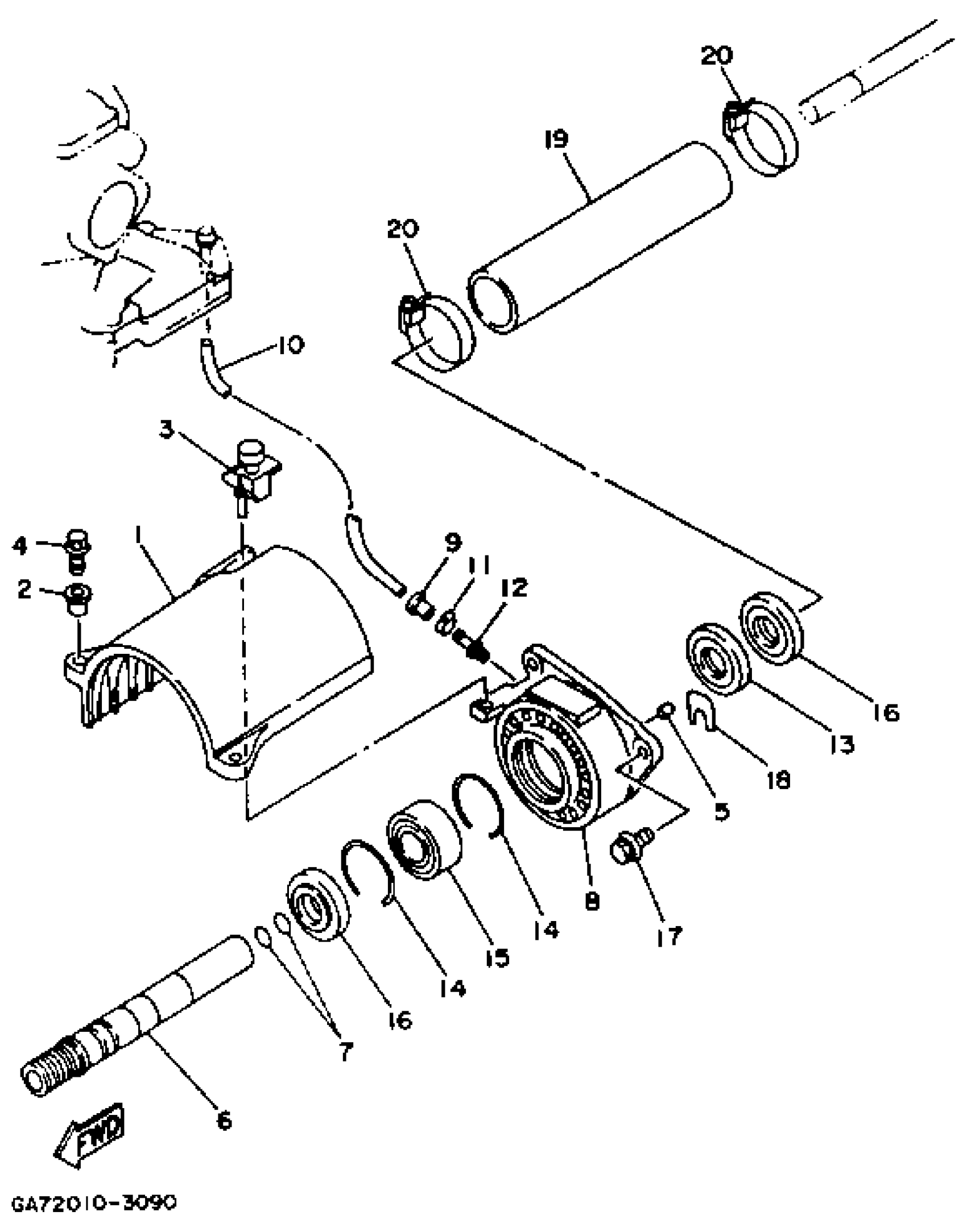
JET UNIT 2
Yamaha WB700R (WAVE BLASTER) 1993 JET UNIT 2 Diagram
#
Description
Price
1
COVER
61X-51381-00-00
Unavailable
2
COLLAR
90387-06M60-00
Unavailable
4
BOLT, HEXAGON W/W DEEP RECESS
97E95-06525-00
Unavailable
6
SHAFT, COUPLER
62E-51323-00-00
Unavailable
8
HOUSING SET, BEARING (61X-00)
99999-02643-00
Unavailable
9
BUSH
90386-08006-00
Unavailable
12
NIPPLE, HOSE
61L-45378-00-00
Unavailable
14
CIRCLIP
93430-47M04-00
Unavailable
15
BEARING
93305-205U0-00
Unavailable
16
OIL SEAL
93101-24001-00
Unavailable
17
BOLT, WITH WASHER
90119-08907-00
Unavailable
18
SHIM (T=0.5)
GD0-67249-A0-00
Unavailable
18
SHIM (T=1.0)
GD0-67249-00-10
Unavailable
19
PIPE 1
GA7-6883B-00-00
Unavailable
20
BAND, HOSE 52
90601-15272-00
Unavailable
