Partiron

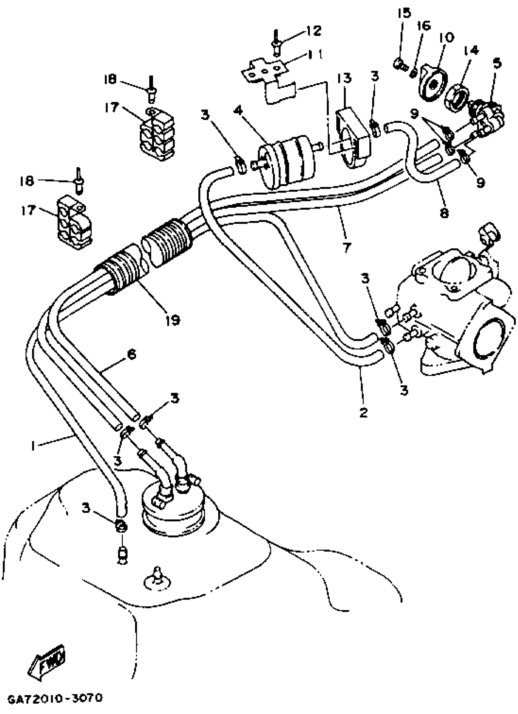
Yamaha WB700R (WAVE BLASTER) 1993 FUEL FILTER Diagram

#

Description
Price

1

HOSE (L1700)

90445-10M87-00

Unavailable

2

HOSE (L590)

90445-10020-00

Unavailable

3

CLAMP

90465-10098-00

Unavailable

4

FILTER ASSY

6K8-24560-21-00

Unavailable

5

FUEL COCK ASSY 1

6K8-24500-03-00

Unavailable

6

HOSE (L1700)

90445-10M87-00

Unavailable

7

HOSE (L1700)

90445-10M87-00

Unavailable

8

HOSE (L400)

90445-10M43-00

Unavailable

9

CLAMP

90465-10098-00

Unavailable

10

LEVER, COCK

6K8-24524-10-00

Unavailable

11

BRACKET, FUEL FILTER

FN8-67816-00-00

Unavailable

12

RIVET, BLIND

90267-48940-00

Unavailable

13

HOLDER

EU0-67817-00-00

Unavailable

14

NUT

90170-22M11-00

Unavailable

15

SCREW, PAN HEAD (E56)

98580-04010-00

$8.49

16

WASHER, PLAIN (646)

92990-04600-00

Unavailable

17

HOLDER,PIPE 2

EW2-67812-00-00

Unavailable

18

RIVET, BLIND

90267-48802-00

Unavailable

19

TUBE

GA7-6773D-00-00

Unavailable