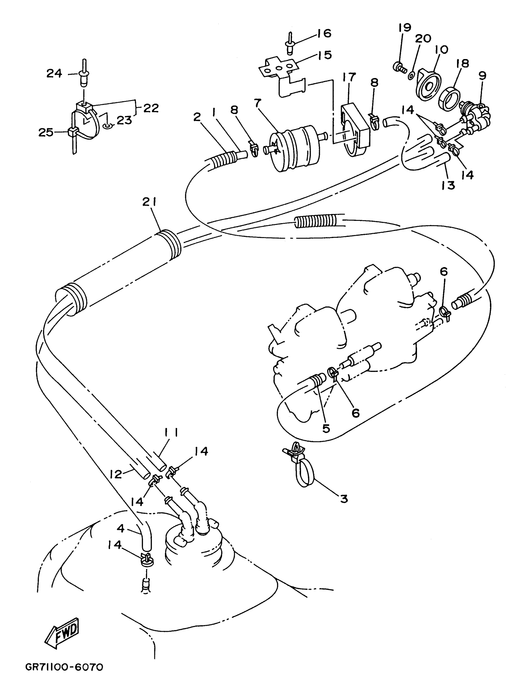
Yamaha WB700AU (WAVE BLASTER) 1996 FUEL Diagram
#
Description
Price
2
HOSE(64U)
90446-14M64-00
Unavailable
4
HOSE (L1700)
90445-10M87-00
Unavailable
5
HOSE(64U)
90446-14M64-00
Unavailable
6
CLAMP
90465-10098-00
Unavailable
7
FILTER ASSY
6K8-24560-21-00
Unavailable
8
CLAMP
90465-10098-00
Unavailable
9
FUEL COCK ASSY 1
6K8-24500-03-00
Unavailable
10
LEVER, COCK
6K8-24524-10-00
Unavailable
11
HOSE (L1700)
90445-10M87-00
Unavailable
12
HOSE (L1700)
90445-10M87-00
Unavailable
14
CLAMP
90465-10098-00
Unavailable
15
BRACKET, FUEL FILTER
FN8-67816-00-00
Unavailable
16
RIVET, BLIND
90267-48940-00
Unavailable
17
HOLDER
EU0-67817-00-00
Unavailable
18
NUT
90170-22M11-00
Unavailable
19
SCREW, PAN HEAD (E56)
98580-04010-00
Unavailable
20
WASHER, PLAIN (646)
92990-04600-00
Unavailable
21
TUBE
GH1-6773D-00-00
Unavailable
22
CLAMP COMP (EU0)
90600-91736-00
Unavailable
23
. WASHER, PLAIN
90201-05925-00
Unavailable
24
RIVET, BLIND
90267-48802-00
Unavailable
25
BAND (EU0)
90601-20009-00
Unavailable
