- Partiron
- OEM Parts
- Kawasaki
- motorcycle
- 2012
- W800 (European)
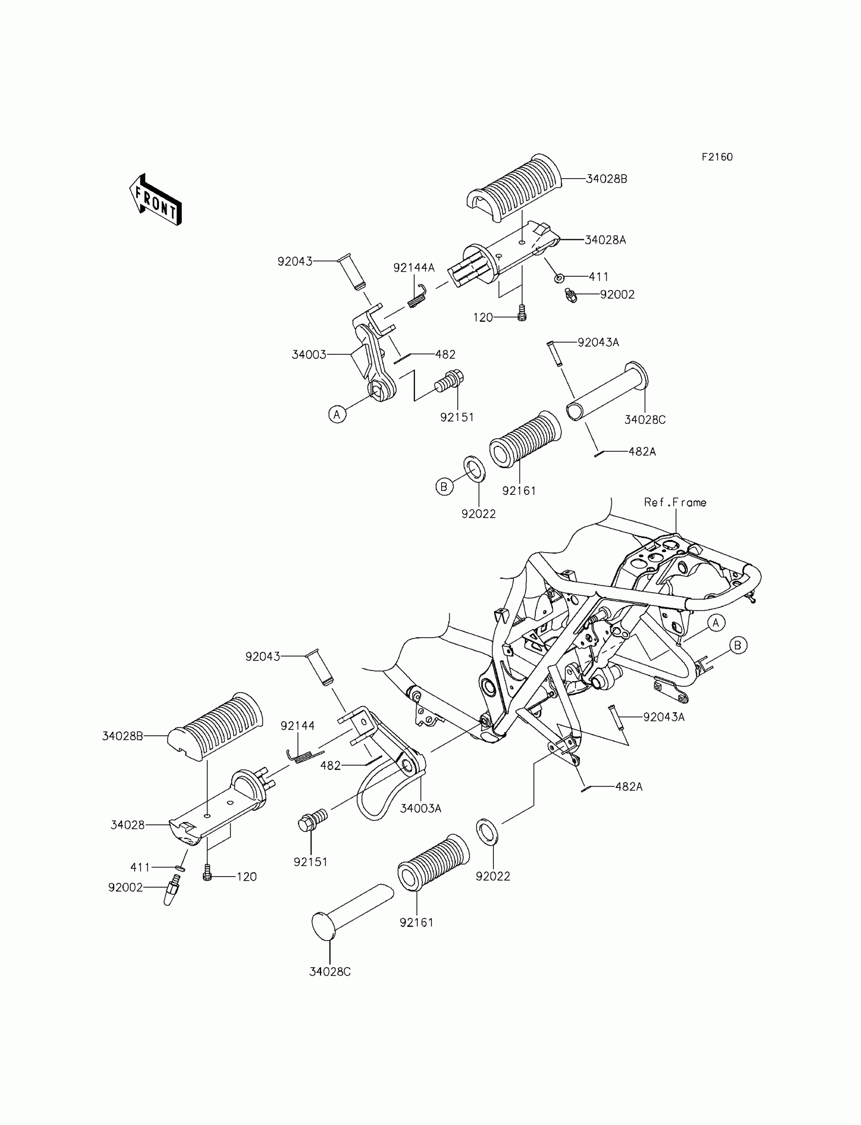
Footrests
Kawasaki W800 (European) Footrests Diagram
#
Description
Price
34028
STEP,FR,LH
34028-1358
Unavailable
34028A
STEP,FR,RH
34028-1359
Unavailable
