Partiron

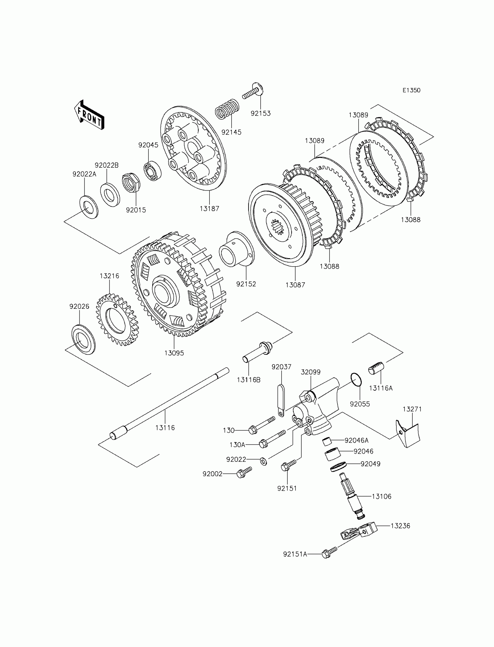
Kawasaki W800 (European) Clutch Diagram

#

Description
Price

130

BOLT-FLANGED,6X70

130CD0670

$5.05

130A

BOLT-FLANGED,6X80

130CD0680

$2.58

13087

HUB-CLUTCH

13087-0042

$146.04

13088

PLATE-FRICTION

13088-1133

$15.36

13089

PLATE-CLUTCH

13089-027

$12.80

13095

HOUSING-COMP-CLUTCH

13095-1378

$533.18

13106

SHAFT-CLUTCH RELEASE

13106-1068

$40.49

13116

ROD-PUSH

13116-0042

$66.73

13116A

ROD-PUSH,CLUTCH,6T

13116-1040

$22.29

13116B

ROD-PUSH,CLUTCH POSITION

13116-1164

$19.58

13187

PLATE-CLUTCH OPERATING

13187-1006

$75.59

13216

GEAR-COMP,OIL PUMP

13216-1177

$54.91

13236

LEVER-COMP,CLUTCH RELEASE

13236-1331

$22.05

13271

PLATE

13271-1179

$6.36

32099

CASE,CLUTCH RELEASE

32099-1204

$61.14

92002

BOLT,FLANGED-SMALL,6X7X2.5

92002-1357

$4.69

92015

NUT,20MM

92015-1555

$13.08

92022

WASHER OIL PUMP BANJO

92022-077

$3.99

92022A

WASHER,20.3X36X2.3

92022-1116

$8.58

92022B

WASHER,20.3X36X3.7

92022-1868

$9.51

92026

SPACER,25X47X4

92026-1242

$29.41

92037

CLAMP,L=45

92037-1539

$5.00

92045

BEARING-BALL,6001C3ML01

92045-1235

$16.25

92046

BEARING-NEEDLE,HK1412FM

92046-0043

$17.22

92046A

BEARING-NEEDLE,HK0709

92046-1142

$15.08

92049

SEAL-OIL,TC14245

92049-1520

$13.87

92055

RING-O,16.8X1.9

92055-1598

$2.34

92145

SPRING,CLUTCH

92145-0844

$9.34

92151

BOLT,6X40

92151-1131

$4.87

92151A

BOLT,FLANGED,6X20

92151-1226

$2.46

92152

COLLAR,CLUTCH GEAR

92152-1146

$66.35

92153

BOLT,6X30

92153-0643

$2.63